Оглавление: Для двигателей с буквенными…⬇ Для всех автомобилей ⬇ Установка ⬇ Сборочная схема уравновешивающего…⬇
Снять нижний кожух двигателя.
Для двигателей с буквенными обозначениями BNM, BNV
Снять держатель нижней трубы для наддувочного воздуха.
Для всех автомобилей
Слить моторное масло. Извлечь винть масляного поддона/коробки передач. Поворачивать немного коленчатый вал, наблюдая за маховиком, пока он не повернется таким образом, чтобы направлялся выемке/ вниз. Извлечь масляный поддон. При необходимости следует освободить масляны/ поддон, слегка постукивая по нему пластмассовым молотком. Очистить уплотняющую поверхность на блоке цилиндров и масляном поддоне от остатков уплотняющее: средства при помощи химического средства для устранения уплотнения. Обезжирив поверхности.
Установка
Важно: Руководствоваться гарантийным сроком уплотняющего средства. Масляный поддон необходимо установить в течение 5 минут с момента нанесения силиконового уплотняющие средства.
Отрезать ножницами наконечник (жиклер) тюбика на передней отметке (диаметр жиклера - ок. 3 мм).

Силиконовое уплотняющее средство следует нанести на чистую уплотняющую поверхность масляного поддона согласно рисунку. Толщина слоя уплотняющего средства 2-3 мм. В местах нахождения отверстий под болты необходимо наносить уплотняющее средство на внутренней стороне -стрелки-.
Важно: Нельзя, чтобы слой уплотняющего средства был толще, ибо в противном случае лишнее уплотняющее средство попадет в масляный поддон и может закупорить сетку в маслозаборной трубе масляного насоса.
Силиконовое уплотняющее средство следует нанести на чистые уплотняющие поверхности масляного поддона согласно рисунку. (На рис. представлено положение гусеничной ленты уплотняющего средства на блоке цилиндров.). Сразу установить масляный поддон и слегка подтянуть все винты масляного поддона. Затянуть винты масляного поддона с приложением момента 15 Нм. Вставив винты масляного поддона/коробки передач, затянуть их с приложением момента 45 Нм.

Важно: После установки масляного поддона уплотняющее средство должно высыхать прибл. 30 минут. Лишь затем можно заправлять моторное масло. Масляный поддон должен быть припасован к блоку цилиндров. В дальнейшем осуществляют установку в противоположной последовательности действий, чем извлечение.
(Оригинал статьи найдёте на ресурсе: skodabook)
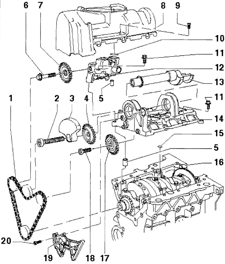
Сборочная схема уравновешивающего вала и рамы крепления
Важно: Перед тем как начать сборочные работы, нужно смазать маслом все опорные поверхности подшипников и рабочие поверхности.
1 - Цепь, соблюдать правильное положение для сборки, прежде чем снять, отметить направление движения; 2 - 100 Нм + повернуть дополнительно на 1/4 оборота /90°C заменить, дополнительное затягивание можно осуществить в несколько приемов; 3 - Балансировочные грузики, установка возможна лишь в одном единственном положении; 4 - Звездочка цепной передачи, балансирного вала, установка возможна лишь в одном единственном положении; 5 - Центрирующая втулка; 6 - 20 Нм + повернуть дополнительно на 1/4 оборота (90°), заменить; 7 - Звездочка цепной передачи, масляного насоса, установка возможна лишь в одном единственном положении; 8 - Крышка, загрязненную сетку следует очистить; 9 - 5 Нм; 10 - Уплотнительное кольцо круглого сечения, заменить, проверить прочность установки, для сборки следует смазать слегка маслом; 11 - 20 Нм; 12 - Масляный насос, с предохранительным клапаном 1.15 МПа (11.5 бар), прежде чем приступить к установке, следует проверить, что в распоряжении имеются обе центрирующие втулки для центрирования; 13 - Балансирный (уравновешивающий) вал; 14 - Рама крепления, прежде чем приступить к установке, следует проверить наличие центрирующей втулки в блоке цилиндров, и что уплотнительное кольцо круглого сечения вставлено в раму крепления; 15 - Уплотнительное кольцо круглого сечения, заменить, проследить за прочной установкой в раме крепления; 16 - Блок цилиндров; 17 - Звездочка направляющего ролика цепной передачи; 18 - 20 Нм; 19 - Натяжное устройство цепи с натяжной планкой, для извлечения следует застопорить при помощи -Т10060А -; 20 - 8 Нм + повернуть дополнительно на 1/4 оборота (90°), заменить
