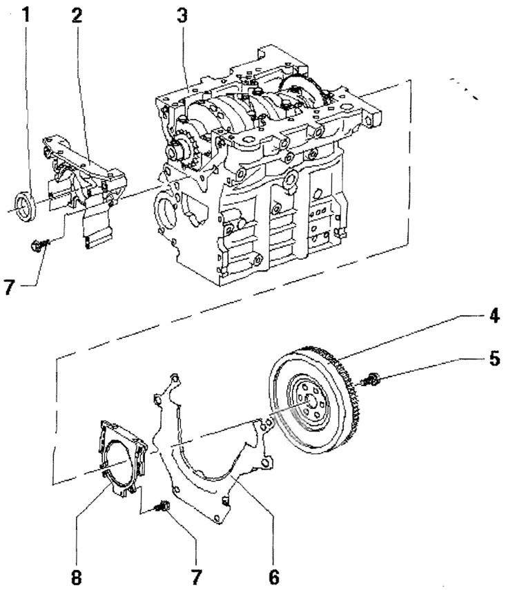
Сборочная схема уплотнительной прокладки фланца и маховика для автомобилей с двигателями с буквенными обозначениями BNM, BNV
Важно: Для осуществления сборочных работ необходимо закрепить двигатель с кронштейном споры для двигателя - МР 1-202- и распорными втулками - Т30010-на сборочном стенде.
1 - Уплотнительное кольцо, рабочую кромку уплотнительного кольца не смазывать дополнительно ни маслом, ни консистентной смазкой, прежде чем приступить к установке, следует устранить остатки масла : шатунной шейки коленчатого вала чистой тряпкой; 2 - Уплотнительная прокладка фланца впереди, должна устанавливаться на центрирующие втулки, устанавливать с силиконовым уплотняющим средством -D 176 600 М-; 3 - Блок цилиндров; 4 - Маховик, для извлечения и установки следует застопорить маховик при помощи -МР 1-504-; 5 - 60 Нм + повернуть дополнительно на 4 оборота (90°), заменить; 6 - Промежуточный лист, должен устанавливаться на центрирующие втулки, в ходе сборочных работ не повредить и не сгибать, подвесить на уплотнительную прокладку фланца; 7 - 15 Нм; 8 - Уплотнительная прокладка фланца с уплотнительным кольцом, заменять только комплектом, рабочую кромку уплотнительного кольца не смазывать дополнительно ни маслом, ни консистентной смазкой, прежде чем приступить к установке, следует устранить остатки масла с шатунной шейки коленчатого вала чистой тряпкой, для установки следует применить вместе поставляемую сборочную втулку, сборочную втулку разрешается устранить только после того, как уплотнительная прокладка фланца насунута на шатунной шейке коленчатого вала
Стопорение маховика

Установив приспособление -МР 1-504-на зубчатый обод, поворачивать до тех пор, пока оно не прикоснется к распорной втулке -Т30010 (VW540/1 В)-.
Установка промежуточного листа

Подвесив промежуточный центрирующий лист на уплотнительную прокладку фланца, надеть на центрирующие втулки -стрелки-.
Сборочная схема уплотнительной прокладки фланца и маховика для автомобилей с двигателями с буквенным обозначением BMS
Важно: Для осуществления сборочных работ необходимо закрепить двигатель с кронштейном опоры для двигателя - МР 1-202- и распорными втулками - Т30010 (VW540/1B)- на сборочном стенде.
1 - Уплотнительное кольцо, рабочую кромку уплотнительного кольца не смазывать дополнительно ни маслом, ни консистентной смазкой, прежде чем приступить к установке, следует устранить остатки масла с шатунной шейки коленчатого вала чистой тряпкой; 2 - Уплотнительная прокладка фланца впереди, должна устанавливаться на центрирующие втулки; 3 - Блок цилиндров; 4 - Маховик, для извлечения и установки следует застопорить маховик при помощи -МР 1-504-; 5 - 60 Нм + повернуть дополнительно на 1/4 оборота (90°), заменить; 6 - Промежуточный лист, должен устанавливаться на центрирующие втулки, в ходе сборочных работ не повредить и не сгибать, подвесить на уплотнительную прокладку фланца; 7 -15 Нм; 8 - Уплотнительная прокладка фланца с уплотнительным кольцом, замена возможна только в комплекте с уплотнительным кольцом и импульсным колесом для датчика частоты вращения вала двигателя -G28-, во время снятия следует извлечь масляный поддон; 9 - Датчик частоты вращения вала двигателя -G28- (5 Нм)
[Оригинальный текст расположен на Skodabook.ru]
