Оглавление: Схема расположения мест сборки для…⬇ Детали в пространстве для ног ⬇ Релейная панель ⬇ Снятие и установка турбонагнетателя…⬇ Разборка и сборка воздушного фильтра…⬇ Схема расположения мест сборки для…⬇ Снятие и установка заслонки…⬇ Разборка и сборка воздушного фильтра…⬇
Схема расположения мест сборки для двигателей с буквенными обозначениями BNM,BNV
Детали, отмеченные буквами с А по H, на схеме расположения мест сборки не представлены.
А - Реле системы непосредственного впрыскивания топлива . дизельного двигателя -J322-, на релейной панели; В - Реле свечей накаливания -J52-, на релейной панели; С - Реле для малой теплопроизводитель-ности -J359-, на релейной панели; D - Реле для большой теплопроизводительности -J360-, на релейной панели; Е - Реле топливного насоса -J17- на релейной панели; F - Датчик положения педали акселератора -G79- и датчик 2 положения педали акселератора -G185-, в пространстве для ног на педали акселератора (оба датчика находятся в одном корпусе); G - Выключатель сигнала торможения -F- и выключатель педали тормоза -F47-, в пространстве для ног на педали тормоза; Н - Выключатель для педали сцепления -F36-, в пространстве для ног на педали сцепления; 1 - Блок клапанов, составными частями блока клапанов являются: электромагнитный клапан рециркуляции ОГ -N18-, требуемое значение сопротивления: 14-20 Ом, электромагнитный клапан для ограничения давления наддува -N75-, требуемое значение сопротивления: 25-45 Ом; 2 - Двигатель дроссельной заслонки во впускном газопроводе -V157-; 3 - Механический клапан системы рециркуляции ОГ, на впускном патрубке с заслонкой во впускном газопроводе; 4 - Датчик температуры охлаждающей жидкости -G62-, требуемое значение сопротивления; 5 - Расходомер впускаемого воздуха -G70-; 6 - Блок управления двигателем -J623-; 7 - Датчик температуры топлива -G81 -; 8 - Штекерный соединитель, трехконтактный, серый, датчика частоты вращения вала двигателя -G28-, трехконтактный, черный, датчика положения распределительного вала -G40-; 9 - Датчик частоты вращения вала двигателя -G28-, требуемое значение сопротивления между контактами 1 и 2:450-550 Ом; 10 - Датчик положения распределительного вала -G40-; 11 - Датчик давления впускаемого воздуха -G71- с датчиком температуры впускаемого воздуха -G72-; 12 - Топливные фильтр, (на рисунке представлен топливный фильтр, примененный у двигателя 1,4 л/55 кВт TDI с буквенным обозначением AMF)
Детали в пространстве для ног

- 1 - Выключатель для педали сцепления -F36-
- 2 - Выключатель сигнала торможения -F-и выключатель педали тормоза -F47-
- 3 - Датчик положения педали акселератора -G79- и датчик 2 положения педали акселератора -G185-
Релейная панель

- 8 - Реле для большой теплопроизводительности -J360-
- 9 - Реле свечей накаливания -J52-
- 13 - Реле системы непосредственного впрыскивания топлива -J322-
- 14 - Реле топливного насоса -J17-
Снятие и установка турбонагнетателя заслонки впускного газопровода для двигателей с буквенными обозначениями BNM, BNV
После выключения двигателя дроссельная заслонка во впускном газопроводе закрывается примерно на 3 секунды, а затем открывается вновь. Этим самым уменьшается толчок при выключении.
1 - Впускной газопровод; 2 - Впускной патрубок, с механическим клапаном системы рециркуляции ОГ; 3 - Уплотнительное кольцо круглого сечения, заменить; 4 - 10 Нм; 5 - от охладителя впускаемого наддувочного воздуха; 6 - Двигатель дроссельной заслонки во впускном газопроводе -V157-; 7 - 10 Нм
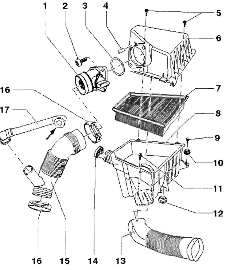
Разборка и сборка воздушного фильтра для двигателей с буквенными обозначениями BNM, BNV
1 - Впускной шланг, к впускному трубопроводу, соблюдать правильное положение для сборки; 2 - Пружинный хомутик; 3 - Верхний кожух воздушного фильтра; 4 - 2 Нм; 5 - Фильтрующий элемент фильтра '; 6 - 8 Нм; 7 - Нижний кожух воздушного фильтра; 8 - 2 Нм; 9 - Впускной патрубок; 10 - Воздухопровод, к передней стенке кузова; 11 - Уплотнительное кольцо; 12 - Расходомер впускаемого воздуха -G70-; 13 - 6 Нм
Схема расположения мест сборки для двигателя с буквенным обозначением BMS
Детали, отмеченные буквами с А по H, на схеме расположения мест сборки не представлены.
А - Реле системы непосредственного впрыскивания топлива дизельного двигателя -J322-, на релейной панели; В - Блок управления предварительным разогревом (накаливанием) -J179-, в подкапотном пространстве возле аккумуляторной батареи; С - Реле для малой теплопроизводительности -J359-, на релейной панели; D - Реле для большой теплопроизводительности -J360-, на релейной панели; Е - Реле топливного насоса -J17-, на релейной панели; F - Датчик положения педали акселератора -G79- с датчиком 2 положения педали акселератора -G185-, в пространстве для ног на педали акселератора (оба датчика находятся в одном корпусе); G - Выключатель сигнала торможения -F- и выключатель педаль тормоза -F47-, в пространстве для ног на педали тормоза; Н - Выключатель для педали сцепления -F36-, в пространстве для ног на педали сцепления; 1 - Электромагнитный клапан для ограничения давления наддува -N75-; 2 - Двигатель заслонки во впускном трубопроводе -V157-; 3 - Лямбда-зонд -G39- с обогревом лямбда-зонда -Z19-; 4 - Датчик температуры перед фильтром твердых частиц -G448-; 5 - Датчик температуры позади фильтра твердых частиц -G527-; 6 - Клапан системы рециркуляции ОГ -N18- с потенциометром системы рециркуляции ОГ -G212- и регулятором системы рециркуляции ОГ-V338-; 7 - Датчик давления 1 перед турбонагнетателем -G235-; 8 - Узлы насос-форсунка, клапан узла насос-форсунка, цилиндр -N240-, клапан узла насос-форсунка, цилиндр 2 -N241 -, клапан узла насос-форсунка, цилиндр 3 -N242-; 9 - Датчик температуры охлаждающей жидкости -G62-; 10 - Расходомер впускаемого воздуха -G70-; 11 - Блок управления двигателем -J623-; 12 - Многоконтактный штекерный соединитель, центральный для узлов насос-форсунка; 13 - Датчик температуры топлива - G81 -; 14 - Датчик частоты вращения вала двигателя -G28-; 15 - Датчик Холла -G40-, положения распределительного вала; 16 - Датчик давления 1 отработавших газов -G450-; 17 - Датчик давления наддува -G31 - с датчиком температуры впускаемого воздуха -G42-
Снятие и установка заслонки впускного газопровода для двигателя с буквенным обозначением BMS
1 - Уплотнение, заменить, соблюдать положение для сборки; 2 - Впускной газопровод; 3 - Уплотнительное кольцо, заменить; 4 - Штуцер; 5 - Двигатель заслонки во впускном трубопроводе -V157-. После включения двигателя заслонка во впускном трубопроводе закрывается примерно на 3 секунды, а затем открывается вновь. Этим самым уменьшается толчок при выключении; 6 - Держатель; 7 - От охладителя впускаемого наддувочного воздуха; 8 - 10 Нм; 9 - Клапан системы рециркуляции ОГ -N18- с потенциометром схемы рециркуляции ОГ -G212- и регулятором системы рециркуляции ОГ -V338-, прежде чем приступить к установке, следует проверить уплотняющие поверхности на впускном газопроводе на загрязнение и, в случае надобности, вычистить их; 10 - Уплотнение, заменить; 11 - Радиатор, системы рециркуляции ОГ; 12 - 22 Нм; 13 - 22 Нм
Важно: После замены следует осуществить приспособление новой детали следующим способом: включить зажигание и выключить его; затем выждать 1 минуту инерционного выбега блоков управления, завести двигатель и оставить работать его, по крайней мере, 12 минуту на оборотах холостого хода, разгрузить память неисправностей нельзя, чтобы в памяти была загружена какая-либо неисправность. В случае загруженной неисправности следует сбросить содержимое памяти неисправностей и повторить полностью ход работ.
Разборка и сборка воздушного фильтра для двигателя с буквенным обозначением BMS
1 - Расходомер впускаемого воздуха -G70-; 2 - 2 Нм; 3 - Уплотнительное кольцо круглого сечения, заменить; 4 - Заборный шланг; 5 - 2 Нм; 6 - Верхний кожух воздушного фильтра; 7 - Фильтрующий элемент; 8 - Нижний кожух воздушного фильтра; 9 - 10 Нм; 10 - Резиновая втулка; 11 - 2 Нм; 12 - Резиновая втулка; 13 - Воздухопровод, к передней стенке кузова; 14 - Резиновая втулка; 15 - Впускной шланг, к турбонагнетателю, для северных стран - с обогревом; 16 - Пружинный хомут; 17 - Соединительная труба, от крышки головки блока цилиндров, для вентиляции картера двигателя
