Важно: Для осуществления сборочных работ необходимо закрепить двигатель с кронштейном опоры для двигателя - МР1-202- и распорными втулками -Т30010- на сборочном стенде.
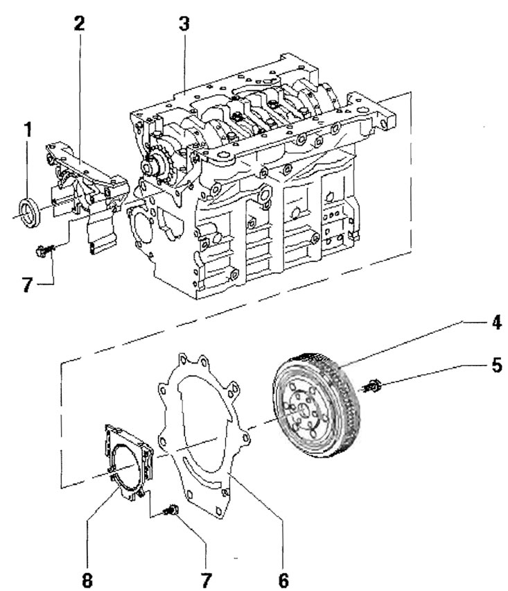
Уплотнительные прокладки фланца и маховика 1 - Уплотнительное кольцо из ПТФЭ, замена; 2 - Уплотнительная прокладка фланца впереди, должна устанавливаться на центрирующие втулки, извлечение и установка; 3 - Блок цилиндров; 4 - Маховик, установка возможна только в одном единственном положении - взаимно смещенные отверстия, для снятия и установки следует застопорить с применением приспособления -МР 1-504-; 5 - 60 Нм + повернуть дополнительно.на 90° (1/4 оборота), заменить; 6 - Промежуточный лист, должен устанавливаться на центрирующие втулки, в ходе сборочных работ не повредить и сильно не согнуть, подвесить на уплотнительную прокладку фланца; 7 - 15 Нм; 8 - Уплотнительная прокладка фланца с уплотнительным кольцом из ПТФЭ, для извлечения и установки необходимо удалить масляный поддон, заменять только комплектом, уплотнительное кольцо нужно устанавливать сухим; нельзя, чтобы на шатунной шейке коленчатого вала были следы от консистентной смазки, устанавливать новую уплотнительную прокладку фланца с гильзой (перед установкой не вытягивать гильзу из уплотнительного кольца)
Стопорение маховика

Информация скопирована с ресурса SKODABOOK
Уставив приспособление -МР 1-504- на зубчатый обод, поворачивать до тех пор, пока оно не прикаснется к распорной втулке -Т30010.
Установка промежуточной пластины
Подвесив промежуточную центрирующую пластину на уплотнительную прокладку фланца, насунуть на центрирующие втулки -столки-.

