Оглавление: Снятие - автомобили без кондиционера ⬇ Снятие - автомобили с кондиционером ⬇ Установка поликлинового ремня ⬇
Снятие - автомобили без кондиционера
Приподняв кожух двигателя по сторонам -стрелка А-, снять его по направлению вперед -стрелка В-.

Снять верхнюю трубу для наддувочного воздуха -1- с соединительным шлангом -2- -стрелки-. Пометить направление движения поликлинового ремня.

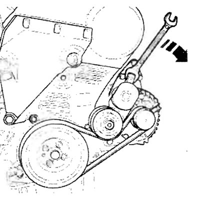
Для освобождения поликлинового ремня следует повернуть натяжной ролик по направлению -стрелки-.

Застопорить натяжной ролик при помощи дорна -Т10060А-. Снять поликлиновой ремень; сначала -со шкива генератора переменного тока.

Снятие - автомобили с кондиционером
Снять нижний кожух двигателя.
Для двигателя с буквенным обозначением BSW
Вывинтить винт-3-. Снять нижнюю трубу для наддувочного воздуха -1- с соединительным шлангом -2-стрелки-.

Для всех автомобилей
Пометить направление движения поликлинового ремня. Для освобождения поликлинового ремня следует повернуть натяжной ролик по направлению -стрелки-.

Застопорить натяжной ролик при помощи дорна -Т10060А-. Снять поликлиновой ремень; сначала со шкива компрессора кондиционера.
Установка поликлинового ремня
Важно: Перед тем как приступить к установке поликлинового ремня, нужно проверить прочность установки всех агрегатов (генератора переменного тока и компрессора кондиционера).
Проверить легкость хода шкива и натяжного ролика. Натянув натяжное устройство, надеть клиновой ремень генератора переменного тока; наконец - на шкив генератора переменного тока. Завести двигатель и проверить ход ремня.
