Сборочная схема
Для двигателя с буквенным обозначением ВВМ
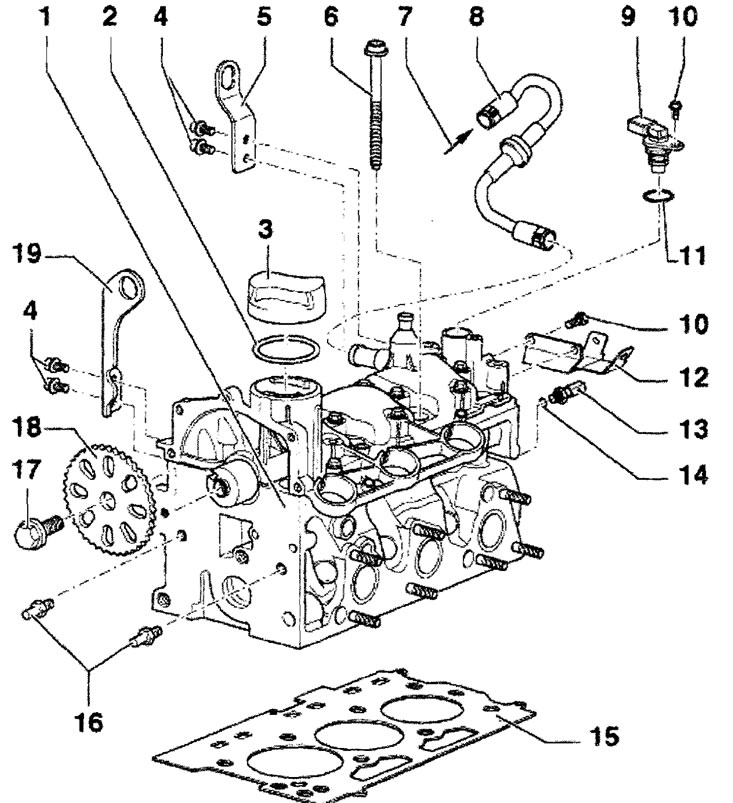
Двигатель ВВМ 1 - Блок цилиндров с крышкой, после замены сменить весь заправочный объем охлаждающей жидкости; 2 - Уплотнение; 3 - Пробка; 4 - 20 Нм; 5 - Проушина - левая; 6 - Болт крепления головки блока цилиндров, соблюдать указания по сборке и предусмотренную последовательность при ослаблении и затягивании; 7 - От соединительного шланга; 8 - Шланг для удаления воздуха с обратным клапаном; 9 - Датчик положения распределительного вала -G163-; 10 - 8 Нм; 11 - Уплотнительное кольцо; 12 - Держатель жгута проводов; 13 - 0.045 МПа (0.45 бар) выключатель-датчик падения давления масла с гидроприводом -F1-, 25 Нм; 14 - Уплотнительное кольцо; 15 - Прокладка головки блока цилиндров, заменить; 16 - Болт, 18 Нм; 17 - 20 Нм + повернуть дополнительно на 90° (1/4 оборота); 18 - Звездочка цепной передачи распределительного вала; 19 - Проушина правая
Для двигателя с буквенным обозначением BZG
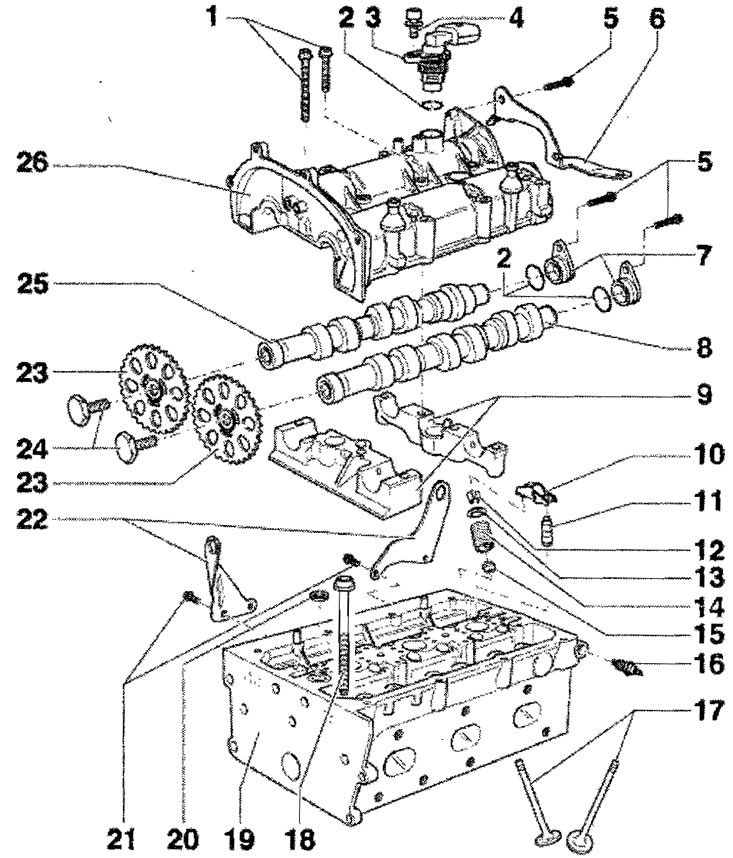
1 -10 Нм + повернуть дополнительно на 90° (1/4 оборота); 2 - Уплотнительное кольцо круглого сечения; 4-8 Нм; 5-10 Нм; 6 - Держатель жгута проводов; 7 - Колпак; 8 - Распределительный вал, приводящий в действие выпускные клапаны; 9 - Крышка подшипника распределительного вала, при установке следует проследить за легким ходом распределительных валов, проверка осевого зазора; 10 - Коромысло, взаимно не перепутать, проверить роликоподшипник, смазать рабочую поверхность маслом, для установки следует закрепить стопорными хомутиками на гидравлический толкатель; 11 - Гидравлический толкатель, взаимно не перепутать, с гидравлическим регулированием зазора в приводе клапанов, смазать рабочую поверхность маслом; 12 - Чеки клапана; 13 - Тарелка пружины клапана; 14 - Пружина клапана; 15 - Уплотнение стержня клапана; 16 - 0.045 МПа (0.45 бар) выключатель-датчик падения давления масла с гидроприводом -F1-, 25 Нм; 17 - Вентиль, не подгонять, допускается только пришлифовка; 18 - Болт крепления головки блока цилиндров; 19 - Головка блока цилиндров; 20 - Уплотнительное кольцо, .загрязненную сетку следует очистить; 21 - 20 Нм; 22 - Проушина; 23 - Звездочка цепной передачи распределительного вала; 24 - 50 Нм + повернуть дополнительно на 90° (1/4 оборота); 25 - Распределительный вал, приводящий в действие впускные клапаны; 26 - Крышка головки блока цилиндров, уплотняющие поверхности нельзя обрабатывать
