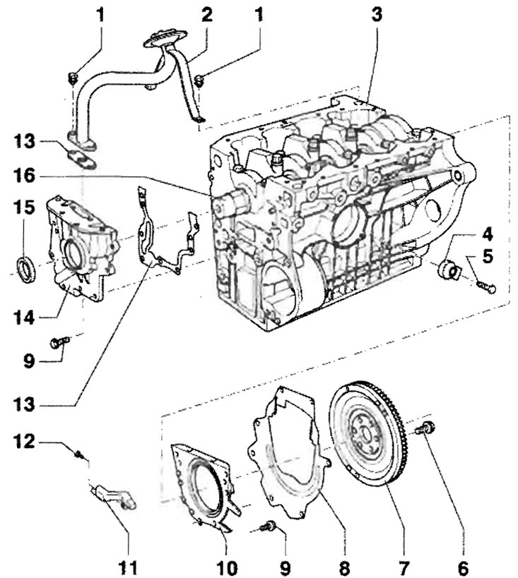
Блок цилиндров из алюминиевого сплава
1 - 10 Нм; 2 - Впускной трубопровод; 3 - Блок цилиндров; 4 - Датчик детонационного сгорания; 5 - 20 Нм, величина момента затяжки влияет на работу датчика детонационного сгорания; 6 - 60 Нм + повернуть дополнительно на 1/4 оборота (90°), заменить; 7 - Маховик; 8 - Промежуточный лист, должен устанавливаться на пригоночные втулки; 9 - 12 Нм, заменить; 10 - Уплотнительная прокладка фланца с импульсным колесом и уплотнительным кольцом заменять только комплектом с уплотнительным кольцом и импульсным колесом; 11 - Датчик частоты вращения; 12 - 10 Нм; 13 - Уплотнение, заменить; 14 - Масляный насос, заменять только комплектом, должен устанавливаться на пригоночные втулки; 15 - Уплотнительное кольцо, заменить; 16 - Шарнирный элемент, прежде чем приступить к установке масляного насоса, смазать маслом
Разборка и сборка поршня и шатуна
1 - Стопорное кольцо; 2 - Поршневой палец, в случае тугой смещаемости нагреть поршень на температуру ок. 60°C; 3 - Поршень, отметить положение для сборки и принадлежность к гильзе цилиндра, стрелка на днище поршня указывает в сторону шкива, диаметр поршня - 76,47 мм; 4 - Поршневые кольца, взаимно сместить замки на 120°, извлекать и устанавливать с применением клещей для установки поршневых колец, Снятие и установку трехэлементных маслосъемных поршневых колец следует производить вручную, маркировка -ТОР-должна направляться к днищу поршня; 5 - Шатун, менять всегда всем комплектом, отметить принадлежность к гильзе цилиндра -А-, положение для сборки: отметки -В-направлены в сторону шкива, осевое ведение через поршень; 6 - Крышка шатуна, крышка прилегает к шатуну, отделенному изломом, только в одном положении и только к соответствующему шатуну; 7 - Шатунный болт, М7 х 0,75:20 Нм + повернуть дополнительно на 1/4 оборота (90°), М8 х 1:30 Нм + повернуть дополнительно на 1/4 оборота (90°), заменить, смазать маслом резьбу и поверхность прилегания; 8 - Блок цилиндров, диаметр цилиндра = 76,51 мм; 9 - Вкладыш подшипника, не перепутать уже использованные вкладыши подшипника (пометить), устанавливать вкладыши подшипника центрированными, осевой зазор у новой детали: 0,10.. .0,35 мм; предел износа: 0,40 мм
Оригинал статьи расположен на Skodabook.ru
