Сборочная схема смазочной системы
Важно: Если при ремонте двигателя обнаружено в масле наличие стружек металла или же истертых частиц металла в повышенном количестве, то недостаточно только заменить масляный фильтр. Во избежание последующего ущерба необходимо тщательно вычистить тоже все смазочные каналы. Нельзя, чтобы уровень масла превысил отметку максимума - опасность приведения в негодность катализатора ОГ. Выключатель-датчик падения давления масла с гидроприводом -F1- находится впереди слева на головке блока цилиндров; извлечение и установка.
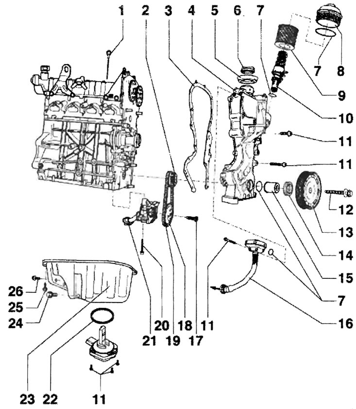
1 - Указатель уровня масла, нельзя, чтобы уровень масла превысил отметку максимума; 2 - Двойная цепная звездочка, привода приводной цепи распределительного вала и цепи масляного насоса, соблюдать положение для сборки по отношению к коленчатому валу, площади прилегания должны быть избавлены от масла или консистентной смазки; 3 - Уплотнение, заменить, должна опираться на центрирующие цапфы; 4 - Крышка распределительных шестерен, ради облегчения установки следует ввинтить в крышку головки блока цилиндров и в блок цилиндров два направляющих штифта -М6 х 80-, для лучшего ведения крышки распределительных шестерен установить на два винта масляный поддон; 5 - Уплотнительное кольцо, в случае повреждения заменить; 6 - Пробка, уплотнительное кольцо необходимо в случае повреждения заменить; 7 - Уплотнительное кольцо круглого сечения, заменить; 8 - Резьбовая пробка масляного фильтра, 25 Нм; 9 - Фильтрующий элемент фильтра, соблюдать предусмотренную периодичность замены; 10 - Вентиль, с перепускным клапаном давление открытия: 0.25 (2.5 бар), с одноходовым клапаном; 11 - 10 Нм; 12 - Поддерживающий винт, заменить, учитывать различные исполнения, последовательность при затягивании, поверхность прилегания крепежного винта должна быть без масла и консистентной смазки, для ослабления и затягивания придерживать шкив контропорой -Т30004 (3415)- с цапфами-Т30004/1 (3415/1)-; 13 - Шкив, площади прилегания шкива должны быть избавлены от масла или консистентной смазки, шкив следует придержать контропорой -Т30004 (3415)- с шейками-Т30004/1 (3415/1)-; 14 - Уплотнительное кольцо, заменить; 15 - Втулка подшипника, площади прилегания втулки подшипника должны быть избавлены от масла или консистентной смазки; 16 - Маслоотделитель, с вакуумным регулирующим клапаном (клапан "PCV") и вентиляционным шлангом; 17 - 20 Нм + повернуть дополнительно на 90° (1/4 оборота), заменить; 18 - Звездочка цепной передачи, масляного насоса, в ходе извлечения и установки следует придержать звездочку цепной передачи прижимным приспособлением -Т10172-; 19 - Цепь, масляного насоса, прежде чем приступить к снятию, следует отметить направление движения (положение для сборки); 20 - 25 Нм; 21 - Масляный насос, заменять только комплектом; 22 - Датчик уровня и температуры масла -G266-, в случае повреждения заменить; 23 - Масляный поддон; 24 - Резьбовая пробка сливного отверстия, 30 Нм, с собственным уплотнительным кольцом, заменить; 25 - 13 Нм, ослабить и, соотв., затянуть только винты на стороне маховика насадным наконечником -Т10058-; 26 - 45 Нм; 27 - Выключатель-датчик падения давления масла с гидроприводом -F1-, 25 Нм, выключатель-датчик падения давления 0,05 МПа (0,5 бар), при нарушении герметичности следует разрезать и заменить уплотнительное кольцо
Статья размещена на веб-сайте: Skodabook.ru
