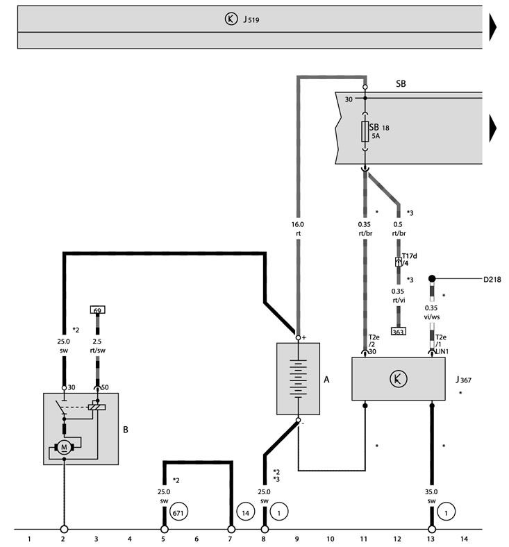
Аккумуляторная батарея, Стартер, Блок управления для контроля аккумуляторной батареи, Держатель предохранителей B
А - Аккумуляторная батарея;
В - Стартер;
J367 - Блок управления для контроля аккумуляторной батареи;
J519 - Блок управления бортовой сети;
SB - Держатель предохранителей В;
SB18 - Предохранитель 18 в держателе предохранителей В;
Т2е - 2-контактный разъем;
T17d - 17-контактный разъем, на нижней части левой передней стойки кузова, синий;
1 - Провод «массы», аккумуляторная батарея - кузов;
14 - Точка «массы», на корпусе коробки передач;
671 - Точка «массы» 1, на передней части левого лонжерона кузова;
D218 - Соединение 1 (LIN bus) в жгуте электропроводки моторного отсека
* Для моделей с дополнительным отопителем
* 2 Сечение 35,0 возможно
* 3 Для моделей без дополнительного отопителя
