Замечание: Описание снятия/установки вспомогательного кронштейна для крепления компрессора приведено в Главе 2.
1. Спустите хладагент из холодильной установки.
2. Снимите ремень привода вспомогательных агрегатов (см. Главу 2).
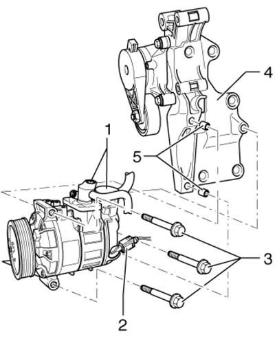
3. Снимите с компрессора линии хладагента (1 на иллюстрации) и ослабьте болты (3) его крепления, доступные сверху.
17.3. Детали установки компрессора
4. Из-под автомобиля снимите звукоизоляцию под двигательным отсеком (см. Главу 11), разъедините разъём (2 на иллюстрации 17.3), выверните нижний болт (3) и снимите компрессор.
5. Установка производится в обратной последовательности. Предварительно удостоверьтесь в наличии центрирующих втулок (5 на иллюстрации 17.3). Крепёж компрессора затягивайте с усилием 25 Нм.
