Русский
English
Български
Беларускі
Український
Српски
Hrvatski
Română
Polski
Slovenský
Magyar
Статьи
Поиск:
В закладки
Контакты
Карта
Fabia
Rapid
Octavia
Superb
Kodiaq
Yeti
Другие
Йети
(2009-2017)
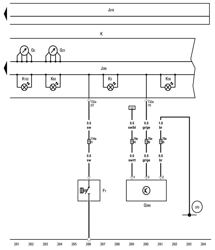
Д/В низкогодавления двигательного масла, тахометр, спидометр, датчик уровня и температуры двигательного масла, комбинация приборов
(Skoda Yeti 5L)
Главная
Йети
5L
(2009-2017)
Электрооборудование
Электрические схемы
Д/В низкогодавления двигательного масла, тахометр, спидометр, датчик уровня и температуры двигательного масла, комбинация приборов
0
Д/В низкогодавления двигательного масла, тахометр, спидометр, датчик уровня и температуры двигательного масла, комбинация приборов
Обозначения на схемах электрооборудования находятся
здесь →
Эта статья доступна на
английском
,
болгарском
,
белорусском
,
украинском
,
сербском
,
хорватском
,
румынском
,
польском
,
словацком
,
венгерском
Статья проверена:
Комиссаров Тимур
Поделитесь с друзьями:
◀ Предыдущая
Шкода Йети: Электрические схемы
Следующая ►
Указатель запаса топлива, датчик №2 запаса топлива, комбинация приборов
Указатель температуры ОЖ, интерфейс диагностики шин передачиданных, ЕСМ,…
Датчик запаса топлива, насос заполнения системы подачи топлива, блок…
Датчик положения педали тормоза, датчик положения сцепления, ЕСМ
ЕСМ, модуль зажигания, циркуляционный насос ОЖ
ЕСМ, э/м клапан №1 продувки адсорбера EVAP, клапан регулировки давления…
Аккумуляторная батарея, стартёр, генератор с регулятором напряжения, блоки…
Главное реле, блок предохранителей SB
Реле питания деталей двигательного отсека, блок предохранителей SB
Блок предохранителей SC
Реле разгрузки клеммы X, реле подачи питания клемм 15 и 50
Блок управления двигателем
Читать похожие статьи по другим моделям Шкода
➧ Панель приборов, контрольные лампы, датчик давления масла, топливный…
Шкода Фабия 1 (1999-2007)
➧ Датчик давления моторного масла, спидометр, датчик спидометра, щиток…
Шкода Рапид 1 (2012-2022)
➧ Снятие и установка датчика уровня и температуры масла «G266»
Шкода Октавия 3 (2013-2019)
➧ Проверка уровня двигательного масла
Шкода Суперб 2 (2008-2015)
➧ Датчик уровня и температуры моторного масла — снятие и установка
Шкода Кодиак 1 (2016-2024)
➧ Замена двигательного масла и масляного фильтра
Шкода Фелиция (1994-2001)
Ссылка на эту статью в различных форматах
TEXT
HTML
BB Code
Статья о ремонте чешских автомобилей Шкода Йети (2009-2017): Д/В низкогодавления двигательного масла, тахометр, спидометр, датчик уровня и температуры двигательного масла, комбинация приборов: https://www.skodabook.ru/Yeti/5L/electrics/schemes/d-v-nizkogodavleniya-dvigatelnogo-masla-tahometr-spidometr-datchik
Шкода Йети (2009-2017): Д/В низкогодавления двигательного масла, тахометр, спидометр, датчик уровня и температуры двигательного масла, комбинация приборов
- статья на сайте SkodaBook.ru о ремонте автомобилей чешской компании Skoda.
[url=https://www.skodabook.ru/Yeti/5L/electrics/schemes/d-v-nizkogodavleniya-dvigatelnogo-masla-tahometr-spidometr-datchik]Шкода Йети (2009-2017): Д/В низкогодавления двигательного масла, тахометр, спидометр, датчик уровня и температуры двигательного масла, комбинация приборов[/url] - статья на сайте SkodaBook.ru о ремонте автомобилей чешской компании Skoda.
Отзывы и комментарии посетителей
Комментариев пока нет
Сложите два числа: 47 + 43
Йети
(2009-2017)
Общая информация
Введение в руководство
Органы управления
Техническое обслуживание
Силовой агрегат
Бензиновый двигатель 1.2 л
Бензиновый двигатель 1.4 л
Бензиновый двигатель 1.8 л
Дизельный двигатель 2,0 л
Система охлаждения
Система питания и управления
Выхлопная система
Системы зажигания и преднакала
Система запуска и заряда
Трансмиссия
Сцепление
Механическая коробка
7-ступенчатая коробка DSG 0AM
6-ступенчатая коробка DSG 02E
Приводные валы
Шасси (ходовая часть)
Тормозная система
Передняя подвеска
Задняя подвеска
Рулевое управление
Кузов и салон
Отопление и кондиционирование
Экстерьер (внешние элементы)
Интерьер (внутренние элементы)
Электрооборудование
Оборудование и приборы
Освещение и сигнализация
Электрические схемы
Автомобильный анекдот
хочу ещё один
Продолжая пользоваться сайтом, вы соглашаетесь на использование cookie.
Продолжить