Автомобили компании Hyundai Автомобили компании Kia Автомобили компании Lada Автомобили компании Mazda Автомобили компании Mercedes-Benz Автомобили компании Opel Автомобили компании Mitsubishi
Русский English
Български
Беларускі
Український
Српски
Hrvatski
Română
Polski
Slovenský
Magyar
Статьи   
В закладки Контакты Карта
SkodaBook.ru
 
 
 
 
 
 
 
Fabia Rapid Octavia Superb Kodiaq Yeti Другие
Йети (2009-2017)

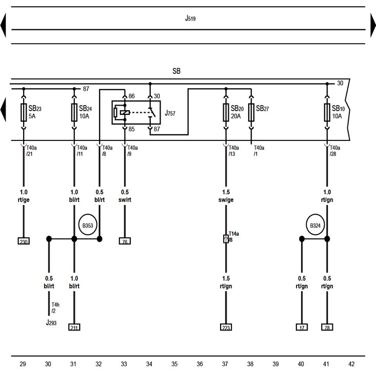
Реле питания деталей двигательного отсека, блок предохранителей SB (Skoda Yeti 5L)

  • Главная
  • Йети
  • 5L (2009-2017)
  • Электрооборудование
  • Электрические схемы
  • Реле питания деталей двигательного отсека, блок предохранителей SB
0

Реле питания деталей двигательного отсека, блок предохранителей SB



Реле питания деталей двигательного отсека, блок…


Обозначения на схемах электрооборудования находятся здесь →

[Материал опубликован на сайте: skodabook]
Эта статья доступна на английском, болгарском, белорусском, украинском, сербском, хорватском, румынском, польском, словацком, венгерском
Статья проверена: Комиссаров Тимур
Поделитесь с друзьями:
◀ Предыдущая
Шкода Йети: Электрические схемы
Следующая ►

Главное реле, блок предохранителей SB
Аккумуляторная батарея, стартёр, генератор с регулятором напряжения, блоки…
Д/В низкогодавления двигательного масла, тахометр, спидометр, датчик…
Указатель запаса топлива, датчик №2 запаса топлива, комбинация приборов
Указатель температуры ОЖ, интерфейс диагностики шин передачиданных, ЕСМ,…
Датчик запаса топлива, насос заполнения системы подачи топлива, блок…
Блок предохранителей SC
Реле разгрузки клеммы X, реле подачи питания клемм 15 и 50
Блок управления двигателем
Выключатель противооткатной системы, датчик положения педали газа, ЕСМ
Модуль дроссельной заслонки, ЕСМ
Датчики СКР и СМР, датчик температуры ОЖ на выходе радиатора, ЕСМ
Читать похожие статьи по другим моделям Шкода

➧ Коммутационное реле контакта X, дополнительный блок предохранителей… Шкода Фабия 1 (1999-2007)
➧ Выключатель зажигания/стартера, вывод 15-вольтового реле питания Шкода Рапид 1 (2012-2022)
➧ АКБ, Реле звукового сигнала, блок предохранителей А, блок… Шкода Октавия 3 (2013-2019)
➧ Снятие и установка блок-фар и замена их деталей Шкода Суперб 2 (2008-2015)
➧ Реле питания моторного отсека, Держатель предохранителей B, Держатель… Шкода Кодиак 1 (2016-2024)
➧ Блок цилиндров/картер — чистка и осмотр Шкода Фаворит (1987-1994)
Ссылка на эту статью в различных форматах
Отзывы и комментарии посетителей
Комментариев пока нет


Сложите два числа: 23 + 13

       





Йети (2009-2017) 
  • Общая информация
  • Введение в руководство
  • Органы управления
  • Техническое обслуживание
  • Силовой агрегат
  • Бензиновый двигатель 1.2 л
  • Бензиновый двигатель 1.4 л
  • Бензиновый двигатель 1.8 л
  • Дизельный двигатель 2,0 л
  • Система охлаждения
  • Система питания и управления
  • Выхлопная система
  • Системы зажигания и преднакала
  • Система запуска и заряда
  • Трансмиссия
  • Сцепление
  • Механическая коробка
  • 7-ступенчатая коробка DSG 0AM
  • 6-ступенчатая коробка DSG 02E
  • Приводные валы
  • Шасси (ходовая часть)
  • Тормозная система
  • Передняя подвеска
  • Задняя подвеска
  • Рулевое управление
  • Кузов и салон
  • Отопление и кондиционирование
  • Экстерьер (внешние элементы)
  • Интерьер (внутренние элементы)
  • Электрооборудование
  • Оборудование и приборы
  • Освещение и сигнализация
  • Электрические схемы
Автомобильный анекдот
хочу ещё один
SkodaBook.ru © 2018–2026 | Мобильная версия | Статьи о Шкоде | Карта сайта EN BG BY UA RS HR RO PL SK HU | Обратная связь | Поиск по сайту | В закладки
Фабия 1 (1999-2007) | Рапид 1 (2012-2022) | Октавия 1 (1996-2004) | Октавия 3 (2013-2019) | Суперб 2 (2008-2015) | Кодиак 1 (2016-2024) | Йети (2009-2017) | Фаворит (1987-1994) | Фелиция (1994-2001) | Автоновости про Шкоду | Устройство автомобилей | Устройство и работа ДВС | Датчики в автомобиле | Советы автолюбителю
Продолжая пользоваться сайтом, вы соглашаетесь на использование cookie.