Оглавление: Бензиновые модели 1.2 л ⬇ Бензиновые модели 1.4 л ⬇ Бензиновые модели 1.8 л ⬇ Дизельные модели 2.0 л (двигатели…⬇
Бензиновые модели 1.2 л
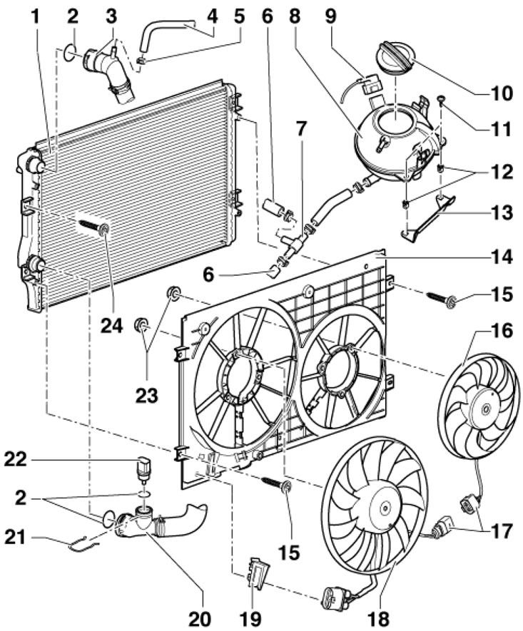
1. Детали установки радиатора и его вентилятора указаны на иллюстрации.
3.1. Детали установки радиатора и его вентилятора 1. Сборка радиаторов (для интеркулера и системы охлаждения двигателя); 2, 4. Шланг ОЖ, к турбокомпрессору; 3. Шланг ОЖ, к радиатору интеркулера; 5. Шланг ОЖ, к интеркулеру во впускном трубопроводе; 6. Вентилятор "V7" радиатора, с блоком управления "J293"; 7. Шланг ОЖ, к трубке ОЖ под впускным трубопроводом; 8. Шланг ОЖ, к охладителю двигательного масла; 9. Расширительный бачок, с датчиком "G32" низкого уровня ОЖ; 10. Разъём электропроводки; 11. Крышка бачка 9; 12, 17, 18, 28. Болт, 5 Нм; 13. Пластиковые вставки, для болтов; 14. Опора; 15. Шланг ОЖ, на циркуляционном насосе ОЖ "V50"; 16. Кожух вентилятора; 19. Шланг ОЖ, на корпусе термостата; 20. Шланг ОЖ, к радиатору отопителя; 21. Соединение, для верхнего шланга ОЖ; 22. Соединение, для нижнего шланга ОЖ; 23. Фиксатор; 24. Датчик "G83" температуры ОЖ на выходе радиатора; 25. Уплотнительное кольцо, подлежит замене; 26. Нижняя опора радиатора; 27. Верхняя опора радиатора
2. Снимите воздухоочиститель (см. Главу 4).
3. Выверните верхние болты крепления кожуха вентилятора (смотрите иллюстрацию), снимите звукоизоляцию под двигательным отсеком (см. Главу 11), разъедините разъём (1) и выверните нижние болты крепления кожуха.
3.3. Крепёж кожуха вентилятора
4. Снимите кожух вентилятора вниз. При необходимости выверните болты (смотрите иллюстрацию) и снимите вентилятор "V7".
3.4. Крепёж вентилятора на кожухе
5. При необходимости после снятия кожуха вентилятора можно снять радиатор, как описано далее.
6. Спустите ОЖ (см. Раздел 2).
7. Поднимите фиксатор (см. иллюстрацию 15.6 Главы 2) и снимите с радиатора верхнее левое соединение.
8. Снимите соединение верхнего правого шланга ОЖ для радиатора интеркулера.
9. Снимите передний бампер (см. Главу 11).
10. Снимите фары (см. Главу 12).
11. Выверните болты (2 на иллюстрации 3.11а) и (стрелки на иллюстрации 3.11b) крепления конденсатора холодильной установки.
3.11а. Крепёж конденсатора (2) и радиатора (1)
3.11b. Крепёж конденсатора
Замечание: Не отсоединяйте линии хладагента, не допускайте их перегибания и натягивания.
12. Выверните болты (1 на иллюстрации 3.11а) крепления радиатора, слегка наклоните его назад и снимите его вверх.
13. Установка производится в обратной последовательности.
Бензиновые модели 1.4 л
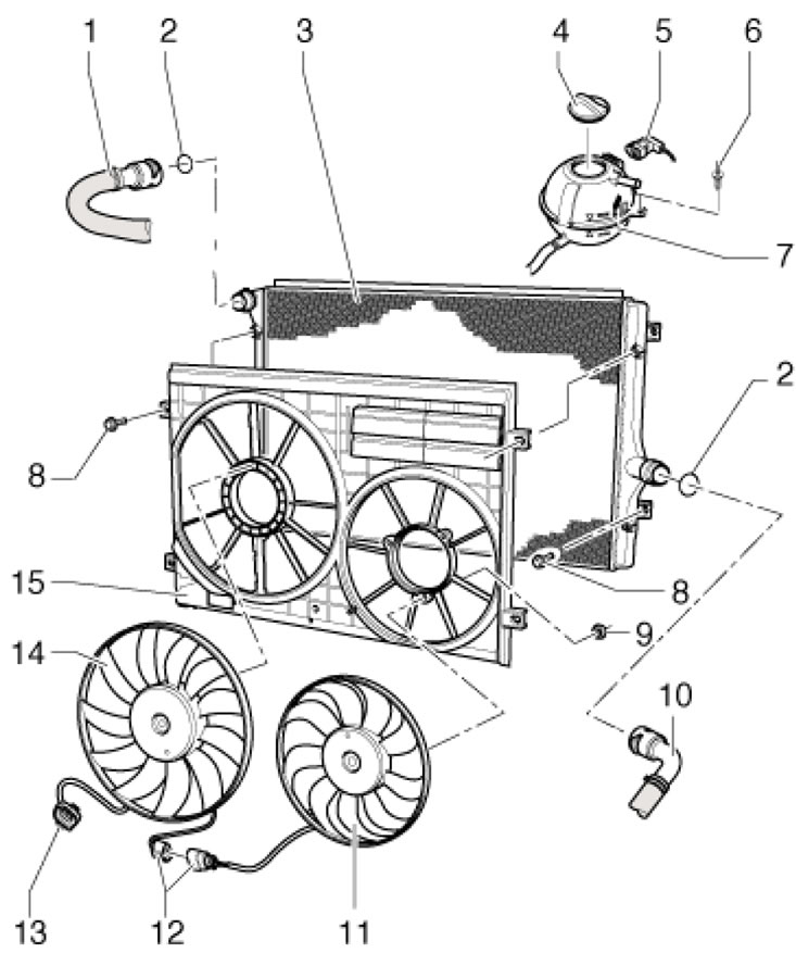
14. Детали установки радиатора и его вентиляторов указаны на иллюстрации.
3.14. Детали установки радиатора и его вентиляторов 1. Радиатор; 2. Уплотнительное кольцо, подлежит замене; 3. Верхний шланг ОЖ, к головке цилиндров; 4. Шланг ОЖ, к расширительному бачку; 5. Пружинный хомут; 6. Шланг ОЖ, к трубке ОЖ для радиатора интеркулера; 7. Соединительная трубка; 8. Расширительный бачок, с датчиком "G32" низкого уровня ОЖ; 9, 17. Разъём электропроводки; 10. Крышка бачка 8; 11. Болт, 3 Нм; 12. Пластиковые вставки, для болтов; 13. Опора; 14. Кожух вентиляторов; 15. Болт, 5 Нм; 16. Правый вентилятор "V35" радиатора; 18. Вентилятор "V7" радиатора, с блоком управления "J293"; 19. Держатель разъёма; 20. Нижний шланг ОЖ, к корпусу термостатов; 21. Фиксатор; 22. Датчик "G83" температуры ОЖ на выходе радиатора; 23. Гайка, 5 Нм; 24. Болт радиатора интеркулера, 5 Нм
15. Для снятия кожуха вентиляторов необходимо снять воздухоочиститель (см. Главу 4).
16. Радиатор снимается только после снятия кожуха вентиляторов и опорожнения системы охлаждения.
Бензиновые модели 1.8 л
17. Детали установки радиатора и его вентиляторов указаны на иллюстрации. Для снятия кожуха вентиляторов выполните действия, описанные в параграфах 18-20. Для снятия радиатора перейдите к параграфу 21.
3.17. Детали установки радиатора и его вентиляторов 1. Верхний шланг ОЖ, к насосу ОЖ; 2. Уплотнительное кольцо, подлежит замене; 3. Радиатор; 4. Прокладка, подлежит замене; 5. Крышка бачка 8; 6. Разъём электропроводки; 7. Болт, 3 Нм; 8. Расширительный бачок, с датчиком "G32" низкого уровня ОЖ; 9. Болт, 5 Нм; 10. Гайка, 10 Нм; 11. Правый вентилятор "V35" радиатора; 12. Вентилятор "V7" радиатора, с блоком управления "J293"; 13. Кожух вентиляторов; 14. Нижний шланг ОЖ, к корпусу термостата; 15. Фиксатор; 16. Датчик "G83" температуры ОЖ на выходе радиатора
18. Отожмите фиксаторы (смотрите иллюстрацию) и снимите крышку соединения.
3.18. Фиксаторы крышки соединения
19. Выверните болты (стрелки на иллюстрации) соединения (1) и снимите соединительный шланг (2) из направляющей.
3.19. Крепёж соединения
20. Выверните верхние болты кожуха вентиляторов (стрелки на иллюстрации), снимите звукоизоляцию под двигательным отсеком (см. Главу 11), разъедините разъём (1), выверните нижние болты кожуха и снимите его.
3.20. Крепёж кожуха вентиляторов
21. Спустите ОЖ (см. Раздел 2).
22. Разъедините разъём (1 на иллюстрации) и снимите кожух вентиляторов (см. параграфы 18-20).
3.22. Разъём (2)
23. Отсоедините от радиатора линии ОЖ сверху и снизу.
24. Выверните болты (1 и 2 на иллюстрации) и снимите радиатор вниз.
3.24. Крепёж радиатора
25. Установка производится в обратной последовательности. При установке нового радиатора замените ОЖ.
Дизельные модели 2.0 л (двигатели CFHC, CFJA, CLCB)
26. Детали установки радиатора и его вентиляторов указаны на иллюстрации.
3.26. Детали установки радиатора и его вентиляторов 1. Верхний шланг ОЖ, к головке цилиндров; 2. Уплотнительное кольцо, подлежит замене; 3. Радиатор; 4. Крышка бачка 7; 5, 12, 13. Разъём электропроводки; 6. Болт, 3 Нм; 7. Расширительный бачок, с датчиком "G32" низкого уровня ОЖ; 8. Болт, 5 Нм; 9. Гайка, 5 Нм; 10. Нижний шланг ОЖ, к 4/2-ходовому клапану и корпусу термостата; 11. Правый вентилятор "V35" радиатора; 12. Вентилятор "V7" радиатора, с блоком управления "J293"; 13. Кожух вентиляторов
27. Для снятия кожуха вентиляторов необходимо снять левый напорный воздушный шланг (см. Главу 4).
28. Радиатор снимается только после снятия кожуха вентиляторов и опорожнения системы охлаждения, по аналогии с двигателем 1.8 л (см. выше).
