41.1. Детали установки поддона картера и масляного насоса 1. Болт, 15 Нм; 2. Передний уплотнительный фланец; 3. Ремень привода масляного насоса; 4, 10. Болт, 10 Нм; 5. Щуп уровня двигательного масла; 6. Направляющая трубка щупа 5; 7. Фиксатор; 8. Центрирующие втулки; 9, 21. Уплотнительное кольцо, подлежит замене; 11. Масляный насос, с контрольным клапаном (на 4.5 бар) и предохранительным клапаном (на 10 бар); 12. Маслозаборник; 13. Успокоительная пластина; 14, 15, 17. Болт, 15 Нм; 16. Поддон картера; 18. Пробка сливного отверстия, подлежит замене вместе с её уплотнительным кольцом, 30 Нм; 19. Болт, подлежит замене, 10 Нм; 20. Датчик "G266" температуры и уровня двигательного масла; 22. Электропроводка датчика 20; 23. Клапан ограничения давления, открывается при 2.5 + 3.2 бар; 24. Масляная форсунка, для охлаждения днища поршня
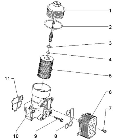
2. Детали установки корпуса масляного фильтра и маслоохладителя указаны на иллюстрации.
41.2. Детали установки корпуса масляного фильтра и маслоохладителя 1. Крышка с шестигранником 32 мм, 25 Нм; 2-4. Уплотнительное кольцо, подлежит замене; 5. Фильтрующий элемент; 6. Маслоохладитель; 7. Болт, 5 Нм, затем 11 Нм; 8. Прокладка, подлежит замене; 9. Болт, подлежит замене, 14 Нм, затем дотяните на угол 90°; 10. Держатель фильтрующего элемента и маслоохладителя; 11. Прокладка, подлежит замене
3. Описание снятия/установки деталей системы смазки не приводится ввиду простоты этих процедур.
