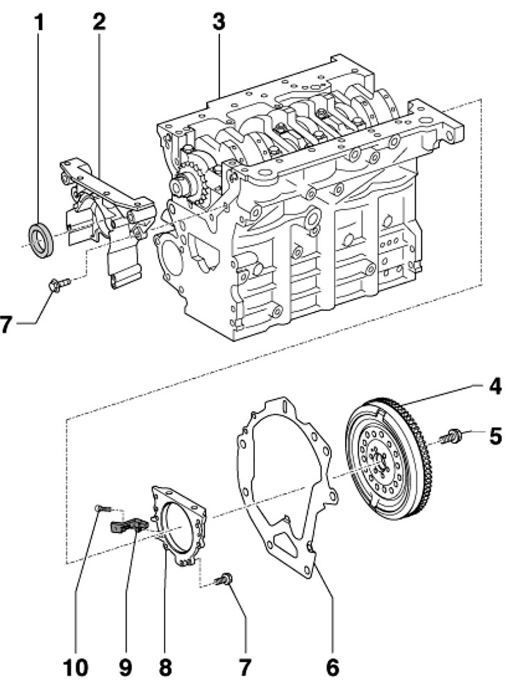
37.1. Детали установки сальников коленчатого вала, их уплотнительных фланцев и некоторых смежных компонентов 1. Передний сальник; 2. Передний уплотнительный фланец, устанавливается на центрирующие втулки на силиконовый герметик D 176 404 А2; 3. Блок цилиндров; 4. 2-массовый маховик; 5. Болт, подлежит замене, 60 Нм, затем дотяните на угол 90°; 6. Промежуточная пластина, устанавливается на центрирующие втулки; 7. Болт, подлежит замене, 15 Нм; 8. Задний уплотнительный фланец с задним сальником и ротором датчика СКР, заменяется только в сборе; 9. Датчик СКР "G28"; 10. Болт, 5 Нм
Замечание: Не наносите дополнительную смазку на уплотнительные губки сальников коленчатого вала. Перед установкой сальника удалите чистой тканью остатки масла с коленчатого вала.
2. Для снятия переднего сальника необходимо снять ремень ГРМ (см. Раздел 36), и зубчатое колесо коленчатого вала. Для извлечения/напрессовывания сальника используйте подходящие съёмник и оправку. Напрессовывайте сальник на вал заподлицо с краями отверстия в уплотнительном фланце.
Текст получен с веб-сайта skodabook.ru
3. Для снятия переднего уплотнительного фланца необходимо снять ремень ГРМ (см. Раздел 36), зубчатое колесо коленчатого вала и поддон картера двигателя (см. Раздел 41). При установке нанесите на фланец валик силиконового герметика D176 404А2 диаметром 2-3 мм, как указано на иллюстрации.
37.3. Схема нанесения герметика на передний уплотнительный фланец
4. Снятие и установка маховика и заднего уплотнительного фланца производятся также, как на двигателе 1.2 л (см. Раздел 8). Отличие заключается только в использовании направляющего пальца (F, с чёрной рукояткой) вместо направляющего пальца (G, с красной рукояткой), - см. иллюстрацию 8.25.
