Оглавление: Бензиновые двигатели 1.2 и 1.4 л ⬇ Бензиновые двигатели 1.8 л ⬇ Дизельные двигатели 2.0 л (CFHC,…⬇
1. Описание замены фильтрующего элемента приведено в Разделе 16 Главы 1. Далее описывается процедура снятия сборки воздухоочистителя.
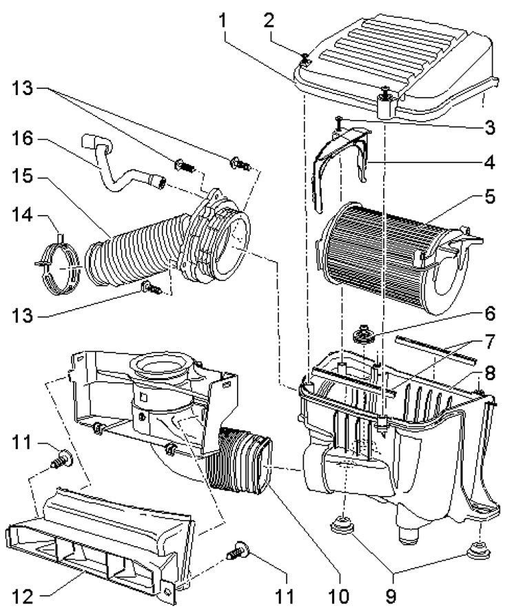
Бензиновые двигатели 1.2 и 1.4 л
Замечание: Описание снятия/установки приводится на примере двигателя 1.2 л.
2. Детали установки и сборки воздухоочистителя указаны на иллюстрации.
4.2. Детали установки и сборки воздухоочистителя бензиновых двигателей 1.2 и 1.4 л 1. Крышка воздухоочистителя; 2, 3, 11, 13. Болт, 2 Нм; 4. Держатель; 5. Фильтрующий элемент; 6. Резинометаллическая опора с невыпадающим винтом, 8 Нм; 7. Уплотнители; 8. Корпус воздухоочистителя; 9. Резиновая опора; 10. Впускное соединение, с крышкой; 12. Воздухозаборник; 14. Пружинный ленточный хомут; 15. Воздушный шланг, к турбокомпрессору; 16. Вакуумный шланг, к крышке головки цилиндров
3. Отожмите фиксаторы (стрелки на иллюстрации) и снимите крышку (1) с впускного соединения. Отделите впускное соединение от воздухозаборника, ослабьте хомут (2) и снимите воздушный шланг с турбокомпрессора.
4.3. Соединения воздухоочистителя
4. Отсоедините от корпуса воздухоочистителя вакуумный шланг (1 на иллюстрации), выверните болт (2) и снимите воздухоочиститель с опор (3) по направлению вверх.
4.4. Вакуумный шланг и крепёж воздухоочистителя
6. Установка производится в обратной последовательности.
Бензиновые двигатели 1.8 л
7. Детали установки и сборки воздухоочистителя указаны на иллюстрации.
4.7. Детали установки и сборки воздухоочистителя бензиновых двигателей 1.8 л 1. Пружинный хомут; 2. Впускной шланг, к тур бокомпрессору; 3. Датчик "G70" расхода воздуха с датчиком IAT №2 "G299"; 4, 5. Невыпадающие болты крышки 6, 1.5 Нм; 6. Крышка воздухоочистителя; 7. Фильтрующий элемент; 8. Невыпадающий болт крепления корпуса воздухоочистителя, 8 Нм; 9. Снегозащитный экран, не на всех моделях; 10. Корпус воздухоочистителя; 11. Соединение для шланга 12; 12. Дренажный шланг; 13. Одноходовой (переливной) клапан; 14. Соединительный шланг, к держателю замка капота
8. Снимите верхнюю крышку двигателя.
9. Отпустите фиксаторы (см. иллюстрацию 3.18 Главы 3) и снимите крышку соединения.
10. Выверните болты (стрелки на иллюстрации 3.19 Главы 3) соединения (1) и снимите соединительный шланг (2) с направляющей. Снимите воздухозаборник.
11. Разъедините разъём (2 на иллюстрации) совмещённых датчиков, ослабьте и стяните хомут (1), выверните болт (3), ослабьте две направляющих корпуса воздухоочистителя и снимите его вверх из-под верхнего шланга ОЖ.
4.11. Снятие воздухоочистителя моделей 1.8 л
12. Установка производится в обратной последовательности.
Дизельные двигатели 2.0 л (CFHC, CFJA и CLCB)
13. Детали установки и сборки воздухоочистителя указаны на иллюстрации.
4.13. Детали установки и сборки воздухоочистителя дизельных двигателей CFHC, CFJA и CLCB 1. Впускной шланг, к турбокомпрессору; 2. Опора вентиляционной трубки, с подогревом (только для стран с холодным климатом); 3. Соединительная трубка PCV; 4, 19. Болт, 2 Нм; 5. Датчик "G70" расхода воздуха; 6. Уплотнительное кольцо; 7. Болты крепления крышки 11,2 Нм; 8. Болты крепления корпуса 13, 8 Нм; 9. Втулка; 10. Шайба; 11. Крышка воздухоочистителя; 12. Фильтрующий элемент; 13. Корпус воздухоочистителя; 14. Соединение дренажного шланга; 15. Перепускной клапан; 16. Дренажный шланг; 17. Соединительный шланг; 18. Воздухозаборник, крепится на держателе замка капота; 20. Впускной воздуховод; 21. Крышка воздуховода 20; 22, 23. Пружинный пластиковый хомут; 24. Впускное соединение, с фиксирующим винтом, 9 Нм; 25. Уплотнительное кольцо, подлежит замене
14. Снимите верхнюю крышку двигателя.
15. Отпустите фиксаторы (см. иллюстрацию 3.18 Главы 3) и снимите крышку впускного воздуховода.
16. Выверните болты (стрелки на иллюстрации 3.19 Главы 3) впускного воздуховода (1) и снимите соединительный шланг (2) с направляющей.
17. Надавите на фиксаторы (1 и 3 на иллюстрации 6.6 Главы 3) и вытяните соединительный шланг (4) с воздухоочистителя (2).
18. Разъедините разъём (1 на иллюстрации) датчика MAF, отсоедините вакуумный шланг (3) и впускной шланг турбокомпрессора (2). Выверните болт (4) и снимите воздухоочиститель вместе с датчиком MAF.
4.18. Снятие воздухоочистителя
19. Установка производится в обратной последовательности.
