Оглавление: Шкив коленчатого вала ⬇ Кожух цепи привода ГРМ ⬇
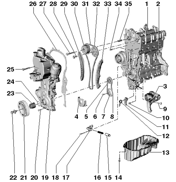
1. Детали установки кожуха привода ГРМ указаны на иллюстрации.
17.1. Детали установки привода ГРМ 1. Головка цилиндров, с распределительными валами; 2. Блок цилиндров; 3. Кронштейн вспомогательных агрегатов; 4. Крышка; 5. Звёздочка коленчатого вала, опорные поверхности не должны быть смазаны; 6. Болт, подлежит замене, 20 Нм, затем дотяните на угол 90°; 7. Звёздочка масляного насоса; 8. Цепь привода масляного насоса; 9. Болт, 25 Нм; 10, 14. Болт, 15 Нм; 11. Натяжитель цепи 8; 12. Пружина натяжителя 11; 13. Поддон картера, устанавливается на герметик D176 404А2; 15. Поршень; 16. Пружина; 17. Натяжитель цепи ГРМ; 18. Болт, 9 Нм; 19. Кожух цепи 31; 20. Болт, 10 Нм; 21. Шкив коленчатого вала, опорные поверхности не должны быть смазаны; 22. Болт шкива 21, подлежит замене, 150 Нм, затем дотяните на угол 180°, при затягивании резьба должна быть смазана, а опорная поверхность - нет; 23. Втулка; 24.Уплотнительное кольцо, подлежит замене; 25. Болт, 50 Нм; 26. Прокладка; 27. Болт с левой резьбой, подлежит замене, 40 Нм, затем дотяните на угол 90'; 28. Болт, подлежит замене, 50 Нм, затем дотяните на угол 90°; 29. Натяжная планка цепи 31; 30. Регулятор фаз ГРМ; 31. Цепь привода ГРМ; 32. Звёздочка выпускного вала; 33. Направляющая планка цепи 31; 34. Направляющий болт-шпилька, 20 Нм; 35. Втулка
Шкив коленчатого вала
2. Снимите приводной ремень (см. Раздел 16).
3. Удерживая шкив от проворачивания приспособлением Т30004 с болтом Т30004/1, выверните болт крепления шкива и снимите шкив (смотрите иллюстрацию).
17.3. Болты крепления правой опоры двигателя
Внимание: После снятия шкива не проворачивайте коленчатый вал, чтобы не допустить сползания с него цепи.
4. Установите шкив и затяните новый болт его крепления от руки. Опорные поверхности болта, шкива и втулки не должны быть смазаны.
5. Проверните коленчатый вал в положение ВМТ поршня №1 (см. Раздел 19).
6. Выверните болты (1 и 3 на иллюстрации) и снимите кронштейн (2) правой трубки ОЖ.
17.6. Болты крепления кронштейна
Замечание: При установке затягивайте болт (1) с усилием 8 Нм, а болт (3) - с усилием 40 Нм.
7. Выверните пробку сервисного отверстия в блоке цилиндров и вверните в него стопорный болт Т10340 до упора, с усилием 30 Нм (смотрите иллюстрацию). Этот болт предотвращает проворачивание коленчатого вала из положения ВМТ при затягивании болта крепления шкива.
17.7. Приспособление T10340
8. Удерживая шкив от проворачивания приспособлением Т30004 с болтом Т30004/1, затяните болт крепления шкива с усилием 150 Нм, а затем дотяните его на угол 90°.
9. Выверните стопорный болт Т10340 и затяните пробку сервисного отверстия с усилием 30 Нм.
10. Дальнейшая установка производится в обратной последовательности.
Кожух цепи привода ГРМ
11. Снимите верхнюю крышку двигателя. Для этого выверните болты (1 на иллюстрации 15.2), отцепите шланги ОЖ (2) и вытяните крышку вверх.
Замечание: При установке затягивайте болты с усилием 8 Нм.
12. Выверните болт (1 на иллюстрации) трубки ОЖ и снимите шланг PCV (2) с кожуха цепи ГРМ.
17.12. Линия ОЖ (1) и шланг PCV
13. Отсоедините линию вентиляции (1 на иллюстрации).
17.13. Линия вентиляции
14. Отсоедините от адсорбера шланг (1 на иллюстрации), идущий к впускному трубопроводу. Высвободите адсорбер в направлении стрелки (В) и снимите его с кронштейна в направлении стрелки (А).
17.14. Снятие адсорбера EVAP
15. Отдайте крепёж кронштейна (3 на иллюстрации) адсорбера, выверните болт горловины (2), разъедините разъём датчика низкого уровня ОЖ и вытяните проводку с расширительного бачка. Выверните болты крепления расширительного бачка (1) и отложите его в сторону, не отсоединяя шланги ОЖ.
17.15. Обеспечение доступа к кожуху
16. Снимите приводной ремень (см. Раздел 16).
17. Снимите шкив водяного насоса (см. Главу 3).
18. Разъедините разъём (1 на иллюстрации 5.22) магнитной муфты компрессора и выверните болты (стрелки). Снимите компрессор климатической системы, не отсоединяя от него линии хладагента, и закрепите его на держателе замка капота на проволоке так, чтобы линии хладагента не были натянуты или перегнуты.
19. Снимите кронштейн вспомогательных агрегатов (см. Раздел 16).
20. Выверните полый болт (2 на иллюстрации) подающей масляной линии (1) турбокомпрессора из кожуха (3) цепи ГРМ.
17.20. Полый болт масляной линии
21. Снимите генератор и промежуточный ролик (2 на иллюстрации), проверните коленчатый вал в положение ВМТ. Снимите шкив коленчатого вала (см. подраздел выше) и поддон картера двигателя (см. Раздел 21).
17.21. Крепёж генератора и промежуточного ролика
22. Установите приспособление Т30099, как указано на иллюстрации и разгрузите опору двигателя.
17.22. Разгрузка опоры двигателя
Замечание: Если кожух снимается только для разборки головки цилиндров, вместо указанного приспособления используйте приспособление для разгрузки опоры при разборке головки цилиндров.
23. Выверните болты (1-6 на иллюстрации) и снимите опору двигателя.
17.23. Крепёж опоры двигателя
24. Выверните болты (1-6 и стрелки на иллюстрации) и снимите кожух. При необходимости слегка приподнимите двигатель. Втулка коленчатого вала должна остаться в кожухе. Извлеките из кожуха передний сальник коленчатого вала.
17.24. Крепёж кожуха цепи ГРМ
25. Удалите с сопрягаемых поверхностей остатки герметика и очистите их от смазки, используя соответствующее химическое средство. Вставьте новые уплотнительные кольца в заднюю сторону кожуха (смотрите иллюстрацию).
17.25. Уплотнительные кольца на задней стороне кожуха
26. Нанесите на указанные на иллюстрации места (1 и 2) пятна герметика D176 501А1 диаметром 10 мм и толщиной 1 мм, чтобы предотвратить течи между кожухом и стыками головки цилиндров с её крышкой и блоком цилиндров.
17.26. Места нанесения герметика
27. Установите на центрирующие втулки новую прокладку. Для облегчения центрирования вверните в головку и блок цилиндров две шпильки М6х80. Надвиньте кожух цепи ГРМ вместе с втулкой для коленчатого вала на шпильки и центрирующие втулки.
28. Равномерно, в диагональном порядке, затяните болты крепления кожуха: болты М6 - с усилием 10 Нм, а болты М10 - с усилием 50 Нм.
29. Отрегулируйте положение опоры двигателя (см. Раздел 15).
30. Установите передний сальник коленчатого вала (см. Раздел 8).
31. Установите шкив коленчатого вала (см. подраздел выше).
32. Закрепите подающую масляную трубку турбокомпрессора.
33. Дальнейшая установка производится в обратной последовательности.
