Внимание: Наличие металлической стружки или большого количества мелких металлических частиц, обнаруженных при ремонте двигателя, может указывать на повреждения подшипников коленчатого вала и шатунов. Чтобы предотвратить развитие дальнейших повреждений, тщательно очистите масляные каналы и замените масляные форсунки, маслоохладитель и масляный фильтр.
Замечание: Если снимаемые детали предполагается использовать повторно, располагайте их таким образом, чтобы при установке расположить их в прежних местах и в прежней ориентации.
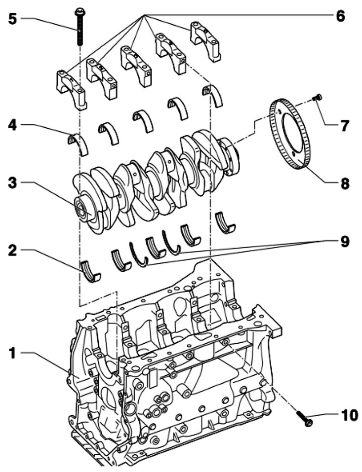
1. Детали установки и сборки коленчатого вала и шатунно-поршневой группы указаны на иллюстрациях.
33.1а. Детали установки коленчатого вала 1. Блок цилиндров; 2. Коренные подшипники на стороне блока цилиндров, с масляными канавками; 3. Коленчатый вал; 4. Коренные подшипники на стороне крышек, без масляных канавок; 5. Болт, подлежит замене; 6. Крышки коренных подшипников; 7. Болт, подлежит замене, 10 Нм, затем дотяните на угол 90°, после ослабления замените ротор 8; 8. Ротор датчика СКР, подлежит замене; 9. Опорные шайбы коренного подшипника №3; 10. Болт, подлежит замене
33.1b. Детали установки шатунно-поршневой группы 1. Болты крепления крышки 2, подлежат замене, затягиваются со смазанной резьбой и сопрягаемой поверхностью, 30 Нм, затем дотяните на угол 90°; 2. Крышка шатунного подшипника, устанавливается только в одном положении и только на парный шатун (см. пункт 11); 3. Вкладыши шатунного подшипника; 4. Клапан сброса давления, на 1.6+1.9 бар, 27 Нм; 5. Масляная форсунка для охлаждения поршня; 6. Стопорное кольцо; 7. Поршневой палец, для облегчения снятия нагрейте поршень до 60°C; 8. Поршень с камерой сгорания, стрелка на днище должна быть обращена к приводу ГРМ; 9. Компрессионные кольца, устанавливаются с интервалом 120° между замками, метка "ТОР" должна быть обращена к днищу поршня; 10. Маслосъёмное кольцо, 2-составное, замок верхней части устанавливается с интервалом 120° от замка ближнего компрессионного кольца; 11. Шатун, заменяется только в сборе с крышкой 2, с меткой "А" принадлежности к цилиндру и меткой "В " стороны привода ГРМ
2. Нумерация крышек коренных подшипников коленчатого вала начинается со стороны привода ГРМ. Выступы для удерживания вкладышей коренных подшипников в блоке цилиндров и в крышках должны совпадать.
3. Вкладыши коренных подшипников с масляными канавками устанавливаются в блок цилиндров, а без масляных канавок - в крышки коренных подшипников.
4. После снятия коленчатого вала укладывайте его так, чтобы он не опирался на ротор датчика СКР.
5. Последовательность затягивания болтов крепления крышек коренных подшипников указана на иллюстрации. Сначала затяните болты (1-10) и (стрелки А) от руки, затем затяните болты (1-10) с усилием 65 Нм, а затем дотяните их на угол 90°. После этого затяните болты (стрелки А) с усилием 20 Нм, а затем дотяните их на угол 90°.
33.5. Последовательность затягивания болтов крепления крышек коренных подшипников
6. Вкладыши коренных подшипников устанавливайте с правильной цветовой маркировкой, определяемой по букве в соответствующей позиции кода. Буквенный код для определения цветовой маркировки используемых вкладышей на стороне блока цилиндров может быть указан либо на поверхности блока цилиндров, сопрягаемой с поддоном картера (см. иллюстрацию 33.6а), либо на торце блока цилиндров (см. иллюстрацию 33.6b). Буквенный код для определения цветовой маркировки вкладышей, устанавливаемых в крышки коренных подшипников, указан на коленчатом валу (см. иллюстрацию 33.6с). Буквы в коде означают следующие цветовые метки на вкладышах: S - чёрный, R - красный, В - синий, G - жёлтый, W - белый.
33.6а. Код для определения маркировки верхних вкладышей (указан на нижней поверхности блока цилиндров)
33.6b. Код для определения маркировки верхних вкладышей (указан на торцевой поверхности блока цилиндров)
33.6с. Код для определения маркировки нижних вкладышей
7. Шатуны и крышки шатунных подшипников изготавливаются методом откалывания, поэтому их следует заменять только вместе. Метки на шатунах и крышках шатунных подшипников должны находиться на одной стороне. Вкладышей шатунных подшипников устанавливайте по центру (как в шатуне, так и в его крышке), чтобы расстояние (а на иллюстрации) с обеих сторон было одинаковым. Вкладыши с отверстием устанавливаются в шатуны (1), а вкладыши без отверстия - в крышки шатунных подшипников (2).
33.7. Установочное положение вкладышей шатунных подшипников
8. На новых шатунах крышка шатунного подшипника может быть не полностью отломана от шатуна. Если отломать её рукой не удаётся, слегка закрепите шатун в тисках с мягкими губками ниже линии разлома (ниже центра отверстия), выверните болты крепления крышки на 5 оборотов и ударьте по крышке молотком с пластиковым бойком (см. иллюстрацию 14.4).
