1.1. Местоположение идентификационных данных DSG "0AM"
Основной особенностью DSG является наличие двух параллельных сцеплений, что позволяет быть выбранными сразу двум передачам (включена только одна передача). Поэтому при переключении передач время тратится только на выключение одного сцепления и включение другого. Моменты переключения сцеплений при переключении передач перекрываются, что делает возможным ускорение практически без прерывания потока мощности, позволяя экономить от 4 до 8% топлива. Прерывание потока мощности является главным недостатком традиционных РКПП, автоматических трансмиссий и вариаторных трансмиссий, работающих в ручном режиме.
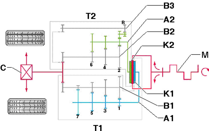
Трансмиссия DSG "0АМ" является усовершенствованным вариантом 6-ступенчатой трансмиссии DSG 02Е (см. Часть В). В ней применяются два однодисковых сухих сцепления. Кинематическая схема представлена на иллюстрации 1.2. Крутящий момент от двигателя передаётся на двойное сцепление через 2-массовый маховик. Как и в РКПП, передаточные отношения формируются парами шестерён, расположенных на двух входных и трёх выходных валах. Все шестерни - цилиндрические косозубые. Т.к. используется два сцепления, входной вал разделён на два соосных вала: центральный (I на иллюстрации 1.3) и полый наружный (А), т.е. центральный вал находится внутри полого. Ведомые шестерни находятся на трёх валах (1-3). Объединённое сцепление приводится гидромеханически, с автоматическим управлением по командам от электронного блока управления трансмиссией.
1.2. Схема передачи крутящего момента А1. Входной вал № 1; А2. Входной вал №2; В1-В3. Выходной вал № 1 -№3; С. Главная передача; К1. Сцепление № 1; К2. Сцепление №2; М. Двигатель; Т1. Часть DSG с нечётными передачами; Т2. Часть DSG с чётными передачами и передачей заднего хода
1.3. Валы DSG "0AM" А. Наружный входной вал; I. Внутренний входной вал 1-3. Выходной вал 1-3
Для исправной работы трансмиссии крайне важно поддерживать корректный уровень жидкостей в ней. В DSG "0AM" имеется два контура рабочих жидкостей, в каждом из которых применяются разные рабочие жидкости. Один контур (А на иллюстрации 1.4) - с трансмиссионным маслом, а другой (В) - с рабочей жидкостью гидравлического блока управления "Mechatronic". Обе этих жидкости заправлены на весь срок службы трансмиссии, их проверка и корректировка уровня не предусмотрены. Правильный уровень достигается при замене трансмиссионного масла. Применён режим периодического включения гидравлического насоса "V401" в соответствии с потребностями системы управления. В этом режиме гидравлический насос включается только тогда, когда давление в блоке управления "Mechatronic" падает ниже определённого значения. Таким образом для функционирования блока "Mechatronic" не требуется постоянная работа насоса.
1.4. Контуры рабочих жидкостей DSG "0AM"
Основные детали DSG указаны на иллюстрации 1.5.
1.5. Основные детали DSG "0AM" 1. Колпачок сапуна DSG; 2. Крышка для заправки трансмиссионного масла; 3. Рычаг механизма селектора; 4. Колпачок сапуна блока 5; 5. Блок управления "Mechatronic"; 6. Двойное сцепление; 7. Вал со шлицами (до 11.2008 г.) или фланцевый вал (с 11.2008 г); 8. Пробка сливного отверстия, 30 Нм; 9. DSG "0АМ"
Данные взяты с этого портала [skodabook.ru]
Описание управления трансмиссией и её режимов приведено в Главе "Органы управления и приёмы эксплуатации". Переключение передач осуществляется посредством гидравлической активации, с электронным управлением.
Для ремонта трансмиссии требуется множество специальных приспособлений, поэтому разборку и сборку трансмиссии и её узлов следует поручить специалистам СТО, располагающих соответствующим оборудованием.
