Код РКПП указан на наклейке с данными автомобиля (см. Введение). Обозначение (например, "02Q", 2 на иллюстрациях 1.1a,d), код и дата выпуска (см. иллюстрации 1.1b-d) РКПП дополнительно указаны на самой РКПП. Код и дата выпуска представляет собой буквенно-цифровую последовательность, например, "LHX 14099". В этой последовательности "LHX" - идентификационный код, "14" - день, "09" - месяц, а "9" - год (2009) выпуска трансмиссии.
1.1а. Местоположение обозначения РКПП 0А4
1.1b. Местоположение кода и даты производства РКПП 0А4
1.1с. Местоположение кода и даты производства РКПП 0AJ
1.1d. Код с датой производства (1) и обозначение (2) РКПП 02Q
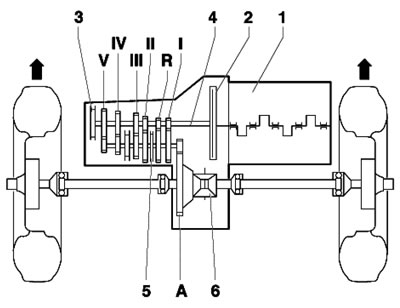
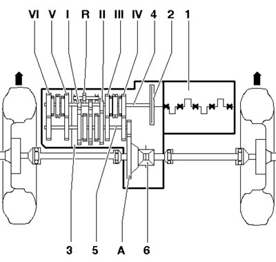
Коробка передач помещена в литой картер, присоединённый к заднему торцу блока цилиндров. Корпус РКПП оснащён отверстиями для спуска, проверки и корректировки уровня масла, закрытыми резьбовыми пробками. Вращение на входной (ведущий) вал РКПП передаётся от коленчатого вала двигателя через узел сцепления. Ведомый диск сцепления установлен на шлицах первичного вала. Схематичное представление организации передачи крутящего момента приведено на иллюстрациях 1.2а-с. В РКПП 02Q используются две главных передачи: I - для передач с 1-й по 4-ю, II - для 5-й и 6-й передач, а также для передачи заднего хода.
1.2а. Схематичное представление организации передачи крутящего момента РКПП 0А4 Стрелки; Направление движения; 1. Двигатель; 2. Сцепление; 3. РКПП; 4. Входной вал; 5. Выходной вал; 6. Дифференциал; I-VI. 1-6 передачи; R. Передача заднего хода; А. Главная передача
1.2b. Схематичное представление организации передачи крутящего момента РКПП OAJ Стрелки; Направление движения; 1. Двигатель; 2. Сцепление; 3. РКПП; 4. Входной вал; 5. Выходной вал; 6. Дифференциал; I-VI. 1-6 передачи; R. Передача заднего хода; А. Главная передача
1.2с. Схематичное представление организации передачи крутящего момента РКПП 02Q моделей AWD Стрелки; Направление движения; 1. Двигатель; 2. Сцепление; 3. РКПП; 4. Входной вал; 5. Выходной вал 5-й, 6-й передач и передачи заднего хода; 6. Выходной вал 1-й - 4-й передач; 7. Передний дифференциал; 8. Угловая передача; 9. Карданный вал; 10. Муфта Haldex; 11. Задняя главная передача; 12. Задний дифференциал; I-VI. 1-6 передачи; R. Передача заднего хода; А. Передняя главная передача; W1. Передняя угловая передача; W2. Задняя угловая передача
Переключение передач осуществляется посредством рычага переключения передач, расположенного на центральной консоли, через тросовые приводы (см. иллюстрации 1.3а-b).
1.3а. Организация привода переключения передач на моделях с РКПП 0А4 Стрелка А. Перемещение выбора передачи; Стрелка В. Перемещение выбора паза; А. Трос выбора передачи; В. Трос выбора паза; С. Термозащитный экран; 1. Рычаг выбора передачи (селектора); 2. Рычаг выбора паза
1.Зb. Организация привода переключения передач на моделях с РКПП 0А4
См. подписи к иллюстрации 1.3а
1.3с. Организация привода переключения передач на моделях с РКПП 02Q
См. подписи к иллюстрации 1.3а
