Сборка рулевого механизма
1 - Сальник; 2 - Винт (7 Нм); 3 - Пружинная шайба; 4 - Крышка картера; 5 - Уплотнительное кольцо; 6 - Уплотнительная прокладка; 7 - Регулировочные шайбы; 8 - Шарикоподшипник; 9 - Шестерня; 10 - Зубчатая рейка; 11 - Втулка; 12 - Стопорное кольцо; 13 - Картер рулевого механизма; 14 - Опорная шайба; 15 - Пружина; 16 - Регулировочные прокладки; 17 - Уплотнительная прокладка; 18 - Крышка; 19 - Пружинная шайба; 20 - Болт (7 Нм)
Картер рулевого механизма
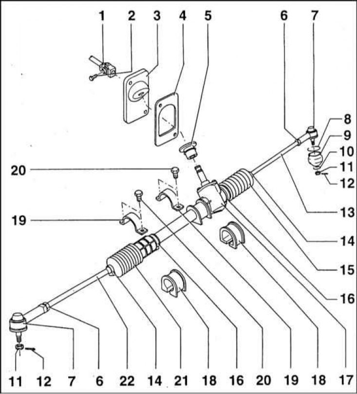
1 - Карданный промежуточный вал рулевой рейки; 2 - Болт (5 Нм); 3 - Защитный лист; 4 - Уплотнительная прокладка; 5 - Сальник; 6 - Гайка (60 Нм); 7 - Наконечник поперечной рулевой тяги; 8 - Стопорное кольцо; 9 - Защитный чехол шарового шарнира; 10 - Кольцо; 11 - Корончатая гайка; 12 - Шплинт; 13 - Левая рулевая тяга; 14 - Хомут; 15 - Защитный чехол; 16 - Соединительное звено; 17 - Картер рулевого механизма; 18 - Резиновая подушка; 19 - Хомут резиновой подушки; 20 - Болт (25 Нм); 22 - Правая рулевая тяга
Расположение компонентов рулевого управления с гидроусилителем
1 - Рулевой насос; 2 - Резервуар; 3 - Рулевой механизм с распределителем и силовым цилиндром
Рулевой механизм с гидроусилителем
1 - Силовой цилиндр; 2 - Реечная передача; 3 - Клапан-распределитель; 4 - Резервуар; 5 - Рулевой насос
Шиберный рулевой насос
1 - Ротор; 2 - Статор; 3 - Корпус; 4 - Крышка; 5 - Фланец шкива; 6 - Предохранительный клапан
Общая информация
Модели без гидроусилителя
Реечная передача преобразует поворот рулевой колонки в движение тяг, поворачивающих управляемые колеса автомобиля.
Картер рулевого механизма изготовлен из алюминиевого сплава. Передача состоит из приводного вала-шестерни и зубчатой рейки.
Вал привода рулевого механизма оснащен шестерней и установлен в картере реечной передачи в двух подшипниках типа PLC 03-29/1. Сборка вала находится в постоянном зацеплении с зубчатой рейкой, жестко соединенной с рулевыми тягами. Вращение вала вызывает перемещение рейки вправо или влево. Вместе с рейкой двигаются и рулевые тяги, заставляющие поворачиваться передние колеса автомобиля.
Картер рулевого механизма сверху закрыт крышкой, закрепленной двумя болтами М6х20. Крышка устанавливается на уплотнительную прокладку. Посередине картера предусмотрено отверстие, через которое проходит вал привода рулевого механизма. С целью герметизации сборки в отверстие установлен сальник 17х28х7.
Информация скопирована с ресурса SkodaBook.ru
С целью выборки люфта подшипников вала применяются регулировочные шайбы толщиной 0.1 и 0.2 мм.
Боковое отверстие в картере также закрыто крышкой, которая крепится двумя болтами М6х20. Под крышкой установлена уплотнительная прокладка. Через отверстие посередине крышки проходит болт, предназначенный для регулировки зазора в зацеплении вала с зубчатой рейкой. Положение болта фиксируется контргайкой. Требуемый зазор в зацеплении поддерживается подпружиненным сухарем и оборудованным уплотнительным кольцом 28х20.
Правая сторона картера рулевого механизма представляет собой трубу, внутри которой посажена втулка. Во втулке помещается зубчатая рейка. Концы рейки соединены с рулевыми тягами.
Резиновые защитные чехлы предохраняют рулевой механизм от попадания загрязнений, а также предотвращают вытекание смазки, которой заполнен картер.
Рулевой механизм прикреплен к кронштейну поперечиной балки передней подвески на двух резиновых опорах, которые установлены в обоймах. Каждая из обойм крепится при помощи двух болтов М8х20. Как опоры, так и обоймы отличаются друг от друга (компоненты большего размера устанавливаются ближе к рулевому механизму).
Модели с гидроусилителем руля
Элементы рулевого управления с гидроусилителем изготавливаются компанией TRW Dusseldorf.
В состав системы входят реечный рулевой механизм, объединенный в одном корпусе с силовым цилиндром и клапаном-распределителем, рулевой насос, резервуар гидравлической жидкости и соединительные гидравлические линии.
Рулевые тяги несколько короче используемых на моделях с ручным приводом рулевого механизма. Полный ход рулевого колеса (от упора до упора) составляет 3.0 оборота (против 3.6 оборота в моделях с ручным приводом). Уменьшение числа оборотов вала связано с меньшим передаточным отношением реечного механизма.
Примечание. Ввиду сказанного, при отказе системы гидроусиления рулевое управление продолжает работать, однако требует прикладывания больших усилий во время совершения поворотов.
При работающем двигателе гидравлическая жидкость подается рулевым насосом к клапану-распределителю реечного механизма. В начальный момент поворота рулевого колеса (до начала перемещения рейки) происходит поворот клапана-распределителя и жидкость направляется в соответствующую полость силового цилиндра. Пока водитель прикладывает усилие к рулевому колесу, клапан-распределитель смещен и жидкость продолжает поступать в цилиндр. Как только поворот колеса прекращается, клапан-распределитель смещается в среднее положение и подача жидкости в цилиндр прекращается (напорная магистраль соединяется с возвратной). Насос при этом продолжает работать в холостом режиме, свободно прокачивая жидкость сквозь клапан. Таким образом, гидроусилитель постоянно остается готовым к работе. Если водитель, вывернув руль до упора, продолжает прикладывать к нему усилие в крайнем положении, клапан-распределитель остается в смещенном положении и давление жидкости продолжит воздействовать на поршень цилиндра. При этом развивается максимальная производительность насоса и происходит интенсивный разогрев жидкости в результате повышения ее давления. Ввиду сказанного, не следует чрезмерно долго удерживать рулевое колесо в крайнем положении, рискуя вывести устройство из строя. Степень усиления зависит величины усилия, прикладываемого к рулевому колесу - чем сильнее водитель давит на руль, тем больше смещается клапан-распределитель, повышая расход жидкости и развиваемую усилителем мощность.
При наезде колесом на препятствие (например, поребрик или камень), клапан-распределитель стремится сместиться в среднее положение, давление жидкости снижается, а усилие на рулевой привод возрастает. Водитель стремится удержать колеса в нужном положении; при этом клапан-распределитель смещается из среднего положения и направляет поток жидкости в соответствующую полость цилиндра, не давая рейке сдвигаться. Таким образом осуществляется обратная связь от колес к водителю.
Рабочий тракт системы гидроусиления заполнен специальной жидкостью Pentosin CHF 11 S в количестве 0.9 л, которая одновременно выполняет роль смазки для компонентов рулевого механизма и насоса. Гидравлические линии, проложенные между насосом, клапаном-распределителем, силовым цилиндром и резервуаром гидравлической жидкости выполнены из металлических трубок и резиновых шлангов. Каждая секция оборудована специальными штуцерными наконечниками.
Главным рабочим элементом системы является шиберный рулевой насос. Ротор с подвижными пластинами вращается в статоре специальной формы. При работе насоса жидкость поступает со стороны разрежения, попадает в камеру, образованную пластинами ротора и стенками статора. Объем камеры по мере поворачивания ротора постепенно уменьшается, давление жидкости возрастает и она начинает выталкиваться в по соединительной линии в клапан-распределитель. При превышении максимального допустимого давления срабатывает предохранительный клапан, соединяющий рабочую полость с камерой разрежения. Давление при этом скачкообразно падает. Максимальная производительность насоса достигается при частоте вращения ротора от 500 до 700 об/мин. Максимальный напор, развиваемый насосом составляет 20 кПа. Привод насоса осуществляется мультиреберным ремнем, параллельно используемым также для привода компрессора К/В, генератора и насоса.
Силовой цилиндр, объединенный с рулевым механизмом и клапаном-распределителем, крепится к поперечной балке подвески болтами М10х1.25 (в отличие от болтов М8 в случае рулевого механизма с ручным приводом).
Гидроусилителем руля оборудуются дизельные моделях и бензиновые моделях 1.6 л. Различие заключается лишь в маршруте прокладки соединительных линий.
Снятие

1. В салоне автомобиля отдайте крепежные гайки и снимите ножной упор сборку от педали сцепления.
2. При соответствующей комплектации отогните назад ковровое покрытие, отдайте винт и гайку крепления отделочного кожуха основания рулевой колонки. Снимите кожух с целью обеспечения доступа к нижнему карданному шарниру промежуточного вала.
3. Краской или маркером пометьте положение шарнира относительно приводной шестерни реечной передачи, затем выверните стяжной болт шарнирной сборки.
4. Отдайте гайки, снимите шайбы и высвободите уплотнительную пластину и прокладку, установленные вокруг приводной шестерни.
Примечание. Поврежденная прокладка подлежит замене.
5. Твердо взведите стояночный тормоз, затем поддомкратьте передок автомобиля и установите его на подпорки. Снимите оба передних колеса.
6. Извлеките шплинты, затем отдайте гайки крепления наконечников рулевых тяг к ступичным сборкам. Высвободите наконечники из поворотных рычагов ступиц - в случае необходимости воспользуйтесь съемником шаровых шарниров.
Модели без гидроусилителя руля
1. Выверните крепежные болты и снимите с подрамника хомуты крепления рулевого механизма.
2. Отделите сборку реечной передачи от промежуточного вала и извлеките ее из-под автомобиля. Снимите резиновые подушки опор с рулевого механизма (подушки не являются взаимозаменяемыми). Извлеките из салона автомобиля уплотнительную пластину с прокладкой.
Модели с гидроусилителем руля
1. С целью минимизации потерь гидравлической жидкости специальными зажимами или струбцинами пережмите подающий и возвратный шланги вблизи резервуара рулевого насоса.
2. Промаркировав разъемы, выверните штуцерные болты на сборке рулевого механизма (приготовьте сливную емкость для сбора вытекающей гидравлической жидкости). Отсоедините оба шланга и снимите уплотнительные шайбы.
Примечание. При сборке уплотнительные шайбы подлежат замене в обязательном порядке. Сразу же закупорьте открытые концы шлангов и отверстия в картере рулевого механизма с целью минимизации потерь гидравлической жидкости и во избежание попадания в систему грязи.
3. Высвободите гидравлические шланги из промежуточных фиксаторов и отведите их в сторону от сборки рулевого механизма.
4. Выверните крепежные болты и снимите с подрамника хомуты крепления реечной сборки.
5. Отделите сборку реечной передачи от промежуточного вала и извлеките ее из-под автомобиля. Снимите резиновые подушки опор с рулевого механизма (подушки не являются взаимозаменяемыми). Извлеките из салона автомобиля уплотнительную пластину с прокладкой.
Капитальный ремонт
1. Рулевая реечная передача относится к числу весьма надежных узлов автомобиля. Безаварийность работы механизма зависит качества смазки внутренних компонентов, состояния защитных чехлов, исправности балансировки колесных сборок, а также величины люфта рулевого привода.
2. Отличительной чертой рулевого механизма реечного типа является то, что любая вибрация и рывки, связанные с нарушением балансировки колес, неровностями дорожного покрытия и ослаблением преднатяга колесных подшипников, неизбежно передаются непосредственно на рулевое колесо.
3. С целью выполнения капитального ремонта сборку рулевого механизма необходимо снять с автомобиля.
4. После демонтажа сборки легко могут быть произведены замена или корректировка уровня масла в ней. Масло сливается через путем снятия резиновых защитных чехлов с фланцев картера, для чего необходимо предварительно снять крепежные хомуты.
5. Закрепив больший резиновый чехол, установите картер рулевого механизма вертикально и залейте в него необходимое количество масла требуемого сорта через торец, на который надевается более короткий чехол. Установите второй чехол на картер и закрепите его хомутом. Переведите картер в горизонтальное положение и проверьте его на наличие признаков утечек из-под защитных чехлов. В случае необходимости подтяните хомуты.
6. При замене резиновых защитных чехлов необходимо отвернуть наконечники рулевых тяг и слить масло из картера. Теперь чехлы могут быть сняты и заменены новыми. Затем залейте в картер свежее масло, закрепите хомуты и установите на место наконечники тяг.
7. Разборка рулевого механизма с целью выполнения восстановительного ремонта или замены вышедших из строя внутренних компонентов производится следующим образом:
- a) Снимите хомуты крепления резиновых чехлов;
- b) Отогните края чехлов и слейте масло из картера в чистую емкость;
- c) Сдвиньте чехлы по направлению к наконечникам рулевых тяг;
- d) Отогните флажки плоских стопорных шайб, контрящих гайки на концах зубчатой рейки;
- e) При помощи отвертки отогните углубление на краю переходной втулки в канавке рейки;
- f) Отдайте гайки и отсоедините от рейки тяги;
- g) Выверните два болта крепления боковой крышки к картеру, извлеките пружину, сухарь и резиновое уплотнительное кольцо;
- h) Извлеките из картера вал привода рулевого механизма с верхним подшипником (зажмите вал в тиски с мягкими губками и потяните за картер; в случае необходимости воспользуйтесь молотком с мягким бойком);
- i) При помощи съемника снимите с вала подшипник;
- j) Извлеките из картера рулевого механизма зубчатую рейку;
- k) При помощи специального инструмента извлеките из картера нижний подшипник.
8. После замены неисправных компонентов соберите механизм:
- a) Установите в картер нижний подшипник вала;
- b) Смажьте рейку трансмиссионным маслом и заправьте ее в картер рулевого механизма гладкой стороной к боковому отверстию;
- c) Заправьте в картер вал с установленным на него верхним подшипником и посадите сборку ударами молотка так, чтобы нижний подшипник также оказался на валу (проследите, чтобы верхний подшипник не имел хода по направлению к зубьям вала);
- d) Смажьте края отверстия, из которого выступает вал небольшим количеством трансмиссионного масла, уложите на сопрягаемая поверхность уплотнительную прокладку верхней крышки;
- e) Измерьте расстояние между внешней обоймой подшипника и верхней поверхностью прокладки;
- f) Подберите регулировочные шайбы таким образом, чтобы их толщина соответствовала измеренному расстоянию, плюс 0.1 мм (шайбы выпускаются толщиной 0.1 и 0.2 мм);
- g) Установите шайбы (сначала регулировочные, затем обычные), смажьте крышку небольшим количеством трансмиссионного масла, установите ее на сборку и притяните крепежными болтами (резьбу болтов предварительно смажьте герметиком);
- h) Затяните болты с требуемым усилием (7 Нм);
- i) Проверьте свободу вращения вала, оцените величину люфта компонентов сборки;
- j) Смажьте трансмиссионным маслом внутреннюю поверхность бокового отверстия в картере рулевого механизма;
- k) Заправьте в отверстие сухарь зубчатой рейки, резиновое уплотнительное кольцо и пружину;
- l) Смажьте трансмиссионным маслом сопрягаемые поверхности отверстия и крышки;
- m) Установите уплотнительную шайбу и затяните два крепежных болта с требуемым усилием (7 Нм);
- n) Оцените величину люфта механизма, в случае необходимости произведите соответствующую корректировку;
- o) Наверните на оба конца рейки новые переходные втулки и затяните их с требуемым усилием (50÷60 Нм). Для затягивания втулок наверните контргайки и специальные гайки. Одну пару гаек зажмите в тиски, вторую затяните с требуемым усилием и застопорьте контргайкой. Теперь зажмите в тиски уже затянутую гайку (вместе с контрящей) и повторите процедуру с противоположной втулкой;
- p) Застопорьте втулки, развальцевав их края в канавки на рейке;
- q) Вставьте внутрь каждой из втулок по тарелке;
- r) Наверните на рулевую тягу специальную гайку плоской поверхностью к наконечнику тяги;
- s) Смажьте наконечник тяги;
- t) Установите на редукционную втулку стопорную шайбу;
- u) Наверните на резьбу редукционной втулки специальную гайку, надетую на рулевую тягу. Гайку затяните настолько, чтобы для отклонения тяги требовалось усилие в 12.5÷20.5 Нм. Затяните контргайку с усилием 50÷60 Нм и заблокируйте ее стопорной шайбой, отогну флажок последней на шлиц гайки и контргайки;
- v) Действуя в аналогичной манере, закрепите противоположную тягу;
- w) Установите на тяги защитные чехлы и закрепите их хомутами;
- x) Натяните более длинный чехол на фланец картера и закрепите его хомутом;
- y) Залейте в картер свежее масло, затем установите сборку на автомобиль.
Установка

1. Установите на рулевой механизм резиновые подушки опор, развернув их плоской стороной вниз. При установке необходимо соблюсти размеры приведенные на иллюстрации.
2. Тщательно зачистите сопрягаемые поверхности и установите изнутри на переборку двигательного отсека уплотнительную пластину и прокладку.
3. Заведите сборку рулевого механизма на свое штатное стараясь не повредить при этом уплотнительную пластину переборки. При помощи ассистента добейтесь совмещения нанесенных в процессе демонтажа посадочных меток и введите промежуточный вал в зацепление со шлицами приводной шестерни реечной передачи.
4. Удостоверьтесь, что резиновые подушки обеих опор развернуты плоскими сторонами к подрамнику, затем установите крепежные хомуты.
5. Прочистите резьбу обоих крепежных болтов, затем слегка смажьте ее фиксирующим герметиком типа Loctite 270. Вверните болты и в несколько приемов равномерно затяните их с требуемым усилием.
6. В салоне автомобиля удостоверьтесь в правильности посадки уплотнительной пластины относительно картера рулевого механизма, затем прочно затяните крепежные гайки.
7. Удостоверьтесь в правильности установки карданного шарнира промежуточного вала, затем вверните стяжной болт шарнирной сборки и затяните его с требуемым усилием. При соответствующей комплектации установите на место отделочный кожух основания колонки.
8. Заведите наконечники рулевых тяг в поворотные рычаги ступичных сборок. Наверните крепежные гайки, прочно затяните их и зафиксируйте новыми шплинтами.
9. Установите на место колеса, затем опустите автомобиль на землю и затяните колесные болты с требуемым усилием.
10. В заключение проверьте углы установки передних колес, в случае необходимости произведите соответствующую регулировку (см. Раздел Углы установки колес автомобиля - общая информация).
Модели с гидроусилителем руля
1. Выполните процедуры, изложенные в подразделе Снятие.
2. Установите новые уплотнительные шайбы с обеих сторон штуцерных соединений гидравлических шлангов, затем вверните штуцерные болты и затяните их с требуемым усилием, не снимая со шлангов зажимов/струбцин.
3. Установите на место колеса, затем опустите автомобиль на землю и затяните колесные болты с требуемым усилием.
4. Долейте свежую гидравлическая жидкость в резервуар рулевого насоса (см. Раздел Удаление воздушных пробок из гидравлического тракта системы усиления руля).
5. В заключение проверьте углы установки передних колес, в случае необходимости произведите соответствующую регулировку (см. Раздел Углы установки колес автомобиля - общая информация).
