Автомобили компании Hyundai Автомобили компании Kia Автомобили компании Lada Автомобили компании Mazda Автомобили компании Mercedes-Benz Автомобили компании Opel Автомобили компании Mitsubishi
Русский English
Български
Беларускі
Український
Српски
Hrvatski
Română
Polski
Slovenský
Magyar
Статьи   
В закладки Контакты Карта
SkodaBook.ru
 
 
 
 
 
 
 
Fabia Rapid Octavia Superb Kodiaq Yeti Другие
Фаворит (1987-1994) Фелиция (1994-2001)

Контрольные кузовные размеры (Skoda Felicia)

  • Главная
  • Шкода
  • Фелиция (1994-2001)
  • Кузов и салон
  • Экстерьер (внешние элементы)
  • Контрольные кузовные размеры
0

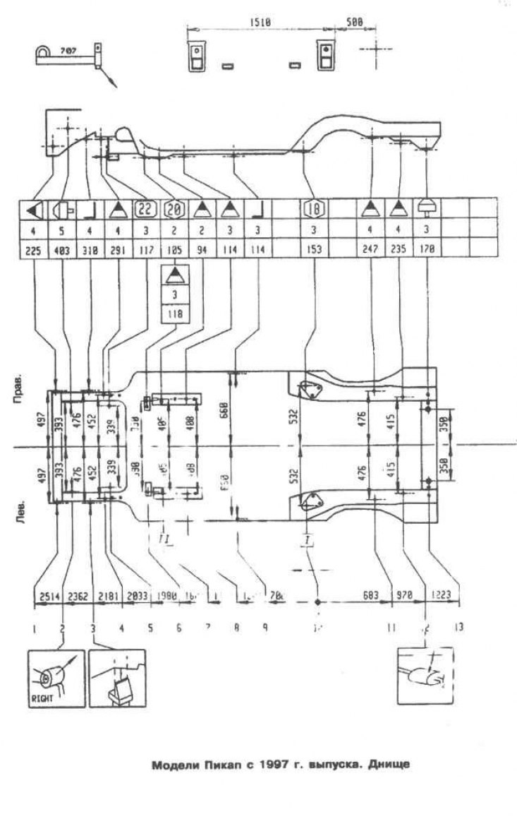
Контрольные кузовные размеры



Контрольные кузовные размеры


Контрольные кузовные размеры


Контрольные кузовные размеры


Контрольные кузовные размеры


Контрольные кузовные размеры


Контрольные кузовные размеры


Контрольные кузовные размеры


Контрольные кузовные размеры


Контрольные кузовные размеры


Контрольные кузовные размеры


Контрольные кузовные размеры


Контрольные кузовные размеры
Эта статья доступна на английском, болгарском, белорусском, украинском, сербском, хорватском, румынском, польском, словацком, венгерском
Статья проверена: Блинова Екатерина
Поделитесь с друзьями:
◀ Предыдущая
Шкода Фелиция: Экстерьер (внешние элементы)
 

Снятие и установка элементов кузовной отделки
Снятие и установка наружных зеркал заднего вида и компонентов
Снятие, установка и регулировка сборки замка капота
Снятие и установка приводного троса отпускания замка капота
Снятие, установка и регулировка капота
Снятие и установка заднего бампера
 
Читать похожие статьи по другим моделям Шкода

➧ Описание и габаритные размеры автомобиля Шкода Фабия 1 (1999-2007)
➧ Кузовные размеры передней части кузова Шкода Рапид 1 (2012-2022)
➧ Основные размеры автомобиля Шкода Октавия 1 (1996-2004)
➧ Контрольные лампы и индикаторы в комбинации приборов Шкода Суперб 2 (2008-2015)
➧ Кузовные размеры — работы по восстановлению кузова Шкода Кодиак 1 (2016-2024)
Ссылка на эту статью в различных форматах
Отзывы и комментарии посетителей
Комментариев пока нет


Сложите два числа: 40 + 37

       





Фаворит (1987-1994) 
  • Общая информация
  • Техническое обслуживание
  • Выявление неисправностей
  • Силовой агрегат
  • Двигатель в автомобиле
  • Капремонт двигателя
  • Охлаждение и отопление
  • Топливная и выхлопная система
  • Система впрыска топлива
  • Система зажигания
  • Трансмиссия
  • Сцепление
  • Коробка передач
  • Приводные валы
  • Шасси (ходовая часть)
  • Тормозная система
  • Подвеска автомобиля
  • Рулевое управление
  • Кузов и салон
  • Экстерьер (внешние элементы)
  • Интерьер (салон)
  • Электрооборудование
  • Оборудование и приборы
  • Силовые устройства
  • Электрические схемы
Фелиция (1994-2001) 
  • Общая информация
  • Введение в руководство
  • Руководство по эксплуатации
  • Техобслуживание (бензин)
  • Техобслуживание (дизель)
  • Силовой агрегат
  • Бензиновый двигатель 1.3 л
  • Бензиновый двигатель 1.6 л
  • Дизельный двигатель
  • Капремонт двигателей
  • Система охлаждения
  • Система питания (карбюратор)
  • Центральный впрыск (SPFI)
  • Распределенный впрыск (MPFI)
  • Система питания дизеля
  • Снижение токсичности
  • Электрика двигателя
  • Трансмиссия
  • Сцепление
  • Коробка передач
  • Приводные валы
  • Шасси (ходовая часть)
  • Тормозная система
  • Подвеска автомобиля
  • Рулевое управление
  • Кузов и салон
  • Экстерьер (внешние элементы)
  • Интерьер (салон)
  • Двери, замки и окна
  • Электрооборудование
  • Оборудование и приборы
  • Фары и освещение
  • Электрические схемы
Автомобильный анекдот
хочу ещё один
SkodaBook.ru © 2018–2026 | Мобильная версия | Статьи о Шкоде | Карта сайта EN BG BY UA RS HR RO PL SK HU | Обратная связь | Поиск по сайту | В закладки
Фабия 1 (1999-2007) | Рапид 1 (2012-2022) | Октавия 1 (1996-2004) | Октавия 3 (2013-2019) | Суперб 2 (2008-2015) | Кодиак 1 (2016-2024) | Йети (2009-2017) | Фаворит (1987-1994) | Фелиция (1994-2001) | Автоновости про Шкоду | Устройство автомобилей | Устройство и работа ДВС | Датчики в автомобиле | Советы автолюбителю
Продолжая пользоваться сайтом, вы соглашаетесь на использование cookie.