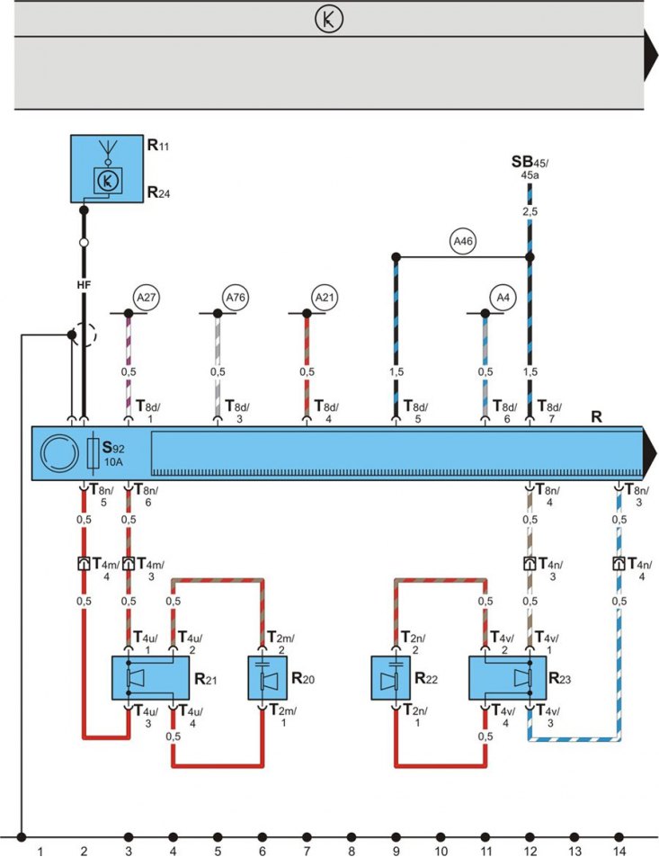
Радиоприемник, передние громкоговорители, антенна (выпуска с 08.99 г.)

Пояснения к электрическим схемам находятся здесь →
Символы, встречающиеся на схемах электрооборудования находятся здесь →
Обозначения элементов в электрических схемах находятся здесь →
