Автомобили компании Hyundai Автомобили компании Kia Автомобили компании Lada Автомобили компании Mazda Автомобили компании Mercedes-Benz Автомобили компании Opel Автомобили компании Mitsubishi
Русский English
Български
Беларускі
Український
Српски
Hrvatski
Română
Polski
Slovenský
Magyar
Статьи   
В закладки Контакты Карта
SkodaBook.ru
 
 
 
 
 
 
 
Fabia Rapid Octavia Superb Kodiaq Yeti Другие
Йети (2009-2017)

Блок управления двигателем (Skoda Yeti 5L)

  • Главная
  • Йети
  • 5L (2009-2017)
  • Электрооборудование
  • Электрические схемы
  • Блок управления двигателем
0

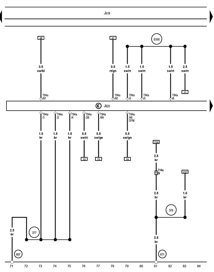
Блок управления двигателем



Блок управления двигателем


Обозначения на схемах электрооборудования находятся здесь →

Оригинал можно посмотреть на SkodaBook.ru
Эта статья доступна на английском, болгарском, белорусском, украинском, сербском, хорватском, румынском, польском, словацком, венгерском
Статья проверена: Комиссаров Тимур
Поделитесь с друзьями:
◀ Предыдущая
Шкода Йети: Электрические схемы
Следующая ►

Реле разгрузки клеммы X, реле подачи питания клемм 15 и 50
Блок предохранителей SC
Реле питания деталей двигательного отсека, блок предохранителей SB
Главное реле, блок предохранителей SB
Аккумуляторная батарея, стартёр, генератор с регулятором напряжения, блоки…
Д/В низкогодавления двигательного масла, тахометр, спидометр, датчик…
Выключатель противооткатной системы, датчик положения педали газа, ЕСМ
Модуль дроссельной заслонки, ЕСМ
Датчики СКР и СМР, датчик температуры ОЖ на выходе радиатора, ЕСМ
Датчик детонации №1, датчик ЕСТ, ЕСМ
Лямбда-зонды, ЕСМ
ЕСМ, инжекторы
Читать похожие статьи по другим моделям Шкода

➧ Панель приборов, блок управления панелью приборов, часы, контрольные… Шкода Фабия 1 (1999-2007)
➧ Электронный блок управления двигателя (двигатель 1.2 л TSI) Шкода Рапид 1 (2012-2022)
➧ Двигатель AGR: Блок управления двигателем TDI, датчик положения… Шкода Октавия 1 (1996-2004)
➧ Принципы функционирования системы управления двигателем Шкода Суперб 2 (2008-2015)
➧ Электронный блок управления двигателем, Актуатор регулятора… Шкода Кодиак 1 (2016-2024)
➧ Блок управления зажиганием — проверка, снятие и установка Шкода Фаворит (1987-1994)
Ссылка на эту статью в различных форматах
Отзывы и комментарии посетителей
Комментариев пока нет


Сложите два числа: 12 + 22

       





Йети (2009-2017) 
  • Общая информация
  • Введение в руководство
  • Органы управления
  • Техническое обслуживание
  • Силовой агрегат
  • Бензиновый двигатель 1.2 л
  • Бензиновый двигатель 1.4 л
  • Бензиновый двигатель 1.8 л
  • Дизельный двигатель 2,0 л
  • Система охлаждения
  • Система питания и управления
  • Выхлопная система
  • Системы зажигания и преднакала
  • Система запуска и заряда
  • Трансмиссия
  • Сцепление
  • Механическая коробка
  • 7-ступенчатая коробка DSG 0AM
  • 6-ступенчатая коробка DSG 02E
  • Приводные валы
  • Шасси (ходовая часть)
  • Тормозная система
  • Передняя подвеска
  • Задняя подвеска
  • Рулевое управление
  • Кузов и салон
  • Отопление и кондиционирование
  • Экстерьер (внешние элементы)
  • Интерьер (внутренние элементы)
  • Электрооборудование
  • Оборудование и приборы
  • Освещение и сигнализация
  • Электрические схемы
Автомобильный анекдот
хочу ещё один
SkodaBook.ru © 2018–2026 | Мобильная версия | Статьи о Шкоде | Карта сайта EN BG BY UA RS HR RO PL SK HU | Обратная связь | Поиск по сайту | В закладки
Фабия 1 (1999-2007) | Рапид 1 (2012-2022) | Октавия 1 (1996-2004) | Октавия 3 (2013-2019) | Суперб 2 (2008-2015) | Кодиак 1 (2016-2024) | Йети (2009-2017) | Фаворит (1987-1994) | Фелиция (1994-2001) | Автоновости про Шкоду | Устройство автомобилей | Устройство и работа ДВС | Датчики в автомобиле | Советы автолюбителю
Продолжая пользоваться сайтом, вы соглашаетесь на использование cookie.