Автомобили компании Hyundai Автомобили компании Kia Автомобили компании Lada Автомобили компании Mazda Автомобили компании Mercedes-Benz Автомобили компании Opel Автомобили компании Mitsubishi
Русский English
Български
Беларускі
Український
Српски
Hrvatski
Română
Polski
Slovenský
Magyar
Статьи   
В закладки Контакты Карта
SkodaBook.ru
 
 
 
 
 
 
 
Fabia Rapid Octavia Superb Kodiaq Yeti Другие
Йети (2009-2017)

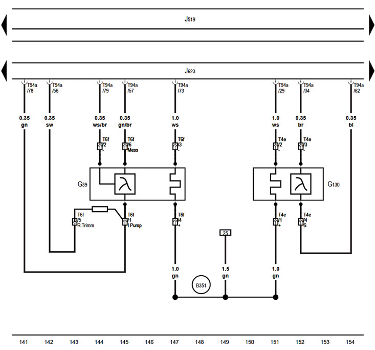
Лямбда-зонды, ЕСМ (Skoda Yeti 5L)

  • Главная
  • Йети
  • 5L (2009-2017)
  • Электрооборудование
  • Электрические схемы
  • Лямбда-зонды, ЕСМ
0

Лямбда-зонды, ЕСМ



Лямбда-зонды, ЕСМ


Обозначения на схемах электрооборудования находятся здесь →
Эта статья доступна на английском, болгарском, белорусском, украинском, сербском, хорватском, румынском, польском, словацком, венгерском
Статья проверена: Комиссаров Тимур
Поделитесь с друзьями:
◀ Предыдущая
Шкода Йети: Электрические схемы
Следующая ►

Датчик детонации №1, датчик ЕСТ, ЕСМ
Датчики СКР и СМР, датчик температуры ОЖ на выходе радиатора, ЕСМ
Модуль дроссельной заслонки, ЕСМ
Выключатель противооткатной системы, датчик положения педали газа, ЕСМ
Блок управления двигателем
Реле разгрузки клеммы X, реле подачи питания клемм 15 и 50
ЕСМ, инжекторы
Датчик давления наддува, датчики MAF и IАТ №2, ЕСМ
Датчик IAT, датчик давления топлива, ЕСМ
Д/В низкого давления двигательного масла, датчик положения заслонки…
ЕСМ, э/м клапан продувки адсорбера, клапан №1 управл-я распредвалом,…
Э/м клапан регулировки давления наддува, клапан обхода турбокомпрессора,…
Читать похожие статьи по другим моделям Шкода

➧ Блок управления Simos, лямбда-зонд, датчик давления и температуры… Шкода Фабия 1 (1999-2007)
➧ Лямбда-зонд, второй лямбда-зонд, электронный блок управления двигателя Шкода Рапид 1 (2012-2022)
➧ Лямбда-зонды Шкода Октавия 3 (2013-2019)
➧ Лямбда-зонд — снятие и установка Шкода Кодиак 1 (2016-2024)
Ссылка на эту статью в различных форматах
Отзывы и комментарии посетителей
Комментариев пока нет


Сложите два числа: 14 + 48

       





Йети (2009-2017) 
  • Общая информация
  • Введение в руководство
  • Органы управления
  • Техническое обслуживание
  • Силовой агрегат
  • Бензиновый двигатель 1.2 л
  • Бензиновый двигатель 1.4 л
  • Бензиновый двигатель 1.8 л
  • Дизельный двигатель 2,0 л
  • Система охлаждения
  • Система питания и управления
  • Выхлопная система
  • Системы зажигания и преднакала
  • Система запуска и заряда
  • Трансмиссия
  • Сцепление
  • Механическая коробка
  • 7-ступенчатая коробка DSG 0AM
  • 6-ступенчатая коробка DSG 02E
  • Приводные валы
  • Шасси (ходовая часть)
  • Тормозная система
  • Передняя подвеска
  • Задняя подвеска
  • Рулевое управление
  • Кузов и салон
  • Отопление и кондиционирование
  • Экстерьер (внешние элементы)
  • Интерьер (внутренние элементы)
  • Электрооборудование
  • Оборудование и приборы
  • Освещение и сигнализация
  • Электрические схемы
Автомобильный анекдот
хочу ещё один
SkodaBook.ru © 2018–2026 | Мобильная версия | Статьи о Шкоде | Карта сайта EN BG BY UA RS HR RO PL SK HU | Обратная связь | Поиск по сайту | В закладки
Фабия 1 (1999-2007) | Фабия 2 (2007-2014) | Рапид 1 (2012-2022) | Октавия 1 (1996-2004) | Октавия 3 (2013-2019) | Суперб 2 (2008-2015) | Кодиак 1 (2016-2024) | Йети (2009-2017) | Фаворит (1987-1994) | Фелиция (1994-2001) | Автоновости про Шкоду | Устройство автомобилей | Устройство и работа ДВС | Датчики в автомобиле | Советы автолюбителю
Продолжая пользоваться сайтом, вы соглашаетесь на использование cookie.