Автомобили компании Hyundai Автомобили компании Kia Автомобили компании Lada Автомобили компании Mazda Автомобили компании Mercedes-Benz Автомобили компании Opel Автомобили компании Mitsubishi
Русский English
Български
Беларускі
Український
Српски
Hrvatski
Română
Polski
Slovenský
Magyar
Статьи   
В закладки Контакты Карта
SkodaBook.ru
 
 
 
 
 
 
 
Fabia Rapid Octavia Superb Kodiaq Yeti Другие
Йети (2009-2017)

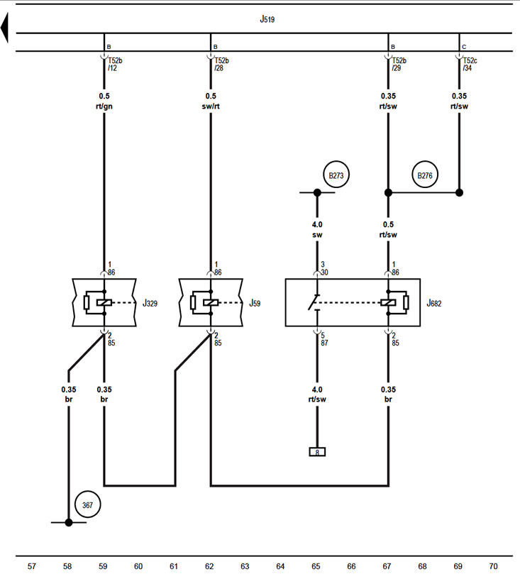
Реле разгрузки клеммы X, реле подачи питания клемм 15 и 50 (Skoda Yeti 5L)

  • Главная
  • Йети
  • 5L (2009-2017)
  • Электрооборудование
  • Электрические схемы
  • Реле разгрузки клеммы X, реле подачи питания клемм 15 и 50
0

Реле разгрузки клеммы X, реле подачи питания клемм 15 и 50



Реле разгрузки клеммы X, реле подачи питания…


Обозначения на схемах электрооборудования находятся здесь →

[Информация опубликована на веб-сайте: SKODABOOK]
Эта статья доступна на английском, болгарском, белорусском, украинском, сербском, хорватском, румынском, польском, словацком, венгерском
Статья проверена: Комиссаров Тимур
Поделитесь с друзьями:
◀ Предыдущая
Шкода Йети: Электрические схемы
Следующая ►

Блок предохранителей SC
Реле питания деталей двигательного отсека, блок предохранителей SB
Главное реле, блок предохранителей SB
Аккумуляторная батарея, стартёр, генератор с регулятором напряжения, блоки…
Д/В низкогодавления двигательного масла, тахометр, спидометр, датчик…
Указатель запаса топлива, датчик №2 запаса топлива, комбинация приборов
Блок управления двигателем
Выключатель противооткатной системы, датчик положения педали газа, ЕСМ
Модуль дроссельной заслонки, ЕСМ
Датчики СКР и СМР, датчик температуры ОЖ на выходе радиатора, ЕСМ
Датчик детонации №1, датчик ЕСТ, ЕСМ
Лямбда-зонды, ЕСМ
Читать похожие статьи по другим моделям Шкода

➧ Проверка реле топливного насоса двигателей 1,4 л, 55 и 74 кВт Шкода Фабия 1 (1999-2007)
➧ Выключатель зажигания/стартера, вывод 15-вольтового реле питания Шкода Рапид 1 (2012-2022)
➧ Реле электропитания клеммы 15, блок предохранителей C Шкода Октавия 3 (2013-2019)
➧ Предохранители и реле Шкода Суперб 2 (2008-2015)
➧ Вывод 15 реле питания, Держатель предохранителей C Шкода Кодиак 1 (2016-2024)
➧ Плавкие предохранители, реле и прерыватель указателей… Шкода Фаворит (1987-1994)
Ссылка на эту статью в различных форматах
Отзывы и комментарии посетителей
Комментариев пока нет


Сложите два числа: 13 + 49

       





Йети (2009-2017) 
  • Общая информация
  • Введение в руководство
  • Органы управления
  • Техническое обслуживание
  • Силовой агрегат
  • Бензиновый двигатель 1.2 л
  • Бензиновый двигатель 1.4 л
  • Бензиновый двигатель 1.8 л
  • Дизельный двигатель 2,0 л
  • Система охлаждения
  • Система питания и управления
  • Выхлопная система
  • Системы зажигания и преднакала
  • Система запуска и заряда
  • Трансмиссия
  • Сцепление
  • Механическая коробка
  • 7-ступенчатая коробка DSG 0AM
  • 6-ступенчатая коробка DSG 02E
  • Приводные валы
  • Шасси (ходовая часть)
  • Тормозная система
  • Передняя подвеска
  • Задняя подвеска
  • Рулевое управление
  • Кузов и салон
  • Отопление и кондиционирование
  • Экстерьер (внешние элементы)
  • Интерьер (внутренние элементы)
  • Электрооборудование
  • Оборудование и приборы
  • Освещение и сигнализация
  • Электрические схемы
Автомобильный анекдот
хочу ещё один
SkodaBook.ru © 2018–2026 | Мобильная версия | Статьи о Шкоде | Карта сайта EN BG BY UA RS HR RO PL SK HU | Обратная связь | Поиск по сайту | В закладки
Фабия 1 (1999-2007) | Рапид 1 (2012-2022) | Октавия 1 (1996-2004) | Октавия 3 (2013-2019) | Суперб 2 (2008-2015) | Кодиак 1 (2016-2024) | Йети (2009-2017) | Фаворит (1987-1994) | Фелиция (1994-2001) | Автоновости про Шкоду | Устройство автомобилей | Устройство и работа ДВС | Датчики в автомобиле | Советы автолюбителю
Продолжая пользоваться сайтом, вы соглашаетесь на использование cookie.