Автомобили компании Hyundai Автомобили компании Kia Автомобили компании Lada Автомобили компании Mazda Автомобили компании Mercedes-Benz Автомобили компании Opel Автомобили компании Mitsubishi
Русский English
Български
Беларускі
Український
Српски
Hrvatski
Română
Polski
Slovenský
Magyar
Статьи   
В закладки Контакты Карта
SkodaBook.ru
 
 
 
 
 
 
 
Fabia Rapid Octavia Superb Kodiaq Yeti Другие
Йети (2009-2017)

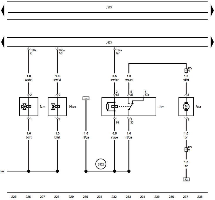
Э/м клапан регулировки давления наддува, клапан обхода турбокомпрессора, циркуляционный насос ОЖ и его реле (Skoda Yeti 5L)

  • Главная
  • Йети
  • 5L (2009-2017)
  • Электрооборудование
  • Электрические схемы
  • Э/м клапан регулировки давления наддува, клапан обхода турбокомпрессора, циркуляционный насос ОЖ и его реле
0

Э/м клапан регулировки давления наддува, клапан обхода турбокомпрессора, циркуляционный насос ОЖ и его реле



Э/м клапан регулировки давления наддува, клапан…


Обозначения на схемах электрооборудования находятся здесь →

[Ознакомьтесь с оригиналом на сайте: Skodabook.ru]
Эта статья доступна на английском, болгарском, белорусском, украинском, сербском, хорватском, румынском, польском, словацком, венгерском
Статья проверена: Комиссаров Тимур
Поделитесь с друзьями:
◀ Предыдущая
Шкода Йети: Электрические схемы
Следующая ►

ЕСМ, э/м клапан продувки адсорбера, клапан №1 управл-я распредвалом,…
Д/В низкого давления двигательного масла, датчик положения заслонки…
Датчик IAT, датчик давления топлива, ЕСМ
Датчик давления наддува, датчики MAF и IАТ №2, ЕСМ
ЕСМ, инжекторы
Лямбда-зонды, ЕСМ
ЕСМ, катушки зажигания с выходными каскадами
Датчик положения педали тормоза, датчик положения сцепления, ЕСМ
Датчик запаса топлива, насос заполнения топливной системы, блок управления…
Указатель температуры ОЖ, интерфейс диагностики шин данных, ЕСМ,…
Указатель запаса топлива, датчик №2 запаса топлива, комбинация приборов
Д/В низкого давления двигательного масла, тахометр, спидометр, датчик…
Читать похожие статьи по другим моделям Шкода

➧ Проверка клапана давления наддува Шкода Фабия 1 (1999-2007)
➧ Датчик массового расхода воздуха, электромагнитный клапан контроля… Шкода Рапид 1 (2012-2022)
➧ Клапан регулирования давления масла «N428» «3» Шкода Октавия 3 (2013-2019)
➧ Система контроля давления накачки шин Шкода Суперб 2 (2008-2015)
➧ Клапан регулятора давления топлива Шкода Кодиак 1 (2016-2024)
➧ Клапан регулировки давления в тормозной системе (модели Пикап) —… Шкода Фаворит (1987-1994)
Ссылка на эту статью в различных форматах
Отзывы и комментарии посетителей
Комментариев пока нет


Сложите два числа: 48 + 48

       





Йети (2009-2017) 
  • Общая информация
  • Введение в руководство
  • Органы управления
  • Техническое обслуживание
  • Силовой агрегат
  • Бензиновый двигатель 1.2 л
  • Бензиновый двигатель 1.4 л
  • Бензиновый двигатель 1.8 л
  • Дизельный двигатель 2,0 л
  • Система охлаждения
  • Система питания и управления
  • Выхлопная система
  • Системы зажигания и преднакала
  • Система запуска и заряда
  • Трансмиссия
  • Сцепление
  • Механическая коробка
  • 7-ступенчатая коробка DSG 0AM
  • 6-ступенчатая коробка DSG 02E
  • Приводные валы
  • Шасси (ходовая часть)
  • Тормозная система
  • Передняя подвеска
  • Задняя подвеска
  • Рулевое управление
  • Кузов и салон
  • Отопление и кондиционирование
  • Экстерьер (внешние элементы)
  • Интерьер (внутренние элементы)
  • Электрооборудование
  • Оборудование и приборы
  • Освещение и сигнализация
  • Электрические схемы
Автомобильный анекдот
хочу ещё один
SkodaBook.ru © 2018–2026 | Мобильная версия | Статьи о Шкоде | Карта сайта EN BG BY UA RS HR RO PL SK HU | Обратная связь | Поиск по сайту | В закладки
Фабия 1 (1999-2007) | Рапид 1 (2012-2022) | Октавия 1 (1996-2004) | Октавия 3 (2013-2019) | Суперб 2 (2008-2015) | Кодиак 1 (2016-2024) | Йети (2009-2017) | Фаворит (1987-1994) | Фелиция (1994-2001) | Автоновости про Шкоду | Устройство автомобилей | Устройство и работа ДВС | Датчики в автомобиле | Советы автолюбителю
Продолжая пользоваться сайтом, вы соглашаетесь на использование cookie.