Русский
English
Български
Беларускі
Український
Српски
Hrvatski
Română
Polski
Slovenský
Magyar
Статьи
Поиск:
В закладки
Контакты
Карта
Fabia
Rapid
Octavia
Superb
Kodiaq
Yeti
Другие
Йети
(2009-2017)
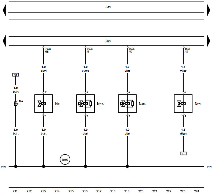
ЕСМ, э/м клапан продувки адсорбера, клапан №1 управл-я распредвалом, клапан регулировки давления топлива, клапан заслонки впускн. трубопровода
(Skoda Yeti 5L)
Главная
Йети
5L
(2009-2017)
Электрооборудование
Электрические схемы
ЕСМ, э/м клапан продувки адсорбера, клапан №1 управл-я распредвалом, клапан регулировки давления топлива, клапан заслонки впускн. трубопровода
0
ЕСМ, э/м клапан продувки адсорбера, клапан №1 управл-я распредвалом, клапан регулировки давления топлива, клапан заслонки впускн. трубопровода
Обозначения на схемах электрооборудования находятся
здесь →
Эта статья доступна на
английском
,
болгарском
,
белорусском
,
украинском
,
сербском
,
хорватском
,
румынском
,
польском
,
словацком
,
венгерском
Статья проверена:
Комиссаров Тимур
Поделитесь с друзьями:
◀ Предыдущая
Шкода Йети: Электрические схемы
Следующая ►
Д/В низкого давления двигательного масла, датчик положения заслонки…
Датчик IAT, датчик давления топлива, ЕСМ
Датчик давления наддува, датчики MAF и IАТ №2, ЕСМ
ЕСМ, инжекторы
Лямбда-зонды, ЕСМ
Датчик детонации №1, датчик ЕСТ, ЕСМ
Э/м клапан регулировки давления наддува, клапан обхода турбокомпрессора,…
ЕСМ, катушки зажигания с выходными каскадами
Датчик положения педали тормоза, датчик положения сцепления, ЕСМ
Датчик запаса топлива, насос заполнения топливной системы, блок управления…
Указатель температуры ОЖ, интерфейс диагностики шин данных, ЕСМ,…
Указатель запаса топлива, датчик №2 запаса топлива, комбинация приборов
Читать похожие статьи по другим моделям Шкода
➧ Блок управления кондиционером, регулирующий клапан компрессора…
Шкода Фабия 1 (1999-2007)
➧ Электронный блок управления двигателя, клапан регулятора давления…
Шкода Рапид 1 (2012-2022)
➧ Клапан регулирования давления масла «N428» «3»
Шкода Октавия 3 (2013-2019)
➧ Снятие и установка дроссельной заслонки и впускного трубопровода
Шкода Суперб 2 (2008-2015)
➧ Клапан регулятора давления топлива
Шкода Кодиак 1 (2016-2024)
➧ Клапан регулировки давления в тормозной системе (модели Пикап) —…
Шкода Фаворит (1987-1994)
Ссылка на эту статью в различных форматах
TEXT
HTML
BB Code
Статья о ремонте чешских автомобилей Шкода Йети (2009-2017): ЕСМ, э/м клапан продувки адсорбера, клапан №1 управл-я распредвалом, клапан регулировки давления топлива, клапан заслонки впускн. трубопровода: https://www.skodabook.ru/Yeti/5L/electrics/schemes/esm-e-m-klapan-produvki-adsorbera-klapan-1-upravl-ya-raspredvalom
Шкода Йети (2009-2017): ЕСМ, э/м клапан продувки адсорбера, клапан №1 управл-я распредвалом, клапан регулировки давления топлива, клапан заслонки впускн. трубопровода
- статья на сайте SkodaBook.ru о ремонте автомобилей чешской компании Skoda.
[url=https://www.skodabook.ru/Yeti/5L/electrics/schemes/esm-e-m-klapan-produvki-adsorbera-klapan-1-upravl-ya-raspredvalom]Шкода Йети (2009-2017): ЕСМ, э/м клапан продувки адсорбера, клапан №1 управл-я распредвалом, клапан регулировки давления топлива, клапан заслонки впускн. трубопровода[/url] - статья на сайте SkodaBook.ru о ремонте автомобилей чешской компании Skoda.
Отзывы и комментарии посетителей
Комментариев пока нет
Сложите два числа: 10 + 43
Йети
(2009-2017)
Общая информация
Введение в руководство
Органы управления
Техническое обслуживание
Силовой агрегат
Бензиновый двигатель 1.2 л
Бензиновый двигатель 1.4 л
Бензиновый двигатель 1.8 л
Дизельный двигатель 2,0 л
Система охлаждения
Система питания и управления
Выхлопная система
Системы зажигания и преднакала
Система запуска и заряда
Трансмиссия
Сцепление
Механическая коробка
7-ступенчатая коробка DSG 0AM
6-ступенчатая коробка DSG 02E
Приводные валы
Шасси (ходовая часть)
Тормозная система
Передняя подвеска
Задняя подвеска
Рулевое управление
Кузов и салон
Отопление и кондиционирование
Экстерьер (внешние элементы)
Интерьер (внутренние элементы)
Электрооборудование
Оборудование и приборы
Освещение и сигнализация
Электрические схемы
Автомобильный анекдот
хочу ещё один
Продолжая пользоваться сайтом, вы соглашаетесь на использование cookie.
Продолжить