Автомобили компании Hyundai Автомобили компании Kia Автомобили компании Lada Автомобили компании Mazda Автомобили компании Mercedes-Benz Автомобили компании Opel Автомобили компании Mitsubishi
Русский English
Български
Беларускі
Український
Српски
Hrvatski
Română
Polski
Slovenský
Magyar
Статьи   
В закладки Контакты Карта
SkodaBook.ru
 
 
 
 
 
 
 
Fabia Rapid Octavia Superb Kodiaq Yeti Другие
Йети (2009-2017)

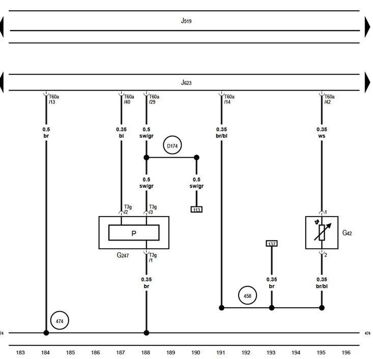
Датчик IAT, датчик давления топлива, ЕСМ (Skoda Yeti 5L)

  • Главная
  • Йети
  • 5L (2009-2017)
  • Электрооборудование
  • Электрические схемы
  • Датчик IAT, датчик давления топлива, ЕСМ
0

Датчик IAT, датчик давления топлива, ЕСМ



Датчик IAT, датчик давления топлива, ЕСМ


Обозначения на схемах электрооборудования находятся здесь →
Эта статья доступна на английском, болгарском, белорусском, украинском, сербском, хорватском, румынском, польском, словацком, венгерском
Статья проверена: Комиссаров Тимур
Поделитесь с друзьями:
◀ Предыдущая
Шкода Йети: Электрические схемы
Следующая ►

Датчик давления наддува, датчики MAF и IАТ №2, ЕСМ
ЕСМ, инжекторы
Лямбда-зонды, ЕСМ
Датчик детонации №1, датчик ЕСТ, ЕСМ
Датчики СКР и СМР, датчик температуры ОЖ на выходе радиатора, ЕСМ
Модуль дроссельной заслонки, ЕСМ
Д/В низкого давления двигательного масла, датчик положения заслонки…
ЕСМ, э/м клапан продувки адсорбера, клапан №1 управл-я распредвалом,…
Э/м клапан регулировки давления наддува, клапан обхода турбокомпрессора,…
ЕСМ, катушки зажигания с выходными каскадами
Датчик положения педали тормоза, датчик положения сцепления, ЕСМ
Датчик запаса топлива, насос заполнения топливной системы, блок управления…
Читать похожие статьи по другим моделям Шкода

➧ Блок управления Simos, лямбда-зонд, датчик давления и температуры… Шкода Фабия 1 (1999-2007)
➧ Датчик давления топлива, датчик положения перепускного клапана Шкода Рапид 1 (2012-2022)
➧ Датчик давления топлива в зоне высокого давления Шкода Октавия 3 (2013-2019)
➧ Указатель запаса топлива и К/Л использования резерва топлива Шкода Суперб 2 (2008-2015)
➧ Датчик давления топлива — снятие и установка Шкода Кодиак 1 (2016-2024)
➧ Датчик уровня топлива — снятие, установка и проверка Шкода Фаворит (1987-1994)
Ссылка на эту статью в различных форматах
Отзывы и комментарии посетителей
Комментариев пока нет


Сложите два числа: 43 + 31

       





Йети (2009-2017) 
  • Общая информация
  • Введение в руководство
  • Органы управления
  • Техническое обслуживание
  • Силовой агрегат
  • Бензиновый двигатель 1.2 л
  • Бензиновый двигатель 1.4 л
  • Бензиновый двигатель 1.8 л
  • Дизельный двигатель 2,0 л
  • Система охлаждения
  • Система питания и управления
  • Выхлопная система
  • Системы зажигания и преднакала
  • Система запуска и заряда
  • Трансмиссия
  • Сцепление
  • Механическая коробка
  • 7-ступенчатая коробка DSG 0AM
  • 6-ступенчатая коробка DSG 02E
  • Приводные валы
  • Шасси (ходовая часть)
  • Тормозная система
  • Передняя подвеска
  • Задняя подвеска
  • Рулевое управление
  • Кузов и салон
  • Отопление и кондиционирование
  • Экстерьер (внешние элементы)
  • Интерьер (внутренние элементы)
  • Электрооборудование
  • Оборудование и приборы
  • Освещение и сигнализация
  • Электрические схемы
Автомобильный анекдот
хочу ещё один
SkodaBook.ru © 2018–2026 | Мобильная версия | Статьи о Шкоде | Карта сайта EN BG BY UA RS HR RO PL SK HU | Обратная связь | Поиск по сайту | В закладки
Фабия 1 (1999-2007) | Фабия 2 (2007-2014) | Рапид 1 (2012-2022) | Октавия 1 (1996-2004) | Октавия 3 (2013-2019) | Суперб 2 (2008-2015) | Кодиак 1 (2016-2024) | Йети (2009-2017) | Фаворит (1987-1994) | Фелиция (1994-2001) | Автоновости про Шкоду | Устройство автомобилей | Устройство и работа ДВС | Датчики в автомобиле | Советы автолюбителю
Продолжая пользоваться сайтом, вы соглашаетесь на использование cookie.