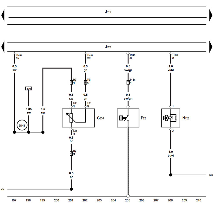
Д/В низкого давления двигательного масла, датчик положения заслонки впускного трубопровода, ЕСМ, клапан регулировки давления двигательного масла

Обозначения на схемах электрооборудования находятся здесь →
(Сведения представлены на веб-сайте skodabook.ru)
