Автомобили компании Hyundai Автомобили компании Kia Автомобили компании Lada Автомобили компании Mazda Автомобили компании Mercedes-Benz Автомобили компании Opel Автомобили компании Mitsubishi
Русский English
Български
Беларускі
Український
Српски
Hrvatski
Română
Polski
Slovenský
Magyar
Статьи   
В закладки Контакты Карта
SkodaBook.ru
 
 
 
 
 
 
 
Fabia Rapid Octavia Superb Kodiaq Yeti Другие
Йети (2009-2017)

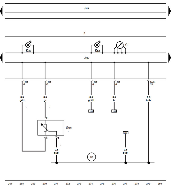
Указатель запаса топлива, датчик №2 запаса топлива, комбинация приборов (Skoda Yeti 5L)

  • Главная
  • Йети
  • 5L (2009-2017)
  • Электрооборудование
  • Электрические схемы
  • Указатель запаса топлива, датчик №2 запаса топлива, комбинация приборов
0
Указатель запаса топлива, датчик №2 запаса топлива, комбинация приборов

Указатель запаса топлива, датчик №2 запаса…


* только модели AWD

Обозначения на схемах электрооборудования находятся здесь →

[Статья размещена на веб-сайте www.skodabook.ru]
Эта статья доступна на английском, болгарском, белорусском, украинском, сербском, хорватском, румынском, польском, словацком, венгерском
Статья проверена: Комиссаров Тимур
Поделитесь с друзьями:
◀ Предыдущая
Шкода Йети: Электрические схемы
Следующая ►

Указатель температуры ОЖ, интерфейс диагностики шин передачиданных, ЕСМ,…
Датчик запаса топлива, насос заполнения системы подачи топлива, блок…
Датчик положения педали тормоза, датчик положения сцепления, ЕСМ
ЕСМ, модуль зажигания, циркуляционный насос ОЖ
ЕСМ, э/м клапан №1 продувки адсорбера EVAP, клапан регулировки давления…
Датчик давления наддува, датчики IAT и IАТ №2, датчик давления во впускном…
Д/В низкогодавления двигательного масла, тахометр, спидометр, датчик…
Аккумуляторная батарея, стартёр, генератор с регулятором напряжения, блоки…
Главное реле, блок предохранителей SB
Реле питания деталей двигательного отсека, блок предохранителей SB
Блок предохранителей SC
Реле разгрузки клеммы X, реле подачи питания клемм 15 и 50
Читать похожие статьи по другим моделям Шкода

➧ Блок управления системой впрыска топлива дизельного двигателя, датчик… Шкода Фабия 1 (1999-2007)
➧ Снятие и установка датчика указателя запаса топлива (двигатель 1.2 л… Шкода Рапид 1 (2012-2022)
➧ Снятие и установка датчика запаса топлива 2 «G169» Шкода Октавия 3 (2013-2019)
➧ Указатель запаса топлива и К/Л использования резерва топлива Шкода Суперб 2 (2008-2015)
➧ Указатель уровня топлива, Диагностический разъем передачи данных,… Шкода Кодиак 1 (2016-2024)
➧ Датчик уровня топлива — снятие, установка и проверка Шкода Фаворит (1987-1994)
Ссылка на эту статью в различных форматах
Отзывы и комментарии посетителей
Комментариев пока нет


Сложите два числа: 35 + 14

       





Йети (2009-2017) 
  • Общая информация
  • Введение в руководство
  • Органы управления
  • Техническое обслуживание
  • Силовой агрегат
  • Бензиновый двигатель 1.2 л
  • Бензиновый двигатель 1.4 л
  • Бензиновый двигатель 1.8 л
  • Дизельный двигатель 2,0 л
  • Система охлаждения
  • Система питания и управления
  • Выхлопная система
  • Системы зажигания и преднакала
  • Система запуска и заряда
  • Трансмиссия
  • Сцепление
  • Механическая коробка
  • 7-ступенчатая коробка DSG 0AM
  • 6-ступенчатая коробка DSG 02E
  • Приводные валы
  • Шасси (ходовая часть)
  • Тормозная система
  • Передняя подвеска
  • Задняя подвеска
  • Рулевое управление
  • Кузов и салон
  • Отопление и кондиционирование
  • Экстерьер (внешние элементы)
  • Интерьер (внутренние элементы)
  • Электрооборудование
  • Оборудование и приборы
  • Освещение и сигнализация
  • Электрические схемы
Автомобильный анекдот
хочу ещё один
SkodaBook.ru © 2018–2026 | Мобильная версия | Статьи о Шкоде | Карта сайта EN BG BY UA RS HR RO PL SK HU | Обратная связь | Поиск по сайту | В закладки
Фабия 1 (1999-2007) | Рапид 1 (2012-2022) | Октавия 1 (1996-2004) | Октавия 3 (2013-2019) | Суперб 2 (2008-2015) | Кодиак 1 (2016-2024) | Йети (2009-2017) | Фаворит (1987-1994) | Фелиция (1994-2001) | Автоновости про Шкоду | Устройство автомобилей | Устройство и работа ДВС | Датчики в автомобиле | Советы автолюбителю
Продолжая пользоваться сайтом, вы соглашаетесь на использование cookie.