
Открыть большую картинку в новой вкладке »
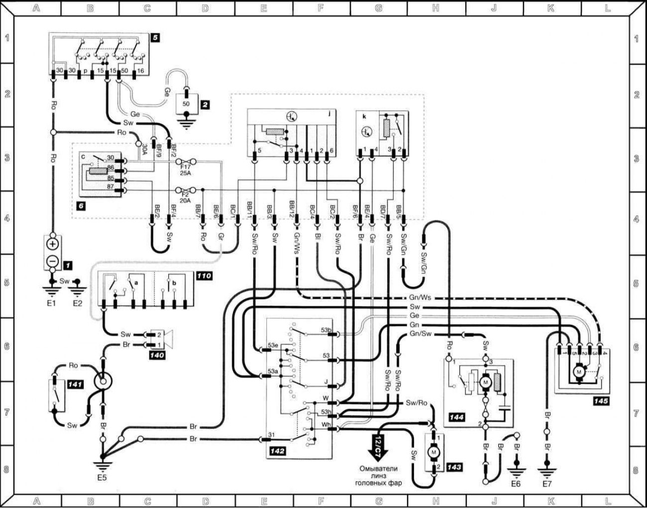
Обозначение компонентов
1 - Батарея; 2 - Стартер; 5 - Выключатель зажигания; 6 - Монтажный блок реле/предохранителей; с = реле контакта "Х"; j = реле передних омывателей/очистителей; k = реле заднего омывателя/очистителя; 110 - Комбинированный переключатель; а = ближний свет/мигание головными фарами; b = указатели поворотов; 140 - Клаксон; 141 - Выключатель клаксона со скользящим контактным кольцом; 142 - Переключатель очистителей/омывателей стекол; 143 - Подающий насос передних/заднего омывателей; 144 - Приводной мотор заднего стеклоочистителя; 145 - Приводной мотор очистителей ветрового стекла
Обозначения цвета изоляции электропроводки
Ws - Белый; Sw - Черный; Ro - Красный; Br - Коричневый; Gn - Зеленый; Vi - Фиолетовый; Bl - Синий; Gr - Серый; Li - Лиловый; Ge - Желтый; Or - Оранжевый
