
Открыть большую картинку в новой вкладке »
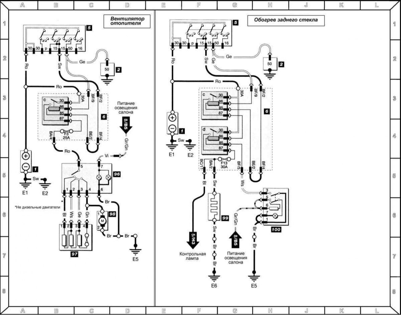
Обозначение компонентов
1 - Батарея; 2 - Стартер; 5 - Выключатель зажигания; 6 - Монтажный блок реле/предохранителей; с = реле контакта "Х"; d = реле обогревателя заднего стекла; 96 - Выключатель вентилятора отопителя; 97 - Резисторы вентилятора отопителя; 98 - Электромотор вентилятора отопителя; 99 - Обогреватель заднего стекла; 100 - Выключатель обогрева заднего стекла
Обозначения цвета изоляции электропроводки
Ws - Белый; Sw - Черный; Ro - Красный; Br - Коричневый; Gn - Зеленый; Vi - Фиолетовый; Bl - Синий; Gr - Серый; Li - Лиловый; Ge - Желтый; Or - Оранжевый
