
Открыть большую картинку в новой вкладке »
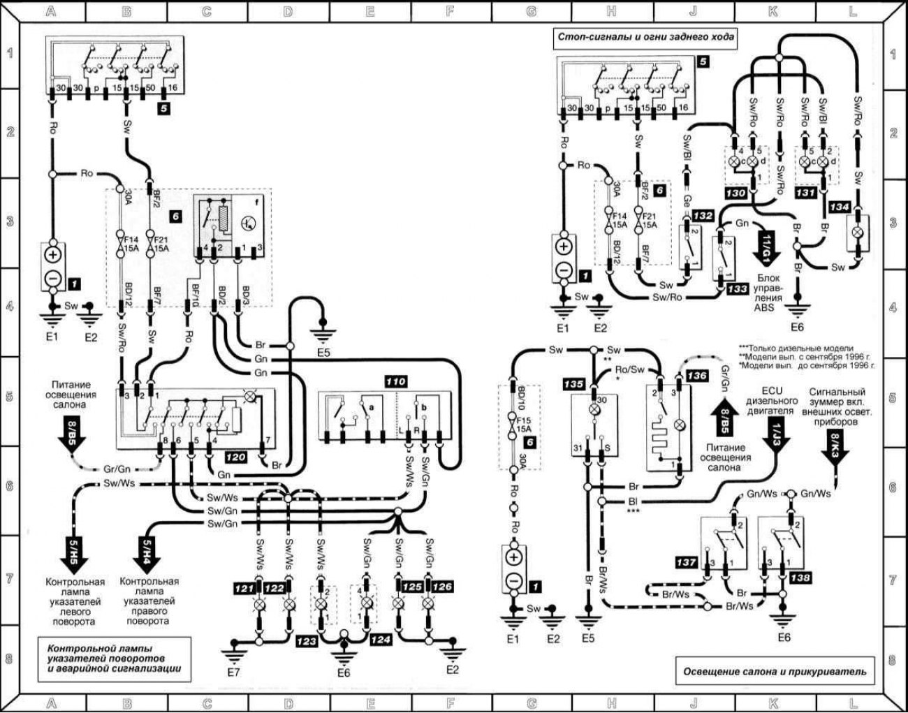
Обозначение компонентов
1 - Батарея; 6 - Монтажный блок реле/предохранителей; f = реле передних противотуманных фар; 110 - Комбинированный переключатель; а = ближний свет/мигание головными фарами; b = указатели поворотов; 120 - Выключатель аварийной сигнализации; 121 - Боковой повторитель указателя левого поворота; 122 - Передний указатель левого поворота; 123 - Задний указатель левого поворота; 124 - Задний указатель правого поворота; 125 - Передний указатель правого поворота; 126 - Боковой повторитель указателя правого поворота; 130 - Левый задний комбинированный фонарь; с = огонь заднего хода; d = стоп-сигнал; 131 - Правый задний комбинированный фонарь; с = огонь заднего хода; d = стоп-сигнал; 132 - Датчик-выключатель огней заднего хода; 133 - Датчик-выключатель стоп-сигналов; 134 - стоп-сигнал верхнего уровня; 135 - Передний салонный светильник; 136 - Прикуриватель; 137 - Выключатель водительской двери; 138 - Выключатель пассажирской двери
Обозначения цвета изоляции электропроводки
Ws - Белый; Sw - Черный; Ro - Красный; Br - Коричневый; Gn - Зеленый; Vi - Фиолетовый; Bl - Синий; Gr - Серый; Li - Лиловый; Ge - Желтый; Or - Оранжевый
