Оглавление: Снятие ⬇ Установка ⬇
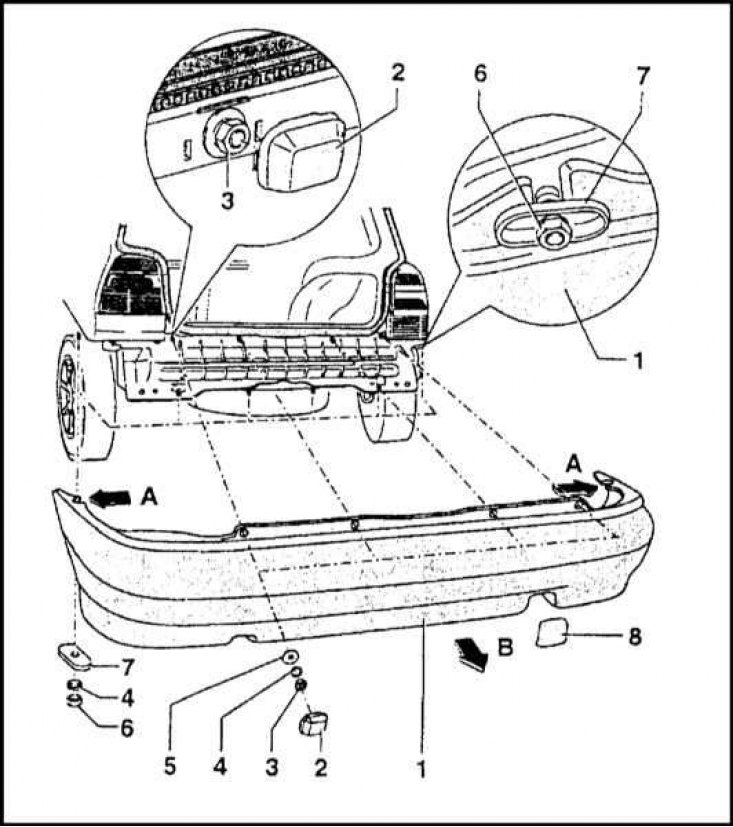
Компоненты установки заднего бампера
1 - Бампер; 2 - Заглушка; 3 - Гайка; 4 - Шайба; 5 - Шайба; 6 - Гайка; 7 - Накладка; 8 - Крышка буксирного рыма
Типичные компоненты установки заднего бампера представлены на иллюстрации.
Снятие
1. Откройте дверь задка. Поддев, снимите декоративные колпачки и отдайте верхние гайки крепления заднего бампера. Снимите шайбы.
![]() |
![]() |
2. В случае необходимости с целью обеспечения лучшего доступа, подоприте клиньями передние колеса, затем поддомкратьте задок автомобиля и установите его на подпорки.

Информация скопирована с ресурса [www.skodabook.ru]
3. Под автомобилем отдайте боковые крепежные гайки, а также гайки крепления основания бампера к кузову автомобиля. Необходимость в окончательном снятии гаек отсутствует, так как крепежные отверстия имеют овальную форму.
4. При помощи ассистента высвободите концы бампера из боковых опор и снимите сборку с автомобиля.
![]() |
![]() |
Установка
Установка производится в обратном порядке. Проследите за надежностью затягивания крепежа.




