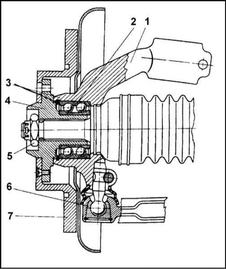
Сборка ступицы переднего колеса
1 - Поворотный кулак; 2 - Подшипник; 3 - Пружинное кольцо; 4 - Ступица; 5 - Гайка; 6 - Шаровая опора; 7 - Тормозной диск
Примечание. Двухрядный роликовый колесный подшипник имеет герметичное исполнение. Набивка сборки смазкой и установка преднатяга производятся на заводе-изготовителе автомобиля. Подшипник рассчитан на весь срок службы автомобиля и не нуждается ни в каком дополнительном обслуживании. Старайтесь не допускать затягивания ступичной гайки с чрезмерным усилием, - пользуйтесь динамометрическим ключом.
Для выполнения процедур разборки и сборки колесного подшипника потребуется подходящий пресс, в отсутствии которого сгодятся большие верстачные тиски с набором цилиндрических оправок (в качестве таковых отлично подойдут подходящие по размеру торцевые головки). Внутренние обоймы подшипника внатяг посажены на ступицу. Если при демонтаже подшипника обойма осталась на ступице, для ее снятия понадобится специальный съемник с захватами лезвийного типа.
1. Снимите ступичную сборку с автомобиля (см. Раздел Снятие и установка ступичных сборок передних колес).
[Статья расположена на сайте: SkodaBook.ru]

2. Прочно уложите сборку на пару деревянных блоков, либо зажмите ее в тиски с мягкими губками. При помощи цилиндрической оправки, опирающейся только во внутренний край ступичного фланца, выжмите последний из подшипника. Если наружная часть внутренней обоймы подшипника останется на ступице, воспользуйтесь съемником.
3. Снимите стопорное кольцо с наружного конца ступичной сборки.

4. Прочно подоприте наружную сторону ступичной сборки. При помощи цилиндрической оправки, опирающейся только во внутреннюю обойму подшипника, выжмите сборку последнего из ступицы.
5. Тщательно очистите ступичную сборку от грязи и следов смазки. Наждачной бумагой удалите заусеницы и задиры, способные помешать сборке компонентов. Проверьте компоненты на наличие трещин и прочих признаков износа. Дефектные детали замените.
6. С целью облегчения сборки компонентов слегка смажьте наружную обойму подшипника и цапфу фланца ступицы маслом типа Optimol VP317.

7. Прочно подоприте ступицу и заправьте в нее подшипник. При помощи цилиндрической оправки, упирающейся только в наружную обойму подшипника, запрессуйте последний до упора в гнездо в ступице. Удостоверьтесь в перпендикулярности посадки подшипника.
8. Посадив подшипник в ступицу, зафиксируйте его стопорным кольцом. Проследите за правильностью посадки кольца в своей канавке.
9. Прочно подоприте наружную сторону фланца ступичной сборки Наденьте на конец фланца внутреннюю обойму подшипника. При помощи цилиндрической оправки, упирающейся только во внутреннюю обойму, посадите подшипник до упора в плечики сборки. Проверьте свободу вращения фланца, удалите избыток масла/смазки.
10. Установите ступичную сборку на автомобиль (см. Раздел Снятие и установка ступичных сборок передних колес).
