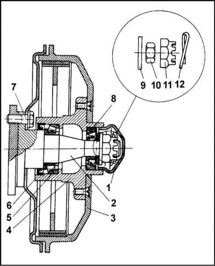
Ступичная сборка заднего колеса
1 - Крышка; 2 - Цапфа моста; 3 - Тормозной барабан; 4 - Ступица; 5 - Подшипник; 6 - Сальник; 7 - Болт крепления цапфы к рычагу; 8 - Подшипник; 9 - Шайба; 10 - Гайка; 11 - Корончатая стопорная шайба; 12 - Шплинт
1. Снимите тормозной барабан (см. Главу Тормозная система).

2. Поддев отверткой с плоским жалом, извлеките сальник из сборки тормозного барабана - постарайтесь запомнить каким образом он был установлен.
3. Извлеките из барабана внутренний подшипник.

4. Подоприте сборку и выбейте из нее обойму наружного подшипника.

Данные взяты с онлайн-портала skodabook.ru
5. Переверните барабан и выбейте обойму внутреннего подшипника.
6. Тщательно зачистите посадочное гнездо в барабане, полностью удалив все следы грязи и старой смазки. Задиры, заусеницы и шероховатости удалите при помощи мелкозернистой наждачной бумаги. Внимательно проверьте поверхность на наличие трещин и прочих признаков износа. В случае необходимости произведите замену компонента. Замена подшипников и сальника производится в обязательном порядке, вне зависимости от их состояния, так как при демонтаже наружные обоймы неизбежно разрушаются. Приготовьте новые подшипники, сальник и специальную универсальную смазку.
7. Перед установкой слегка смажьте наружные обоймы подшипников чистым двигательным маслом с целью облегчения посадки.
8. Надежно подперев барабан, посадите на свое место наружную обойму наружного подшипника. Плотно застучите обойму в приемное гнездо, проследив за перпендикулярностью ее посадки. В качестве оправки воспользуйтесь отрезком трубы подходящего диаметра - оправка должна упираться исключительно в наружный край обоймы.
9. Переверните барабан и, действуя в том же порядке, установите в него наружную обойму внутреннего подшипника.
10. Удостоверьтесь в правильности посадки обеих наружных обойм, затем тщательно протрите сборку.

11. Набейте смазкой оба конусных роликовых подшипника, также нанесите смазку на их наружные обоймы.

12. Посадите внутренний подшипник в свою наружную обойму.

13. Заправьте новый сальник губками внутрь в приемное гнездо с задней стороны барабана.

14. Посадите сальник заподлицо с поверхностью барабана, либо до упора в заднюю часть последнего. В случае необходимости сальник можно застучать в гнездо при помощи оправки, изготовленной из отрезка трубы подходящего диаметра. Помните, что оправка должна упираться только в твердый наружный край сальника.
15. Переверните барабан и посадите в свою наружную обойму наружный конусный роликовый подшипник. Установите зубчатую шайбу.
16. Набейте подшипники ступицы смазкой и установите на место сборку тормозного барабана (см. Главу Тормозная система).
