3.1а. Детали заднего тормозного механизма CII-41 (модели AWD) 1, 7. Болт, подлежит замене, 70 Нм, затем дотяните на угол 90°; 2. Датчик ABS, перед установкой очистите стенки монтажного отверстия и нанесите на них смазку G 052 112 АЗ; 3. Болт, 8 Нм; 4. Щиток тормозного механизма, имеются разные варианты; 5. Болт, 12 Нм; 6. Ступичная сборка, со встроенным ротором датчика 2; 8. Тормозной диск, заменяются на обеих сторонах одновременно; 9. Болт, 4 Нм; 10. Тормозные колодки; 11. Анкерная скоба, с направляющими пальцами и колпачками; 12. Держатели колодок, подлежат замене при замене колодок; 13. Суппорт; 14. Фиксатор трубки 15; 15. Тормозная трубка, 14 Нм; 16. Трос стояночного тормоза; 17. Самоконтрящийся болт, подлежит замене, 35 Нм; 18. Тормозной шланг; 19. Держатель ступичной сборки; 20. Болт, подлежит замене, 90 Нм, затем дотяните на угол 90°
3.1b. Детали заднего тормозного механизма Bosch BIRIII (модели AWD) 1-13. см. подписи к иллюстрации 3.1а; 14. Самоконтрящийся болт, подлежит замене, 35 Нм; 15. Трос стояночного тормоза; 16. Фиксатор шланга 17; 17. Тормозной шланг, с накидной гайкой и полым болтом, 35 Нм; 18. Держатель ступичной сборки; 19. Болт, подлежит замене, 90 Нм, затем дотяните на угол 90°
3.1с. Детали заднего тормозного механизма CI-38 (модели FWD) 1. Датчик ABS, перед установкой очистите стенки монтажного отверстия и нанесите на них смазку G 052 112 АЗ; 2. Болт, 8 Нм; 3. Болт, подлежит замене, 90 Нм, затем дотяните на угол 90°; 4. Держатель ступичной сборки; 5. Щиток тормозного механизма; 6. Болт, 12 Нм; 7. Ступичная сборка, со встроенным ротором датчика 1; 8. Ступичный болт, подлежит замене, 180 Нм, затем дотяните на угол 180°; 9. Заглушка болта 8; 10. Тормозной диск, заменяются на обеих сторонах одновременно; 11. Болт, 4 Нм; 12. Тормозные колодки; 13. Анкерная скоба, с направляющими пальцами и колпачками; 14. Суппорт; 15. Фиксатор трубки 16; 16. Тормозная трубка, 14 Нм; 17. Самоконтрящийся болт, подлежит замене, 35 Нм; 18. Трос стояночного тормоза; 19. Пружинный фиксатор троса 18, на некоторых моделях; 20. Тормозной шланг
Замена колодок
Замечание: Заменять тормозные колодки следует попарно и на обоих колёсах одной оси одновременно.
Замечание: Если колодки снимаются не с целью их замены, т.е. будут установлены повторно, перед снятием помечайте их, чтобы затем установить на прежние места.
2. Поддомкратьте автомобиль и установите его на подпорки. Снимите заднее колесо.
3. Выверните болты крепления суппорта, удерживая направляющие пальцы рожковым ключом (смотрите иллюстрацию). Снимите суппорт с анкерной скобы, не отсоединяя от него тормозной шланг, и закрепите суппорт на проволоке, не допуская натяжения шланга.
3.3. Выворачивание болтов крепления суппорта (на примере Bosch BIRIII)
4. Снимите тормозные колодки и, на механизмах CII-41 и Bosch BIRIII, их держатели (смотрите иллюстрацию).
3.4. Держатели колодок (на примере Bosch BIRIII)
5. Перед установкой колодок вдавите поршень в тормозной колёсный цилиндр, используя для этого подходящее приспособление (смотрите иллюстрацию). Не повредите пыльник поршня. При этом следите за тем, чтобы тормозная жидкость не выливалась из резервуара, при необходимости откачайте её.
3.5. Вдавливание поршня
6. Тщательно очистите суппорт и сопрягаемые с ним поверхности колодок. При наличии на новых колодках защитного покрытия снимите его. Используйте для очистки только метилированный спирт, не выдувайте пыль от тормозных колодок сжатым воздухом.
7. Установите колодки (при наличии - с держателями) в суппорт. Если устанавливаются новые колодки, используйте новые держатели (кроме механизмов CI-38). Удостоверьтесь в правильности положения колодок в держателях (кроме механизмов CI-38).
8. Установите суппорт и закрепите его на анкерной скобе, затянув новые самоконтрящиеся болты с усилием 35 Нм. При этом удерживайте направляющие пальцы от проворачивания.
Замечание: Новые самоконтрящиеся болты (4 шт.) входят в состав ремонтного комплекта.
9. Установите колёса и при неподвижном автомобиле несколько раз сильно выжмите педаль тормоза, чтобы колодки приняли рабочее положение.
10. Откорректируйте уровень тормозной жидкости.
Снятие и установка, ремонт суппорта
11. Поддомкратьте автомобиль и установите его на подпорки. Снимите заднее колесо.
12. Отсоедините трос привода стояночного тормоза от рычага на суппорте, затем снимите пружинный фиксатор и вытяните трос из держателя на суппорте.
13. Подсоедините к штуцеру прокачки на суппорте шланг, другой конец этого шланга опустите в ёмкость для сбора тормозной жидкости. Откройте штуцер прокачки, выжмите педаль тормоза приспособлением VAG1869/2 (или попросите помощника), закройте штуцер прокачки и отсоедините шланг.
14. Отсоедините тормозную линию суппорта.
15. Выверните болты крепления суппорта, удерживая направляющие пальцы рожковым ключом (см. иллюстрацию 3.3).
16. Снимите суппорт с анкерной скобы. При необходимости ремонта суппорта (замены поршня) руководствуйтесь сопр. иллюстрациями.
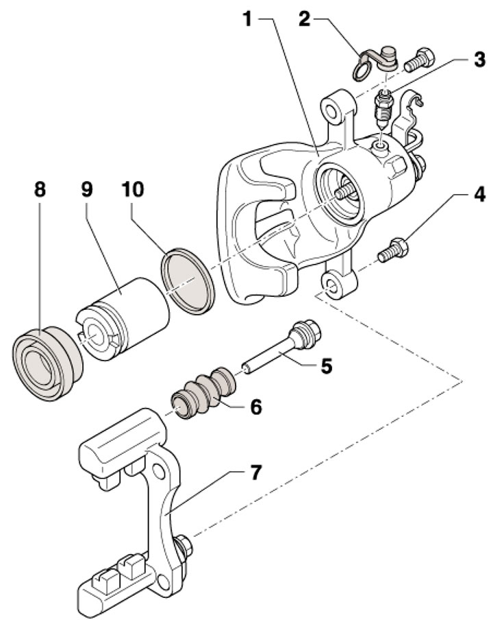
3.16а. Детали суппорта заднего тормозного механизма CI-38 (модели FWD); тормозные механизмы CII-41 (модели AWD) -аналогично 1. Суппорт, с рычагом стояночного тормоза; если рычаг не уплотнён, после замены предварительно прокачайте суппорт; 2. Колпачок; 3. Штуцер прокачки, 10 Нм, перед установкой слегка смажьте резьбу герметиком G 052 150 А2; 4. Самоконтрящийся болт, подлежит замене, 35 Нм; 5. Направляющий палец, перед установкой смажьте; 6. Пыльник, натягивается на скобу 7 и палец 5; 7. Анкерная скоба с направляющими пальцами и их пыльниками; 8. Пыльник, натягивается наружной уплотнительной губкой на поршень; 9. Поршень с автоматическим регулятором, перед установкой нанесите тонкий слой смазки G 052 150 А2; 10. Манжета
3.16b. Детали суппорта заднего тормозного механизма Bosch BIRIII (модели AWD)
17. Выполните действия, описанные в параграфах 5-7.
18. Подсоедините тормозною линию суппорта и прокачайте гидропривод тормозов.
19. Подсоедините и отрегулируйте трос стояночного тормоза (см. Раздел 4).
20. Выполните действия, описанные в параграфах 9-10.
[Материал опубликован на сайте SKODABOOK.ru]
