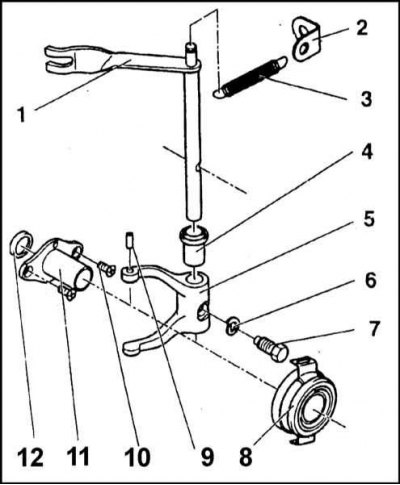
Компоненты механизма выключения сцепления
1 - Рычаг выключения; 2 - Анкер пружины; 3 - Пружина; 4 - втулка рычага выключения; 5 - Вилка рычага выключения сцепления; 6 - Стопорное кольцо; 7 - Винт; 8 - Выжимной подшипник; 9 - Штифт 4х10; 10 - Винт; 11 - Направляющая цапфа выжимного подшипника; 12 - Уплотнительное кольцо
Примечание. См. предупреждение, приведенное в начале Раздела Снятие, проверка состояния и установка сборки сцепления.
Снятие
1. Если силовой агрегат не снят с автомобиля и не расчленен, доступ к компонентам механизма выключения сцепления может быть обеспечен путем демонтажа коробки передач. Компоненты механизма выключения представлены на иллюстрации.
2. Выверните болт крепления вилки выключения на оси рычага выключения, снимите шайбу.
3. Отсоедините пружину от верхней части оси и извлеките рычаг из картера коробки передач. Снимите сборку вилки с выжимным подшипником (постарайтесь запомнить ее установочное положение), затем разделите на две части (вилка и подшипник).
Проверка
4.Проверьте состояние компонентов механизма выключения сцепления. Дефектные или изношенные детали замените. Тщательно осмотрите все контактные и опорные поверхности.
5. Правильной практикой является выполнение замены выжимного подшипника вне зависимости от его состояния. При стесненных финансовых обстоятельствах проверьте свободу вращения подшипника и состояние его контактной поверхности. В случае выявления дефектов подшипник подлежит замене.
6. Изношенная втулка оси рычага выключения сцепления подлежит замене. Старая втулка выбивается со своего посадочного места при помощи молотка и выколотки. Для посадки новой втулки воспользуйтесь в качестве оправки сменной головкой соответствующего размера или отрезком трубы подходящего диаметра (оправка должна упираться только в наружный край торцевой поверхности втулки).
Установка
1. Тщательно очистите все компоненты, полностью удалив все следы старого герметика с вилки выключения сцепления и резьбовой части ее болта. Удостоверьтесь в правильности посадки втулки оси рычага выключения в картере коробки передач.
2. Тонким слоем высокотемпературной смазки типа Kluber Microlube GL202, GL261 или GL262, либо Mobil lithium 932 или 933 покройте контактные поверхности оси рычага, вилки выключения и выжимного подшипника. Постарайтесь не допустить попадания смазки на фрикционные накладки диска сцепления.

3. Подсоедините вилку выключения к выжимному подшипнику.

4. Наденьте сборку вилки с подшипником на направляющую муфту коробки передач, затем проденьте в вилку рычажную сборку.

5. Слегка смажьте резьбовую часть стопорного винта крепления вилки подходящим герметиком (наилучшим образом подойдет герметик типа Tree bond или Aldrit). Добейтесь совмещения в вилке и оси рычага, затем аккуратно вверните болт. Удостоверившись в правильности посадки болта в отверстиях, затяните его с требуемым усилием.
6. Подсоедините пружину к верхней части рычага выключения. Перед установкой коробки передач на двигатель удостоверьтесь в исправности функционирования механизма выключения сцепления.
