Элементы стартера Magneton 1.0
1 - Передняя крышка; 2 - Крепежный винт М6х16; 3 - Шайба; 4 - Рычаг привода; 5 - Накладка; 6 - Штифт; 7 - Якорь реле; 8 - Пружина; 9 - Тяговое реле; 10 - Шайба; 11 - Пружинное кольцо; 12 - Гайка М10; 13 - Регулировочная шайба; 14 - Стопорное кольцо; 15 - Стопорное кольцо; 16 - Привод с обгонной муфтой; 17 - Пружина сжатия; 18 - Опорная шайба; 19 - Уплотнительное кольцо; 20 - Опорная шайба; 21 - Пружина сжатия; 22 - Шайба; 23 - Стопорное кольцо; 24 - Якорь; 25 - Корпус со статором; 26 - Шайба; 27 - Шайба; 28 - Шайба; 29 - Пружина; 30 - Задняя крышка; 31 - Соединительная лента; 32 - Щетка; 33 - Пружинная шайба; 34 - Винт М4х6; 35 - Шайба; 36 - Пружинная шайба; 37 - Стяжной болт М6х123; 38 - Защитный кожух; 39 - Пружинная шайба; 40 - Винт М6х10
Разрез стартера Magneton 1.0
1 - Корпус; 2 - Обгонная муфта; 3 - Приводная шестерня; 4 - Подшипник скольжения; 5 - Рычаг; 6 - Тяговое реле; 7 - Статор; 8 - Главные контакты; 9 - Щетка; 10 - Подшипник скольжения; 11 - Якорь
Схема включения стартера
1 - Батарея; 2 - Выключатель зажигания; 3 - Возвратная пружина; 4 - Плунжер; 5 - Обмотка; 6 - Выдвижной стержень; 7 - Контактная накладка; 8 - Главный контакт; 9 - Главный контакт; 10 - Обмотка возбуждения; 11 - Щетки; 12 - Тормозные шайбы; 13 - Коллектор; 14 - Якорь; 15 - Пружина; 16 - Рычаг; 17 - Пружина; 18 - Обгонная муфта; 19 - Приводная шестерня
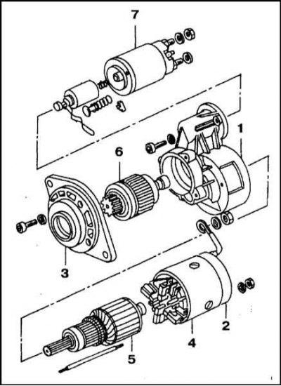
Стартер Magneton 0.8 с планетарным редуктором
1 - Корпус; 2 - Задняя крышка; 3 - Передняя крышка; 4 - Статор; 5 - Якорь; 6 - Планетарный редуктор; 7 - Тяговое реле
Общая информация
Стартер представляет собой электромотор постоянного тока, который через редукционный привод проворачивает коленчатый вал в момент запуска двигателя.
До июля 1995 г все модели комплектовались стартером Magneton мощностью 1 кВт, с означенного момента на модели 1.3 л начали устанавливать стартер Magneton 0.8, отличающийся меньшими массогабаритными характеристиками при увеличенном крутящем моменте. Оба стартера имеют одинаковые посадочные размеры и крепятся двумя болтами М8.
Стартер крепится к куполу сцепления. Приводная шестерня стартера вводится в зацепление с зубчатым венцом маховика при помощи тягового реле.
Стартер старого типа Magneton 1.0 состоит из корпуса, передней и задней крышек, якоря, обгонной муфты и тягового реле. Корпус стартера скреплен с передней и задней крышками двумя сквозными болтами.
Внутри корпуса закреплены стальные сердечники, на которые намотаны обмотки возбуждения. Чтобы обеспечить возможность протекания больших стартовых токов, обмотки возбуждения выполнены из медной ленты.
Якорь состоит из вала, на который напрессован сердечник, состоящий из отдельных изолированных друг от друга магнитных пластин. В пластинках имеются вырезы в форме желобов. Внутри желобов проложены роторные обмотки. Оба конца обмоток выведены на коллектор.
Коллектор расположен на одном из концов вала якоря и состоит из медных пластин, также изолированных друг от друга. Вал якоря заканчивается шейками подшипников скольжения, втулки которых посажены в корпусе и задней крышке сборки.
С противоположной стороны вала предусмотрены спиральные шлицы, на которые надета сборка обгонной муфты с приводной шестерней. При срабатывании тягового реле шестерня сдвигается по шлицам вала до введения ее в зацепления с зубчатым венцом маховика.
В задней крышке корпуса находятся четыре щетки, закрепленные в щеткодержателях. Щетки прижимаются к коллектору спиральной пружиной. На крышке при помощи болта М6 закреплен жестяной защитный кожух, предохраняющий коллектор и щетки от загрязнения.
Электромагнитное тяговое реле вмонтировано в сборку передней крышки стартера и закреплено в ней двумя болтами М6х16. Реле выполняет две функции: приводит в движение рычаг механизма ввода шестерни в зацепление с венцом маховика, а также замыкает цепь подачи
Тяговое реле состоит из корпуса, внутри которого расположена обмотка. Внутрь обмотки вставлен подвижный плунжер, изготовленный из материала с высокой магнитной проницаемостью. Плунжер соединен с рычагом привода стартера. Возврат плунжера в исходное положение производится при помощи специальной пружины. В отверстие плунжера заправлен стержень с закрепленным на нем медным подвижным контактом, замыкающим главные контакты, представляющие собой головки двух болтов, непосредственно подсоединенных к клеммам батареи.
При повороте ключа зажигания в положение II замка ток от батареи начинает пропускаться через обмотку контактного стержня. Образующееся при этом магнитное поле втягивает плунжер внутрь сборки реле. Движение от плунжера передается закрепленному на нем рычагу, который, в свою очередь, сдвигает приводную сборку по спиральным шлицам вала якоря стартера в сторону зубчатого венца маховика.
В момент замыкания главных контактов по обмотке стартера начинает протекать ток и введенная в зацепление с зубьями венца маховика приводная шестерня раскручивает коленчатый вал двигателя. Если же зубья шестерни и венца в исходный момент оказались не зацепленными между собой, то такое зацепление неизменно произойдет под воздействием развиваемого пружиной (17) в момент совмещения зубьев шестерни с промежутком между зубьями венца маховика.
Благодаря тому, что при введении шестерни в зацепление с венцом она имеет также поступательное движение, начальный рывок от удара зубьев смягчается.
Как только двигатель запустится и частота вращения маховика начнет превышать обороты приводной шестерни, обгонная муфта начнет свободно проворачиваться на валу якоря, предохраняя тем самым стартер от разрушения.
При отпускании ключа зажигания магнитное поле катушки контактного стержня исчезает и плунжер тягового реле возвращается в исходное положение под воздействием развиваемого пружиной усилия. При этом происходит размыкание главных контактов и питание стартера отключается. Приводной рычаг также возвращается в исходное положение и шестерня выходит из зацепления с зубчатым венцом маховика. Благодаря спиралевидности формы направляющих штифтов на валу якоря, вышедший из зацепления маховик отталкивает шестерню назад. Приводной рычаг при этом слегка сжимает пружину (15), которая прижимает сборку якоря к тормозной шайбе (12).
Стартер нового типа Magneton 0.8 оборудован планетарным редуктором. При включении якорь стартера начинает вращаться с частотой 5000 об/мин, благодаря чему развивается относительно большая мощность. В планетарном редукторе обороты снижаются с одновременным повышением крутящего момента, что гарантирует безотказный запуск холодного двигателя даже в морозную погоду.
Снятие и установка стартеров обоих типов производится в аналогичной манере.
Снятие
1. Отсоедините отрицательный провод от батареи - это особенно важно, так как провод питания стартера постоянно находится под напряжением.
[Данный материал опубликован на портале: www.SKODABOOK.ru]

2. Снимите резиновый защитный чехол и отсоедините электропроводку от задней стороны тягового реле. Постарайтесь запомнить порядок подсоединения проводов.



3. Отпустите фиксатор, отделите электропроводку огней заднего хода от корпуса стартера и отведите ее в сторону.
Примечание. Возможно, электропроводку огней заднего хода придется отсоединить от своего датчика-выключателя, чтобы гарантировать полное отсутствие риска повреждения ее в ходе демонтажа стартера.

4. Поддерживая стартер рукой, отдайте гайки крепления на куполе сцепления.

5. Снимите стартер.
Установка
Установка производится в обратном порядке. Весь крепеж затягивайте с требуемым усилием. Проследите за правильностью прокладки и надежностью подсоединения электропроводки.
