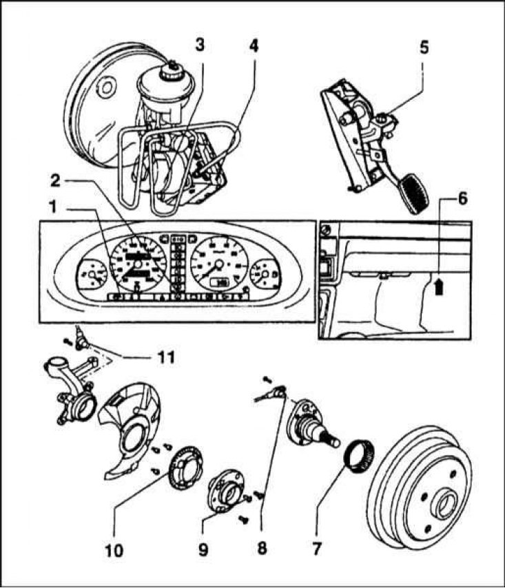
Компоненты тормозной системы с ABS
1 - Контрольная лампа ABS; 2 - Контрольная лампа уровня тормозной жидкости; 3 - Гидравлический насос ABS; 4 - Гидравлический модулятор; 5 - Датчик-выключатель стоп-сигналов; 6 - Местоположение диагностического разъема; 7 - Импульсный диск (сигнальный ротор) заднего колесного датчика; 8 - Датчик частоты вращения заднего колеса; 9 - Болт; 10 - Импульсный диск (сигнальный ротор) переднего колесного датчика; 11 - Датчик частоты вращения переднего колеса
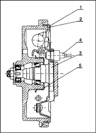
Функциональная схема тормозной системы с ABS
Д - Колесный датчик; ТМ - Тормозной механизм; 1 - Электрогидравлический клапан; 2 - ГТЦ; 3 - Насос; 4 - Клапаны диагонального разделения контуров; 5 - Резервуар тормозной жидкости; 6 - ECU
Расположение датчика частоты вращения переднего колеса
1 - Колесный датчик; 2 - Импульсный диск (ротор)
Расположение датчика частоты вращения заднего колеса
1 - Тормозной щит; 2 - Тормозной барабан; 3 - Ступица; 4 - Колесный датчик; 5 - Импульсный диск (ротор)
Примечание. Автомобили комплектуются ABS производства фирмы ITT Automotive Europe. В комплект входят: усилитель 9 дюймов, ГТЦ тандемного типа (∅23.8 мм), гидравлический модулятор и соединительные линии. Резьба для подсоединения гидравлических линий правых и левых колес на сборке модулятора различная - М12х1 и М10х1 соответственно.
ABS входит в стандартную комплектацию некоторых моделей, на остальных может быть установлена дополнительно. В состав системы входят гидравлический модулятор с установленным на нем электронным блоком управления (ECU) и четыре колесных датчика. Модулятор оборудован гидравлическими электромагнитными клапанами (по два на каждый из тормозных механизмов [один впускной и один выпускной]) и электроприводной насос. Задачей системы является предотвращение преждевременной блокировки колес автомобиля при резком торможении. Данная цель достигается за счет мгновенных модуляций давления в гидравлических контурах тормозных механизмов колес.
Срабатыванием электромагнитных клапанов модулятора управляет ECU, непрерывно получающий информацию о скорости вращения каждого из колес автомобиля от четырех колесных датчиков. Анализируя поступающие сигналы, ECU определяет текущую скорость движения автомобиля и использует ее в качестве опорной точки при определении момента начала блокировки каждого из колес. В нормальных условиях тормозная система функционирует как обычная, не оборудованная ABS.
В момент начала блокировки любого из колес ECU выдает команду на срабатывание соответствующего выпускного электромагнитного клапана(ов) гидравлического модулятора. В результате данный тормозной механизм(ы) изолируется от ГТЦ и давление в нем перестает повышаться.
Если скорость вращения данного колеса (колес) продолжает снижаться, блок управления выдает команду на открывание впускного электромагнитного клапан(ов) и активирует электроприводной насос, который откачивает тормозную жидкость обратно в ГТЦ, возвращая свободу вращения заблокированному колесу(ам). Как только скорость вращения колеса (колес) поднимается до приемлемого значения, насос отключается, а электромагнитный клапан(ы) восстанавливает связь гидравлического контура соответствующего тормозного механизма(ов) с ГТЦ. Цикл может повторяться множество раз в секунду, позволяя сохранить контроль над управлением автомобилем при резком торможении вне зависимости от состояния дорожного покрытия.
Функционирование электромагнитных клапанов и возвратного насоса вызывает пульсации в гидравлическом контуре, поэтому толчки педали ножного тормоза во время функционирования ABS являются вполне закономерным явлением и не должны вызывать беспокойства.
Функционирование ABS полностью зиждется на вырабатываемых колесными датчиками электрических сигналах. Во избежание ложных срабатываний модулятора, ECU оборудован специальным контрольным контуром, отслеживающим все поступающие на блок сигналы. В случае поступления сомнительного сигнала, либо при выявлении признаков снижения выходного напряжения аккумуляторной батареи, на приборном щитке загорается соответствующая контрольная лампа, информирующая водителя об отказе ABS. Тормозная система при этом продолжает функционировать в обычном режиме, обеспечивая адекватное торможение автомобиля.
В ходе эксплуатации автомобиля следите за герметичностью соединений гидравлического тракта и состоянием электропроводки. Компоненты ABS не нуждаются в дополнительном обслуживании.
В случае нарушения функционирования ABS автомобиль следует отогнать на станцию техобслуживания компании, где будут произведены полная диагностика системы с применением специального считывателя и соответствующий ремонт.
