Предохранители
Большинство предохранителей помещено вместе с реле в специальный монтажный блок, устанавливаемый под панелью приборов пассажирском ножном колодце. Предохранители некоторых из дополнительных систем (ABS, К/В) могут устанавливаться в отдельных держателях, закрепленных в левой части двигательного отсека. На дизельных моделях предохранители системы преднакала и вентилятора системы охлаждения могут также располагаться в двигательном отсеке автомобиля.
С целью обеспечения доступа к предохранителям выверните крепежный фиксатор и, развернув книжкой, высвободите монтажный блок из панели приборов. Список предохранителей приведен в последнем Разделе настоящей Главы. Для доступа расположенных в двигательном отсеке предохранителей откройте крышку капота, отпустите фиксаторы и крышку с соответствующего держателя.



Для замены предохранителя предварительно отключите соответствующий контур/выключите зажигание. Затем ухватитесь за корпус выбитого предохранителя специальными щипцами, закрепленными в крышке блока и потянув вертикально вверх, извлеките его из клемм держателя. Вышедший из строя предохранитель легко опознать по оплавленной или сгоревшей токопроводящей перемычке.
Ни в коем случае не заменяйте выбитый предохранитель рассчитанным на более высокие номинальные (по силе тока) нагрузки. Крайне порочной практикой является восстановление вышедшего из строя предохранителя путем перемыкания его контактов при помощи металлической фольги.
Если сменный предохранитель выходит из строя сразу после подачи питания в контур, следовательно в цепи имеет место короткое замыкание, причину которого следует выявить и устранить. Если проверяемый предохранитель используется для защиты одновременно нескольких электрических контуров, постарайтесь выявить неисправную цепь путем поочередного включения каждого из подконтрольных контуров, исключая тем самым заведомо исправные.
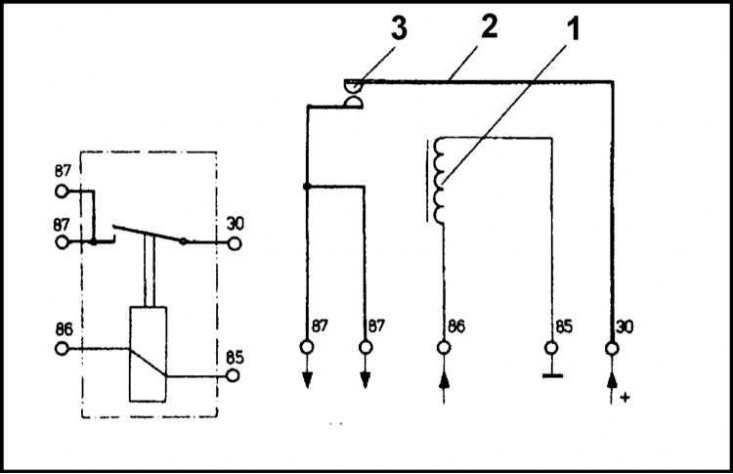
Электрическая схема реле
1 - Обмотка; 2 - Подвижный контакт (якорь); 3 - Контакты
Реле представляет собой электромеханический переключатель, используемый главным образом в силовых цепях. Электрическая схема реле типичной конструкции представлена на иллюстрации.
Большинство из используемых на автомобиле реле помещены в общий с предохранителями монтажный блок. Дополнительные реле (типа реле системы преднакала дизельного двигателя) расположены в двигательном отсеке.
С целью обеспечения доступа к реле выверните крепежный фиксатор и, развернув книжкой, высвободите монтажный блок из панели приборов.
Если имеются подозрения на то, что отказ какого-либо из электрических контуров связан с выходом из строя реле его управления, включите соответствующую систему - исправное реле при подаче на него питания должно издать отчетливо слышимый щелчок. Если щелчок раздается, значит, причиной отказа является неисправность собственно рабочего компонента, или выход из строя электропроводки. В противном случае, имеет место либо нарушение подачи питания, либо неисправно собственно реле. Проверка состояния реле производится путем подстановки на его место заведомо исправного. При этом не следует забывать, что внешняя схожесть двух реле вовсе не обязательно является гарантией идентичности принципа их функционирования.
Для замены реле, прежде всего, выключите соответствующий электрический контур. Затем реле легко может быть снято путем вытягивания его из приемного гнезда. Установите на место снятого реле новое, с соответствующими рабочими параметрами.
Прерыватель указателей поворотов/аварийной сигнализации
1 - Обмотка; 2 - Контакт; 3 - Контакт; 4 - Нить; 5 - Предохранитель 15 А; 6 - Предохранитель 8 А; 7 - Батарея; 8 - Выключатель зажигания; 9 - Выключатель аварийной сигнализации; 10 - Переключатель указателей поворотов; 11 - Контрольные лампы указателей поворотов/аварийной сигнализации; 12 - Лампы указателей поворотов
Схема подключения прерывателя указателей поворотов/аварийной сигнализации показана на иллюстрации.
