Оглавление: Корпус дросселя ⬇ Инжектор впрыска топлива ⬇ Датчик температуры всасываемого…⬇ Регулятор давления топлива ⬇ Модуль положения дроссельной заслонки ⬇ Датчик положения дроссельной…⬇ Датчик-выключатель оборотов…⬇ Кислородный датчик (λ-зонд) ⬇ Датчик температуры охлаждающей…⬇ Датчик оборотов и положения…⬇ Электронный блок управления (ECU) ⬇ Реле и предохранители топливного…⬇
Схема электрических соединений компонентов системы Bosch Mono-Motronic
1 - От клеммы 15 замка зажигания; 2 - λ-зонд; 3 - Датчик оборотов коленчатого вала; 4 - Датчик температуры охлаждающей жидкости; 5 - Датчик положения дроссельной заслонки (TPS); 6 - Датчик температуры всасываемого воздуха (IAT); 7 - Выходной сигнал к тахометру; 8 - Заземление датчика оборотов; 9 - Заземление ECU; 10 - Заземление λ-зонда; 11 - Заземление концевого датчика-выключателя; 12 - Заземление ECU; 13 - Блок системы зажигания; 14 - Диагностический разъем; 15 - Реле бензонасоса; 16 - Шаговый мотор управления положением дроссельной заслонки; 17 - Инжектор впрыска топлива; 18 - Клапан системы улавливания топливных испарений; 19 - Управляющий сигнал от λ-зонда; 20 - От клеммы 30 диагностического разъема
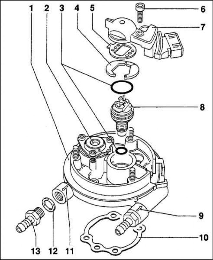
Компоненты верхней половины корпуса дросселя
1 - Верхняя секция корпуса дросселя; 2 - Регулятор давления топлива; 3 - Уплотнительное кольцо; 4 - Крепежная шайба (устанавливается не на всех моделях); 5 - Уплотнительная прокладка; 6 - Винт крепления инжектора впрыска/датчика IAT; 7 - Датчик IAT; 8 - Инжектор впрыска топлива; 9 - Штуцерное соединение линии подачи топлива; 10 - Уплотнительная прокладка; 11 - Штуцерное соединение линии возврата топлива; 12 - Уплотнительная шайба; 13 - Штуцер топливного шланга
Примечание. См. предупреждения, приведенные в Разделе Общая информация и меры предосторожности.
Схема соединения компонентов системы Bosch Mono-Motronic представлена на иллюстрации.
Корпус дросселя
Снятие
1. Снимите сборку кожуха воздухоочистителя (см. Раздел Снятие и установка сборки воздухоочистителя).
2. Сбросьте остаточное давление в системе питания (см. Раздел Сброс остаточного давления в системе питания), затем отсоедините отрицательный провод от батареи.
3. Отсоедините от штуцеров на стенке корпуса дросселя линии Пометьте шланги в соответствии с реальным направлением потока топлива (см. стрелки на иллюстрациях).
Информация опубликована на веб-сайте (www.SKODABOOK.ru)



4. Рассоедините электрические разъемы на корпуса дросселя. Промаркируйте соответствующим образом жгуты электропроводки.


5. Отсоедините от корпуса дросселя трос акселератора (см. Раздел Снятие, установка и регулировка троса акселератора).

6. Выверните сквозные болты (А) крепления корпуса дросселя к впускному трубопроводу. Снимите корпуса дросселя с трубопровода и уберите прокладку (если таковая предусмотрена). Без реальной необходимости не следует расчленять корпуса дросселя - его половины крепятся между собой посредством внутренних сквозных болтов (В). Если же такое расчленение произведено, не забудьте заменить уплотнительную прокладку.
Установка
Установка производится в обратном порядке. Не забудьте заменить уплотнительные прокладки и проследить за надежностью затягивания крепежа. В заключение отрегулируйте натяжение троса акселератора (см. Раздел Снятие, установка и регулировка троса акселератора).
Инжектор впрыска топлива
Снятие
1. Снимите кожух воздухоочистителя (см. Раздел Снятие и установка сборки воздухоочистителя).
2. Сбросьте остаточное давление в системе питания (см. Раздел Сброс остаточного давления в системе питания), затем отсоедините отрицательный провод от батареи.
3. Отсоедините от инжектора впрыска электропроводку.

4. Выверните винт и снимите крышку инжектора/кожух датчика температуры всасываемого воздуха (IAT). Снимите прокладку.
5. Снимите крепежную шайбу (если таковая предусмотрена), затем извлеките инжектор из корпуса дросселя. Снимите уплотнительные кольца.
6. При помощи универсального тестера измерьте электрическое сопротивление инжектора сравните результат измерения с требованиями Спецификаций.
Установка
Установка производится в обратном порядке. Не забудьте заменить уплотнительные кольца и прокладки. Резьбу крепежных винтов перед установкой смажьте подходящим герметиком. Весь крепеж затягивается с требуемым усилием.
Датчик температуры всасываемого воздуха (IAT)

Датчик IAT вмонтирован в крышку инжектора впрыска топлива, описание процедур снятия и установки которой приведено в предыдущем подразделе. На основе получаемой от датчика информации ECU корректирует количество впрыскиваемого инжектором топлива. В случае отказа датчика ECU переключает систему в аварийный режим функционирования, вырабатывая управляющий сигнал, соответствующий температуре воздуха в 20°C. при этом могут возникать проблемы с запуском двигателя и стабильностью его оборотов в режиме прогрева.
Регулятор давления топлива
Снятие
1. В случае отсутствия уверенности в исправности функционирования регулятора, следует произвести разборку блока, затем проверить его на наличие признаков загрязнения и целостность внутренних компонентов.
Примечание. Компания Skoda настаивает, что в случае выхода из строя регулятора давления следует произвести замену всей верхней половины корпуса дросселя в сборе. Проконсультируйтесь на станции техобслуживания.
2. Снимите кожух воздухоочистителя (см. Раздел Снятие и установка сборки воздухоочистителя).
3. Сбросьте остаточное давление в системе питания (см. Раздел Сброс остаточного давления в системе питания), затем отсоедините отрицательный провод от батареи.
4. Выверните крепежный винт и снимите крышку инжектора впрыска/датчик IAT.
5. Выверните три крепежных винта с головками типа TORX и снимите опорную раму регулятора давления топлива.
6. Снимите верхнюю крышку, пружину и мембрану.
7. Тщательно протрите компоненты и проверьте мембрану на наличие трещин и прочих механических повреждений.
Установка
Установка производится в обратном порядке.
Модуль положения дроссельной заслонки
Снятие
1 - Контакты концевого выключателя; 2 - Рычаг привода дроссельной заслонки
1. Отсоедините отрицательный провод от батареи. Снимите кожух воздухоочистителя (см. Раздел Снятие и установка сборки воздухоочистителя). Концевой выключатель и шаговый электромотор привода дроссельной заслонкиустановлены в нижней части корпуса дросселя и обеспечивают обогащение воздушно-топливной смеси при запуске и прогреве двигателя, а также отключение подачи топлива во время торможения двигателем.
2. Отсоедините трос акселератора от корпуса дросселя (см. Раздел Снятие, установка и регулировка троса акселератора).
3. Рассоедините электрический разъем на стенке модуля положения дроссельной заслонки.

4. Выверните крепежные винты и снимите модуль с корпуса дросселя вместе с опорным кронштейном оболочки троса акселератора.
Установка
Установка производится в обратном порядке. В случае установки нового модуля необходимо проверить регулировку датчика-выключателя оборотов холостого хода - обратитесь на станцию техобслуживания.
Датчик положения дроссельной заслонки (TPS)

Снимите сборку корпуса дросселя (см. выше). TPS встроен в нижнюю половину сборки и замене в индивидуальном прядке не подлежит. Датчик представляет собой потенциометр, амплитуда выходного сигнала которого изменяется в зависимости величины угла открывания заслонки. Через контакты 1 и 5 на потенциометр подается опорное напряжение. С контактов 1 и 2 снимается выходной сигнал поворота заслонки в диапазоне от 0° до 24°. При повороте заслонки в диапазоне от 18° до 90° выходной сигнал снимается с контактов 1 и 4 сборки. Кроме вырабатывания сигнала о текущем положении дроссельной заслонки, датчик дополнительно информирует ECU о необходимости обогащения воздушно-топливной смеси при холодном запуске, акселерации и режиме торможения двигателем.
Датчик-выключатель оборотов холостого хода дроссельной заслонки
1. Снимите модуль положения дроссельной заслонки (см. выше). Датчик-выключатель вмонтирован в модуль и замене в индивидуальном порядке не подлежит.
2. После выполнения замены модуля положения датчик-выключатель холостого хода должен быть отрегулирован в условиях мастерской автосервиса.
Кислородный датчик (λ-зонд)
1 - Корпус; 2 - Керамическая трубка; 3 - Защитный колпачок; 4 - Активная зона; 5 - Контакты
λ-зонд установлен в приемной трубе системы выпуска отработавших газов. Рабочая температура датчика превышает значение 300°C, когда в активной зоне устройства происходит изменение сопротивления рабочего элемента в зависимости от уровня содержания кислорода в отработавших газах. Если амплитуда вырабатываемого датчиком сигнала выходит за пределы допустимого диапазона, соответствующего оптимальному соотношению компонентов воздушно-топливной смеси, ECU вырабатывает команду на корректировку количества впрыскиваемого топлива и угла опережения зажигания, поддерживая тем самым оптимальные условия для наиболее полного сгорания смеси и сокращения уровня токсичных составляющих в отработавших газах. В случае отказа λ-зонда система переходит в режим аварийного функционирования, сопровождающийся снижением динамических показателей и повышением расхода топлива. В память блока управления заносится соответствующий код неисправности.
Датчик температуры охлаждающей жидкости
1. Температурный датчик системы впрыска топлива установлен в задней части впускного трубопровода. Помимо него предусмотрен отдельный датчик, обеспечивающий функционирование измерителя температуры - CTS (см. Главу Системы охлаждения, отопления). В случае нарушения исправности функционирования датчика система переходит в аварийный режим работы, при этом может иметь место нарушение стабильности оборотов холодного двигателя.
2. Проверка датчика может быть произведена путем измерения его электрического сопротивления, которое при холодном двигателе должно составлять около 2 кОм, а при горячем - порядка 300 Ом.
3. При выявлении обрыва датчик подлежит замене. Если же сопротивление изменяется с температурой, следует отогнать автомобиль на станцию техобслуживания для более подробной проверки системы управления двигателем - код отказ датчика в некоторых случаях фиксируется в памяти ECU системы в виде соответствующего кода, который может быть определен при помощи специального диагностического считывателя.
4. Для снятия датчика необходимо либо полностью опорожнить систему охлаждения, либо отсоединить один из шлангов охладительного тракта от трубопровода и опорожнить последний. Альтернативно, приготовьте подходящую заглушку для блокировки установочного отверстия датчика после выворачивания последнего.

5. Рассоедините электрический разъем, затем выверните датчик из задней части трубопровода (см. сопроводительную иллюстрацию). Снимите уплотнитель - при сборке он подлежит замене в обязательном порядке.
6. Установите новый уплотнитель и вверните датчик на свое штатное место.
7. Подсоедините электропроводку и, по мере необходимости, долейте систему охлаждения.
Датчик оборотов и положения коленчатого вала

Датчик оборотов и положения коленчатого вала установлен на куполе сцепления и представляет собой индукционную сборку, информирующую ECU о частоте вращения и положении оборудованного индукционным кольцом (А) маховика. Индукционное кольцо имеет вырезы, расположенные через 54°. Датчик установлен так, чтобы вырабатывать информационный импульс в точках 60° и 6° до ВМТ. Анализируя поступающую от датчика информацию, ECU определяет момент впрыска топлива, а при превышении максимальной допустимой частоты вращения коленчатого вала (5800 об/мин) или во время торможения двигателем перекрывает подачу топлива. При замене датчика проследите за правильностью его размещения на куполе сцепления. Процедуры снятия и установки датчика описаны в Главе Электрооборудование двигателя.
Электронный блок управления (ECU)

ECU расположен сзади на левой переборке двигательного отсека). Блок защищен специальным кодом и не должен сниматься без предварительной консультации с представителями фирменного сервис-центра компании Skoda. Несанкционированное рассоединение многоконтактного разъем может привести нарушению исправности функционирования ECU.
Реле и предохранители топливного насоса
1. Реле топливного насоса и предохранители системы впрыска расположены в монтажном блоке, установленном в салоне автомобиля (см. Главу Бортовое электрооборудование).
2. Реле насоса находится на пятой позиции в ряду реле рабочей панели монтажного блока. Электрическая цепь контура питания насоса защищена предохранителем №4.
3. Реле извлекается из своего гнезда путем простого вытягивания. Установка реле однозначна ввиду асимметричности формы гнезда.
4. Предохранитель снимается также как и все прочие предохранители (см. Главу Бортовое электрооборудование).
5. Следует заметить, что снятие главного предохранителя системы впрыска (№1) приводит к стиранию адаптационных данных из памяти ECU, также как это происходит при отключении батареи. Перезагрузка рабочих параметров требует некоторого времени, что может привести к нарушению стабильности оборотов холостого хода в течение первых нескольких минут после первого запуска двигателя.
