Оглавление: Капитальный ремонт - общая информация ⬇ Разборка и сборка рычага управления…⬇ Снятие крышки картера РКПП, демонтаж…⬇ Демонтаж и установка редукторной…⬇ Демонтаж и установка…⬇ Разборка и сборка валов РКПП ⬇ Регулировка зазоров в подшипниках…⬇ Разборка и сборка дифференциала ⬇ Разборка и сборка механизма…⬇ Регулировка трехплечего рычага…⬇
Компоненты привода механизма переключения передач
1 - Рукоятка рычага управления РКПП; 2 - Рычаг управления РКПП; 3 - Наружный защитный чехол; 4 - Внутренний защитный чехол; 5 - Реактивная штанга; 6 - Резиновый упор; 7 - Крепежный хомут; 8 - Болт; 9 - Распорная втулка; 10 - Стопорное кольцо; 11 - Дистанционная шайба; 12 - Резиновые кольца; 13 - Втулки сферического шарнира; 14 - Пыльник; 15 - Болт М6; 16 - Шайба; 17 - Резиновая втулка; 18 - Шайба; 19 - Тяга привода переключения передач; 20 - Карданный шарнир; 21 - Соединительная муфта; 22 - Штифт; 23 - Пластмассовые втулки; 24 - болт; 25 - Хомут тяги; 26 - Пружинная шайба; 27 - Гайка М8 (18 Нм); 28 - Штифт
Компоненты сборки шестерни 5-й передачи РКПП
1 - Регулировочная шайба; 2 - Сепаратор игольчатого роликового подшипника шестерни 5-й передачи; 3 - Внутренняя обойма подшипника; 4 - Ведущая шестерня 5-й передачи; 5 - Ведомая шестерня 5-й передачи; 6 - Гайка (60 Нм); 7 - Блокирующее кольцо синхронизатора; 8 - Пружина синхронизатора; 9 - Ступица скользящей муфты синхронизатора; 10 - Скользящий ключ синхронизатора; 11 - Гайка (60 Нм); 12 - Шайба; 13 - Опорное кольцо; 14 - Скользящая муфта синхронизатора; 15 - Пружина синхронизатора; 16 - Вилка включения 5-й передачи; 17 - Штифт 5х22 (подлежит замене в обязательном порядке)
Порядок установки компонентов сборок первичного и вторичного валов РКПП
1 - Купол сцепления; 2 - Сборка главной передачи; 3 - Сборка вторичного вала; 4 - Шток вилки включения 5-й передачи; 5 - Шток вилок включения 1/2 и 3/4 передач; 6 - Сборка первичного вала; 7 - Штифт 4х7; 8 - Штифт рычага включения заднего хода; 9 - Заглушка; 10 - Рычаг включения заднего хода; 11 - Шарик фиксатора; 12 - Стопорная пружина; 13 - Промежуточная шестерня заднего хода; 14 - Штифт
Первичный вал коробки передач
1 - Внутренняя обойма конического роликового подшипника; 2 - Наружная обойма конического роликового подшипникам; 3 - Дистанционная шайба; 4 - Первичный вал; 5 - Внутренняя обойма конического роликового подшипника; 6 - Наружная обойма конического роликового подшипника
Компоненты вторичного вала коробки РКПП
1 - Стопорное кольцо; 2 - Шарикоподшипник; 3 - Шестерня 4-й передачи; 4 - Пружина синхронизатора; 5 - Скользящий ключ синхронизатора; 6 - Ступица скользящей муфты синхронизатора; 7 - Скользящая муфта синхронизатора; 8 - Стопорное кольцо; 9 - Блокирующее кольцо синхронизатора; 10 - Сборка синхронизатора 3/4 передач; 11 - Шестерня 3-й передачи; 12 - Шайба; 13 - Регулировочная шайба 2/3 передач; 14 - Пружина синхронизатора
Компоненты механизма переключения передач
1 - Гильза штока вилки включения передач; 2 - Муфта; 3 - Штифт 5х22 (при сборке подлежит замене в обязательном порядке); 4 - Вилка включения 1/2 передач; 5 - Шип механизма переключения передач; 6 - Сухарь фиксатора; 7 - Шток вилок включения 1/2 и 3/4 передач; 8 - Вилка включения 3/4 передач; 9 - Гильза штока; 10 - Стопорный болт; 11 - Вилка включения 5-й передачи; 12 - Шток вилки включения 5-1 передачи; 13 - Шип механизма переключения 5-й и задней передач; 14 - Направляющая кулиса; 15 - Прокладка; 16 - Болт (10 Нм); 17 - Трехплечий рычаг; 18 - Штифт трехплечего рычага; 19 - Резьбовая пробка с внутренним шестигранником (30 Нм); 20 - Болт (17 Нм, перед установкой смазать герметиком типа Loctite); 21 - Исполнительный рычаг штока выбора передач; 22 - Палец кулисы; 23 - Штифт с пружиной; 24 - Штифт с пружиной; 25 - Шток выбора передач; 26 - Уплотнительное кольцо штока выбора; 27 - Пыльник; 28 - Стопорная пружина; 29 - Шарик фиксатора; 30 - Палец рычага включения задней передачи; 31 - Рычаг включения задней передачи; 32 - Заглушка; 33 - Штифт 4х25
Капитальный ремонт - общая информация
Капитальный ремонт РКПП требует от исполнителя высокого уровня квалификации, так как предполагает выполнение точного выставления множества зазоров, путем подбора регулировочных шайб и дистанционных втулок. Кроме того, внутренние компоненты коробки передач достаточно трудно отыскать в свободной продаже, не говоря уже о высоких ценах на них. Ввиду всего сказанного, составители настоящего Руководства рекомендуют в случае возникновения проблем в функционировании РКПП произвести замену ее на новый или восстановленный блок.
Тем не менее, достаточно опытный механик-любитель без труда может выполнить ремонт коробки передач собственными силами при условии наличия специального инструмента. Помните, что все процедуры должны выполняться строго в надлежащем порядке. Не спешите, не суетитесь, старайтесь не пропускать никаких мелочей.
В число специальных инструментов, без применения которых ремонт РКПП становится невозможным, относятся щипцы для извлечения наружных и внутренних стопорных колец, комплект съемников, молоток со скользящим бойком, набор выколоток, циферблатный измеритель плунжерного типа и, по возможности, гидравлический пресс. Кроме того, рабочее место должно быть оборудовано большим прочным верстаком с тисками.
В процессе разборки коробки передач следует тщательно фиксировать на бумаге установочное положение всех снимаемых компонентов с целью гарантии правильности размещения их при сборке.
Прежде чем приступать к разборке РКПП следует постараться определить для себя возможные причины имеющих место нарушений. Некоторые проблемы достаточно четко привязаны к конкретным узлам коробки передач, что позволяет существенно сократить время на выявление и устранение дефектов.
Разборка и сборка рычага управления РКПП
1. Компоненты сборки привода механизма переключения передач представлены на иллюстрации. Все приведенные ниже ссылки соответствуют принятой на данной иллюстрации нумерации (если иное не оговорено отдельно).
2. Снимите рукоятку рычага управления (1).
3. Высвободите из панели центральной консоли и снимите с рычага наружный защитный чехол (3).
4. Отдайте крепежную гайку и извлеките болт (15) крепления рычага управления к тяге привода переключения передач.
5. Отдайте крепеж фиксации реактивной штанги (5) рычага на кузове и картере РКПП.
6. Снимите нижний защитный кожух рычага (4).
7. Опустите вниз и снимите с автомобиля сборку реактивной штанги с рычагом управления.
8. Снимите стопорное кольцо (10) и дистанционную шайбу (11).
9. Поддев подходящим остроконечным инструментом, извлеките из посадочной канавки в верхней втулки сферического шарнира (13) края резинового уплотнительного кольца (12) и разрежьте его ножом. Затем воспользуйтесь плоскогубцами и извлеките разрезанное кольцо из канавки.
10. Поддев отверткой, снимите снизу резиновый пыльник (14).
11. Извлеките нижнее резиновое уплотнительное кольцо втулочной сборки.
12. Снизу выжмите сборку рычага управления вместе со втулками шарнира из реактивной штанги.
13. Сборка производится в обратной последовательности.
Снятие крышки картера РКПП, демонтаж опоры
Примечание. Снятие крышки может быть произведено также in situ (прямо на автомобиле).
1. Закрепите сборку РКПП на монтажном стенде.
1 - Крышка; 2 - Резинометаллическая втулка опоры силового агрегата; 3 - Болты крепления крышки (25 Нм)
2. Крышка снимается в сборе с опорой силового агрегата. В диагональном порядке ослабьте и выверните крепежные болты.
3. Снимите сборку крышки с опорой силового агрегата с картера коробки передач.
4. Снимите переднюю и заднюю монтажные скобы сборки опоры силового агрегата.

5. При помощи приспособления МР 3-601 выжмите резинометаллическую втулку опоры крышки картера РКПП.

6. При установке резинометаллическая опора должна оказаться развернута как показано на иллюстрации.

7. Запрессовывание втулки производится при помощи приспособления МР 3-602.
1 - Передняя монтажная скоба опоры; 2 - Задняя монтажная скоба опоры; 3 - Крепежный болт (50 Нм)
8. Установите переднюю монтажную скобу крепления опоры (без приваренных гаек) со стороны стартера, а заднюю (с приваренными гайками) - с противоположной стороны. Подтяните крепежный болт таким образом, чтобы монтажные скобы оказались в верхнем положении и не проворачивались. Окончательное затягивание болта производится после монтажа коробки передач/силового агрегата на автомобиле.
Демонтаж и установка редукторной сборки 5-й передачи
Примечание. Демонтаж шестерни 5-й передачи может быть произведен без снятия коробки с автомобиля. При этом необходимо заблокировать агрегат при помощи приспособления МР 9-502/1.

1. Заблокируйте первичный вал РКПП от проворачивания при помощи приспособления МР 3-502. Если коробка не снята с автомобиля, блокировка вала производится путем включения 4-й передачи.

2. Отдайте гайку крепления ведомой шестерни при помощи приспособления МР 3-603.
Примечание. При сборке гайка подлежит замене в обязательном порядке.
3. Действуя в аналогичной манере, отдайте гайку крепления ведущей шестерни 5-й передачи на первичном вале.

4. Выбейте крепежный штифт...

... и снимите вилку включения 5-й вместе со скользящей муфтой синхронизатора. Постарайтесь не обронить скользящие ключи, сразу вынув их из своих пазов в ступице.
5. Последовательно снимите с обоих валов компоненты редукторной сборки 5-й передачи.
1 — Циферблатный измеритель; 2 - Кольцо синхронизатора; 3 - Ведущая шестерня; 4 - Инструмент МП 3-535; 5 - Вал
6. Установка производится в обратном порядке. При монтаже синхронизатора особое значение приобретает точность установки размеров ступицы скользящей муфты. Подконтрольным параметром является размер а, определяющий расстояние от торца ведущей шестерни до опорной поверхности блокирующего кольца синхронизатора. Измерение производится при помощи циферблатного измерителя плунжерного типа, для фиксации которого на сборке применяется приспособление МР 3-535. Выпускаются синхронизаторы трех размерных групп:
- а = 2.75÷3.10 (мм)
- а = 3.11÷3.44 (мм)
- а = 3.45÷3.78 (мм)
Демонтаж и установка первичного/вторичного валов РКПП и сборки главной передачи
1. Порядок установки компонентов первичного и вторичного валов в коробке передач продемонстрирован на иллюстрации.
2. Демонтируйте редукторную сборку 5-й передачи.

3. Разожмите и извлеките стопорное кольцо шарикоподшипника. Отведите вал до упора внутрь картера сцепления.
4. Выверните стопорный винт.
5. Выверните болты крепления купола сцепления к картеру РКПП.

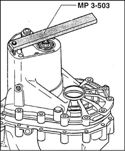
6. При помощи приспособления МР 3-503 отделите купол сцепления от картера РКПП и уберите его в сторону.
7. Смещением скользящей муфты синхронизатора в сборе с вилкой включения выберите 4-ю передачу.

8. Поверните шток вилки включения 5-й и рычага включения задней передач примерно на 15° против часовой стрелки и извлеките его из сборки.

9. Извлеките сборку промежуточной шестерни заднего хода вместе с ее осью.

10. Смещением скользящих муфт синхронизаторов вместе с вилками включения выберите 2-ю и 4-ю передачи.
11. Извлеките оставшуюся сборку штока с вилками включения передач.
12. Извлеките из картера РКПП первичный вал и сборку главной передачи.
13. Сборка производится в обратной последовательности.
Разборка и сборка валов РКПП
Первичный вал
1. Порядок установки компонентов сборки первичного вала представлен на иллюстрации.
2. Порядок демонтажа подшипников показан на иллюстрациях.





3. Установка производится в обратной последовательности.


Вторичный вал
1. Порядок установки компонентов сборки вторичного вала представлен на иллюстрации.
2. Порядок демонтажа подшипников вторичного вала представлен на иллюстрациях.







3. Сборка производится в обратной последовательности. Запрессовывание роликового подшипника вторичного вала производится при помощи приспособления МР 3-513. Бывшие в употреблении блокирующие кольца синхронизаторов должны устанавливаться на вал строго на свои прежние места. Перед установкой блокирующие кольца и подшипники следует обильно смазать трансмиссионным маслом. Прежде чем приступать к сборке ведомых шестерен 1-й÷4-й передач, необходимо также смазать поверхности их скольжения обильным количеством масла. Постарайтесь при установке не перепутать скользящие ключи синхронизаторов 1/2 и 3/4 передач - они не являются взаимозаменяемыми.
Регулировка зазоров в подшипниках первичного вала и дифференциала
Примечание. Перед установкой подшипники и их посадочные поверхности необходимо тщательно очистить от грязи и обезжирить.
1. При помощи приспособления МР 3-511 запрессуйте наружную обойму конического роликового подшипника до упора в картер сцепления.

2. В отверстие под установку первичного вала в картере сцепления заправьте приспособление МП 3-503/2 и наденьте на него наружную обойму меньшего подшипника конического роликового подшипника первичного вала.
3. Вложите в картер сцепления сборку главной передачи с запрессованными в нее внутренними обоймами подшипников.
4. Наденьте наружную обойму конического роликового подшипника дифференциала на внутреннюю и на наружное кольцо приспособления МР 3-530/1.
5. Наверните до упора крепежные гайки приспособлений МР 3-530/1 и МР 3-530/2 (не оставляя никакого зазора).
6. При помощи приспособления МР 3-511 запрессуйте наружную обойму конического роликового подшипника большего диаметра первичного вала до упора в картер РКПП.
7. На фланец картера сцепления установите распорные втулки с уступом. Распорки следует устанавливать на противолежащих сторонах в диагональном порядке.
8. Насадите картер коробки на распорки и закрепите его болтами с шайбами, прилагаемыми в комплекте к упомянутому приспособлению.
9. Вложив остающиеся распорки, также закрепите их винтами с шайбами.
10. Постепенно подтягивая винты в диагональном порядке, затяните их с усилием 25 Нм, зафиксировав тем самым картер РКПП и приспособление МП 3-530.
11. Выверните установочную гайку приспособлений МР 3-530/1 и МР 3-530/2 настолько, чтобы подшипники дифференциала и первичного вала проворачивались с легким сопротивлением (без осевого люфта).
12. При помощи щупов лезвийного типа, вкладываемых в зазоры установочных гаек, определите размеры необходимых регулировочных шайб как для главной передачи, так и для первичного вала. Выпускаются регулировочные шайбы следующей толщины:
- Дифференциал: 2.0÷2.7 мм с шагом 0.1 мм
- Первичный вал: 0.20 мм, 0.25 мм, 0.30 мм, 0.36 мм, 0.60 мм и 0.80 мм
13. Отделив картер РКПП от купола сцепления, извлеките приспособления.
14. В отверстие под установку подшипника дифференциала в картере РКПП установите необходимое количество регулировочных шайб, добиваясь установочного размера +0.20 мм.
15. При помощи приспособления МР 3-511 посадите наружную обойму конического роликового подшипника дифференциала до упора в картер РКПП.
16. При помощи приспособления МР 3-505 вытолкните наружную обойму конического роликового подшипника большего диаметра первичного вала из картера коробки передач.
17. В отверстие картера РКПП под посадку конического роликового подшипника большего диаметра первичного вала вложите регулировочные шайбы согласно установленному размеру.
18. При помощи приспособления МР 3-531 запрессуйте наружную обойму подшипника большего диаметра первичного вала до упора ее в картер РКПП.

19. Проверьте преднатяг подшипника дифференциала с помощью приспособления МР 3-531 и динамометрического ключа.
Разборка и сборка дифференциала

Разборка и сборка дифференциала производится при помощи специальных инструментов.






Разборка и сборка механизма переключения передач
1. Порядок установки компонентов механизма переключения представлен на иллюстрации.

2. Разборка и сборка механизма переключения передач производится при помощи специальных приспособлений.


3. Сборка производится в обратной последовательности.


Регулировка трехплечего рычага механизма переключения передач
Примечание. Углубление отверстия в штоке вилки включения для фиксации исполнительного рычага должно быть направлено вверх. Конец пальца кулисы не должен соприкасаться с кулисой при перемещении штока вилки включения (достигается положением исполнительного рычага)
1 - Исполнительный рычаг штока выбора передач; 2 - Болт; 3 - Трехплечий рычаг; 4 - Направляющая кулиса; 5 - Палец кулисы; 6 - Шток вилки включения
1. Свободно вверните болт (2), предварительно смазанный герметиком типа Loctite.
2. Отрегулируйте положение конца пальца кулисы таким образом, чтобы предотвратить его соприкосновение с кулисой при перемещении штока вилки.
3. Подтяните болт (2) с усилием 14 Нм.
4. Палец кулисы при сборке подлежит замене в случае выдавливания расточки под штифт с пружиной.
