Оглавление: Главный тормозной цилиндр (ГТЦ) с…⬇ Клапан-регулятор давления,…⬇ Резервуар тормозной жидкости ⬇ Вакуумный усилитель тормозов ⬇ Тормозные механизмы передних колес ⬇ Тормозные механизмы задних колес ⬇
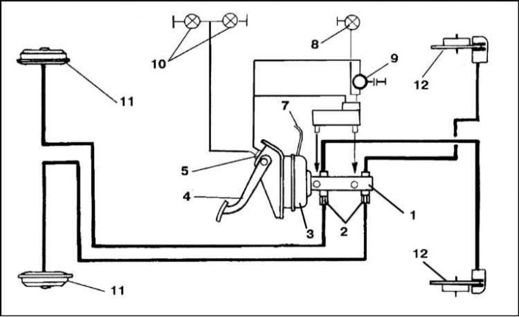
Схема тормозной системы моделей с расположением клапанов-регуляторов давления на сборке ГТЦ
1 - ГТЦ; 2 - Клапаны-регуляторы; 3 - Сервопривод вакуумного усилителя; 4 - Педаль ножного тормоза; 5 - Датчик-выключатель стоп-сигналов; 6 - Резервуар тормозной жидкости; 7 - Вакуумная трубка к впускному трубопроводу; 8 - Контрольная лампа уровня тормозной жидкости; 9 - Замок зажигания; 10 - Стоп-сигналы; 11 - Тормозные механизмы задних колес; 12 - Тормозные механизмы передних колес
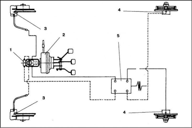
Схема тормозной системы моделей с расположением клапана-регулятора давления у заднего моста (электрическая часть системы аналогична приведенной на иллюстрации выше)
1 - ГТЦ; 2 - Сервопривод вакуумного усилителя; 3 - Тормозные механизмы передних колес; 4 - Тормозные механизмы задних колес; 5 - Клапан-регулятор
Конструкция ГТЦ
1 - Цилиндр; 2 - Уплотнительная манжета; 3 - Поршень первого тормозного контура; 4 - Штифт; 5 - Уплотнительная проходная втулка; 6 - Впускное отверстие; 7 - Уплотнительная манжета; 8 - Пружина; 9 - Уплотнительная манжета; 10 - Поршень второго тормозного контура; 11 - Штифт; 12 - Уплотнительная проходная втулка; 13 - Впускное отверстие; 14 - Уплотнительная манжета; 15 - Пружина
Компоненты клапана-регулятора давления
1 - Корпус (концевая резьба М6х1.5); 2 - Пружина; 3 - Резиновый клапан; 4 - Уплотнительная прокладка (16х20 мм); 5 - Уплотнительное кольцо (8х4 мм); 6 - Пружина; 7 - Поршень; 8 - Уплотнительное кольцо (11х7 мм); 9 - Переходная насадка
Конструкция сервопривода вакуумного усилителя тормозов
1 - Крышка; 2 - Поршень; 3 - Диафрагма; 4 - Передняя (вакуумная) камера; 5 - Корпус; 6 - Уплотнительная прокладка; 7 - Шток толкателя; 8 - Регулировочный наконечник; 9 - Штуцер; 10 - Пружина; 11 - Задняя (атмосферная) камера; 12 - Клапан; 13 - Клапан; 14 - Резиновый защитный чехол; 15 - Управляющий толкатель; 16 - Фильтр; 17 - Канал
Установочные разъемы сервопривода вакуумного усилителя тормозов
1 - Поршень ГТЦ; 2 - Регулировочный наконечник толкателя; 3 - Контргайка; 4 - Крепление к педали ножного тормоза; 5 - Датчик-выключатель стоп-сигналов; 6 - Педаль ножного тормоза
Цилиндр суппорта тормозного механизма
1 - Корпус цилиндра; 2 - Поршень; 3 - Уплотнительная манжета; 4 - Пыльник; 5 - Тормозные колодки
Деформации уплотнительной манжеты поршня при срабатывании тормозного механизма
а - Перед торможением; b - Во время торможения; с - После торможения; 1 - Тормозной диск; 2 - Фрикционная накладка; 3 - Основание колодки; 4 - Поршень; 5 - Манжета
Компоненты сборки барабанного тормозного механизма
1 - Цапфа ступицы заднего моста; 2 - Сборка тормозного механизма; 3 - Пружинная шайба; 4 - Болт (60 Нм); 5 - Тормозной барабан; 6 - Наружный колесный подшипник; 7 - Ступичная гайка; 8 - Шплинт; 9 - Крышка ступицы колеса; 10 - Стопорная корончатая шайба; 11 - Шайба; 12 - Трос привода стояночного тормоза
Компоненты сборки барабанного тормозного механизма (продолжение)
1 - Стяжная пружина; 2 - Разжимная планка; 3 - Распорный клин; 4 - Колесный цилиндр; 5 - Болт с внутренним шестигранником (6 Нм); 6 - Тормозной щит; 7 - Направляющий (анкерный) штифт; 8 - Заглушка; 9 - Тормозной башмак; 10 - Пружина распорного клина; 11 - Нижняя стяжная пружина; 12 - Верхняя стяжная пружина; 13 - Исполнительный рычаг стояночного тормоза; 14 - Направляющая пружина; 15 - Тарелка направляющей пружины
Разрез колесного цилиндра
1 - Корпус цилиндра; 2 - Манжета; 3 - Поршень; 4 - Толкатель; 5 - Пыльник; 6 - Вентиль прокачки; 7 - Резиновый защитный колпачок; 8 - Пружина
Примечание. Настоящий Раздел посвящен главным образом описанию конструкции тормозных систем не оборудованных ABS моделей. Информация по устройству ABS приведена в Разделе Система антиблокировки тормозов (ABS)- общая информация.
Функциональная схема тормозной системы представлена на сопроводительных иллюстрациях.
Система приводится в действие педалью ножного тормоза. Через сервопривод вакуумного усилителя прикладываемое к педали усилие передается в 2-котнурный ГТЦ. Повышение давления находящейся в ГТЦ жидкости передается по гидравлическим линиям к цилиндрам тормозных механизмов передних и задних колес автомобиля. В гидравлический контур задних тормозных механизмов включены один или два клапана-регулятора давления.
Вакуумный усилитель подключен ко впускному трубопроводу и предназначен для увеличения прикладываемого к педали ножного тормоза и оказываемого на поршень ГТЦ усилия.
Клапаны-регуляторы служат для ограничения давления гидравлической жидкости в контуре тормозных механизмов задних колес с целью предотвращения преждевременной блокировки последних при резком торможении. Замечание: На оборудованных ABS моделях необходимость в применении таких ограничителей отпадает.
Поршни суппортов тормозных механизмов передних колес воздействуют на тормозные колодки, плотно прижимающиеся при этом фрикционными накладками к рабочим поверхностям дисков. При отпускании педали колодки возвращаются в исходное положение, отпуская диск и торможение прекращается.
В барабанных задних тормозных механизмах вместо суппортов используются колесные цилиндры, поршни которых разжимают тормозные башмаки, прижимая их фрикционными накладками к внутренним рабочим стенкам барабанов. При отпускании педали специальный механизм ограничивает обратное движение башмаков, автоматически поддерживая зазор на заданном уровне.
Благодаря описанным особенностям конструкции ни передние, ни задние тормозные механизмы в дополнительных регулировках не нуждаются.
Стояночный тормоз приводится в действие рычагом, расположенным между передними сиденьями автомобиля. Рычаг посредством тросового привода соединен с башмаками тормозных механизмов задних колес, которые и осуществляют торможение автомобиля.
Главный тормозной цилиндр (ГТЦ) с вмонтированными в него клапанами-регуляторами давления
ГТЦ предназначен для создания давления рабочей жидкости в гидравлических контурах тормозной системы автомобиля. Цилиндр крепится посредством двух гаек М10 на шпильках сервопривода вакуумного усилителя.
ГТЦ из выполненного из чугунного литья корпуса, внутри которого проточено отверстие цилиндра диаметром 22 мм, в который помещены поршни (3) и (10) привода двух контуров тормозной системы. В горизонтальной плоскости ГТЦ выполнены четыре отверстия с внутренней резьбой. Два левых отверстия с резьбой М6х1.5 предназначены для вворачивания клапанов-регуляторов давления в контуре тормозных механизмов задних колес. Правые отверстия (М10х1.0) служат для подсоединения гидравлических линий контуров передних тормозных механизмов. В верхней части корпуса ГТЦ предусмотрены оборудованные резиновыми уплотнительными проходными втулками (5) и (12) гнезда под посадку резервуаров тормозной жидкости.
Задняя секция ГТЦ подсоединена к тормозным механизмам правого переднего и левого заднего колес (первый гидравлический контур). Передняя - к механизмам левого переднего и правого заднего колес (второй контур).
В поршне (3) привода первого тормозного контура предусмотрено углубление под посадку наконечника штока толкателя вакуумного усилителя тормозов.
Уплотнительные манжеты (7) и (14) служат для герметизации рабочих пространств соответствующих секций ГТЦ. Манжета (9) предотвращает проникновение гидравлической жидкости из одной секции в другую, а манжета (2) - попадание в цилиндр воздуха.
Пружины (8) и (15), установленные под поршнями, обеспечивают обратный ход последних. Пружина (8), кроме того, Служит для увеличения усилия, прикладываемого к поршню второй секции во время торможения.
Штифты (4) и (11) ограничивают возврат поршней.
При выжимании педали ножного тормоза движение толкателя сервопривода вакуумного усилителя тормозов передается к поршню (3) ГТЦ и перемещает его в цилиндре. При смещении поршень сжимает пружину (8), которая, совместно с возросшим давлением гидравлической жидкости, смещает поршень (10). Посаженные на поршни манжеты (7) и (14) при этом смещаются за пределы впускных отверстий резервуаров тормозной жидкости. В результате, давление в обоих гидравлических контурах системы возрастает.
Примечание. Подъем давления в ГТЦ вызывает еще более сильное прижимание губок уплотнительных манжет к стенкам цилиндров, дополнительно повышая герметичность сборки.
При отпускании педали поршни возвращаются в исходное положение под воздействием усилий, развиваемых пружинами. Впускные отверстия, сообщающиеся с полостями цилиндров, открываются и находящаяся в резервуарах гидравлическая жидкость свободно попадает в цилиндры, автоматически компенсируя увеличение объем тракта, связанное с износом фрикционных накладок и/или утечками в линиях.
В случае повреждения системы, вызывающего разгерметизацию первого гидравлического контура, поршень (3) будет перемещаться свободно, поскольку возрастание давления в рабочей полости данной секции прекратится. Поршень же (10) под воздействием усилия, развиваемого толкателем вакуумного усилителя и пружиной (8), при увеличенном ходе педали ножного тормоза обеспечит исправное функционирование второго гидравлического контура. В случае нарушения герметичности второго контура поршень (10) под воздействием усилия, развиваемого толкателем и пружиной (8), преодолевая сопротивление пружины (15), переместится до упора своим стержнем в торцевую стенку цилиндра. В первом же тормозном контуре произойдет нормальное повышение давление при увеличенном ходе тормозной педали.
Клапан-регулятор(ы) ограничивает повышение давления контурах тормозных механизмов задних колес, предотвращая преждевременную блокировку последних. Корпус клапана ввернут в выпускное отверстие ГТЦ. Герметичность стыка обеспечивается уплотнительной прокладкой (4). В выпускное отверстие корпуса клапана-регулятора ввернута переходная насадка, обеспечивающая возможность подсоединения к сборке тормозной линии. Тормозная жидкость, поступая во впускное отверстие регулятора, проходит в полость между резиновым клапаном (3) и Внутренней стенкой корпуса. Далее жидкость попадает внутрь канала, предусмотренного в поршне (7) и далее, - в тормозную линию гидравлического контура тормозного механизма соответствующего заднего колеса. Пружина (6) по усилию сжатия подобрана таким образом, чтобы при давлении жидкости до 20 кГс/см² оставался на удалении от клапана. При дальнейшем возрастании давления пружина окончательно сжимается и поршень прижимается к клапану, который перекрывает сквозное внутренне отверстие в нем. Как только давление перед поршнем превысит на достаточную величину давление за поршнем, последний вновь сдвигается, открывая доступ жидкости в контур. Далее цикл повторяется необходимое количество раз в процессе торможения автомобиля.
Благодаря такому функционированию клапанов-регуляторов давление в суппортах тормозных механизмах передних колес всегда остается не ниже, чем в колесных цилиндрах механизмов задних, что исключает возможность юза последних.
Клапан-регулятор давления, расположенный вблизи заднего моста
На моделях выпуска с декабря 1995 г. устанавливается один клапан-регулятор давления в контурах тормозных механизмов задних колес автомобиля. Конструкция данного регулятора аналогична таковой для клапанов-регуляторов, используемых на автомобилях VW Golf.

Регулятор корректирует давление в гидравлических контурах тормозных механизмов задних колес автомобиля в зависимости от нагрузки и положения кузова.
В ходе выполнения процедур текущего обслуживания автомобиля следует обращать внимание на герметичность соединений клапана-регулятора и проверять свободу перемещения компонентов его привода. В случае выявления дефектов регулятор подлежит замене в сборе. Проверка исправности функционирования клапана-регулятора должна производиться в условиях станции техобслуживания.
Резервуар тормозной жидкости
Двухкамерный резервуар тормозной жидкости выполнен из полупрозрачной пластмассы, что позволяет визуально контролировать уровень жидкости в нем. Соединительные патрубки резервуара вставляются в оборудованные уплотнительными проходными втулками входные гнезда ГТЦ.
Внутри резервуар разделен перегородкой на две независимые камеры. Перегородка не доходит до верхней крышки резервуара, что позволяет доливать жидкость сразу в обе камеры. Разделение контуров происходит только после опускания уровня жидкости ниже края перегородки.
Заливная горловина резервуара закрывается винтовой крышкой, в которой, наряду с системой каналов соединения внутренней полости с атмосферой, вмонтированы клеммы датчика-выключателя уровня тормозной жидкости и собственно датчик-выключатель (см. Главу Бортовое электрооборудование).
На корпусе резервуара имеются метки минимального и максимального уровней жидкости.
Вакуумный усилитель тормозов
Данное устройство предназначено для увеличения усилия, прилагаемого водителем к педали ножного тормоза с целью повышения эффективности торможения.
Корпус блока сервопривода вакуумного усилителя состоит из двух частей: собственно корпуса (5) и крышки (1). Герметичность обеих частей сборки обеспечивается посадкой краев диафрагмы (3), зажимаемых в канавке корпуса. Центральной частью диафрагма герметично посажена в канавке поршня (2) и делит внутреннее пространство сборки на две камеры. Пружина (10) обеспечивает возврат штока (7) вместе с диафрагмой в исходное положение.
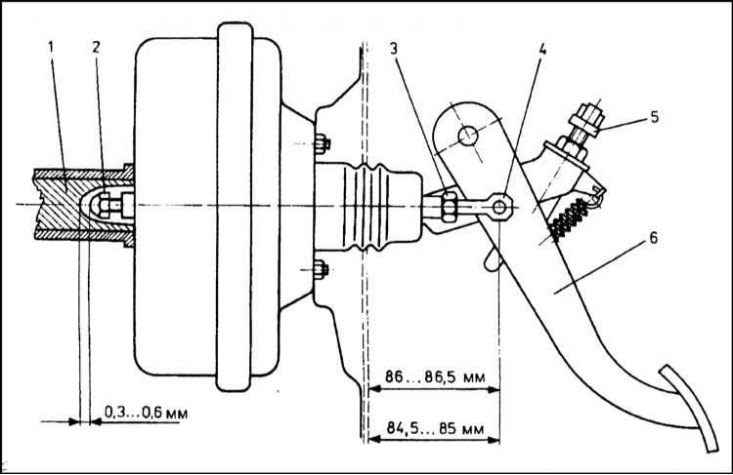
Поршень механически соединен со штоком толкателя (7). На конце штока навернут регулировочный наконечник (8), при помощи которого производится корректировка установочного зазора между поршнем ГТЦ и толкателем (см. Раздел Снятие, проверка состояния и установка контрольного клапана вакуумного усилителя тормозов со шлангом).
Герметичность посадки толкателя в сборке обеспечивается резиновой прокладкой (6).
Внутри поршня сборки помещен клапан (12), в который упирается сферический конец управляющего толкателя (15). Толкатель соединен с педаль ножного тормоза.
В передней части клапана (12) имеется седло специальной формы, перекрываемое, в свою очередь, клапаном (13). Передняя (вакуумная) камера (4) соединена каналом (17) с поршне с задней (атмосферной) камерой (11), расположенной позади поршня.
Фильтр (16), дублируя роль резинового защитного чехла (14), предотвращает попадание пыли внутрь сборки при засасывании атмосферного воздуха.
При выжимании педали ножного тормоза управляющий толкатель перемещает первый клапан поршня, который запирает канал, соединяющий вакуумную камеру с атмосферной и открывает доступ в последнюю наружного воздуха. Разрежение в вакуумной камере при работающем двигателе создается благодаря наличию соединения с впускным трубопроводом. Вследствие перепада давлений с разных сторон поршня последний смещается влево, сжимая пружину и упираясь штоком толкателя в поршень ГТЦ.
При сильном выжимании педали ножного тормоза поршень вакуумного усилителя смещается влево на значительное расстояние. При этом объем атмосферной камеры несколько увеличивается и в полость подсасывается наружный воздух.
После отпускания педали клапан (4) обеспечивает выравнивание давлений по обе стороны поршня, а пружина возвращает диафрагму в исходное состояние, вызывая также обратное смещение штока толкателя и, соответственно, первого поршня ГТЦ.
Подача разрежения переднюю камеру сервопривода осуществляется через односторонний клапан, включенный в линию, соединяющую блок с впускным трубопроводом двигателя. Клапан предотвращает попадание в вакуумную камеру сервопривода воздуха и топливных испарений при заглушенном двигателе. Благодаря этому клапану первое торможение при заглохшем двигателе происходит с работающим вакуумным усилителем (после отпускания педали вакуумный усилитель перестает функционировать).
Как следует из приведенного выше описания принципа функционирования сервопривода, усиление тормозов становится возможным только при работающем двигателе, когда во впускном трубопроводе последнего поддерживается разрежение.
Для остановки буксируемого или движущегося накатом при заглохшем двигателе автомобиля к педали ножного тормоза следует прикладывать несколько большее, чем привычное усилие.
Запчасти к сервоприводу вакуумного усилителя тормозов не поставляются, а потому, в случае отказа, блок подлежит замене в сборе. Описание процедур снятия и установки сборки сервопривода приведено в Разделе Проверка исправности функционирования, снятие и установка вакуумного усилителя тормозов. Посадочные размеры блока показаны на иллюстрации.
Тормозные механизмы передних колес
Основными компонентами тормозного механизма переднего колеса являются тормозной диск и сборка суппорта с тормозными колодками.
Данные скопированы с портала skodabook
Тормозной диск отлит из серого чугуна и крепится к фланцу ступицы колеса одним болтом М6х14. Внутренняя сторона диска защищена попадания грязи специальным кожухом.
В главном корпусе суппорте тормозного механизма помещается поршень. В анкерную скобу вставляются две оборудованные фрикционными накладками колодки.
Корпус суппорта крепится к анкерной скобе посредством одного (механизмы оригинальной комплектации Girgling) или двух болтов (механизмы лицензионной сборки). В любом случае болты вворачиваются в отверстия в торцах направляющих пальцев. Корпус при этом может свободно перемещаться вдоль направляющих пальцев.
Направляющие пальцы суппорта покрыты тонким слоем силиконовой смазки и защищены от попадания грязи резиновыми пыльниками. В анкерной скобе оборудованы посадочные места под установку тормозных колодок и два отверстия в резьбой под болты, при помощи которых вся сборка крепится к поворотному кулаку ступичной сборки колеса.
Внутри корпуса суппорта заключен гидравлический цилиндр с поршнем. Герметичность посадки поршня в цилиндре обеспечивается уплотнительной манжетой.
Колодки состоят из металлической пластины, на которую с одной стороны наклеена фрикционная накладка. Колодка удерживается в седле пружиной, закрепленной на пластине. Параллельно пружина служит для устранения вибраций колодки.
При выжимании педали ножного тормоза гидравлическая жидкость воздействует на поршень суппорта, вызывая прижимание колодок к рабочей поверхности диска. Перемещение поршня приводи к деформации манжеты. После отпускания педали давление тормозной жидкости падает и, благодаря пружинным свойствам манжеты, поршень подается назад, возвращаясь в цилиндр. В результате износа манжет может наступить момент, когда поршень после отпускания педали перестает втягиваться в цилиндр. При этом колодки останутся прижатыми к тормозному диску и механизм начинает перегреваться.
Следует отметить, что по мере срабатывания фрикционных накладок колодок поршень постепенно все больше выдвигается из цилиндра. При этом корпус суппорта смещается по направляющим пальцам, автоматически компенсируя износ.
Тормозные механизмы задних колес
Конструкция барабанного тормозного механизма задних колес представлена на иллюстрациях.
Штампованный стальной тормозной щит крепится к рычагу подвески заднего колеса. К нижней части щита приклепаны кронштейны тормозных башмаков.
Башмаки имеют тавровое сечение и верхним концом упираются в толкатели поршней колесного цилиндра, а нижним - в закрепленный на тормозном щите кронштейн. На выпуклую сторону башмаков специальным клеем наклеены фрикционные накладки.
Задние башмаки правого и левого тормозных механизмов имеют одинаковую конструкцию, тогда как передние не являются взаимозаменяемыми ввиду наличия в нижней части асимметрично расположенных осей под установку фиксаторов автоматической корректировки рабочих зазоров.
Башмаки соединены между собой двумя стяжными пружинами - верхней и нижней. Пружины имеют разную длину и обеспечивают прилегание концов башмаков как к толкателям поршней колесного цилиндра, так и к осям.
Через отверстие в центральной части башмаков продевается анкерный штифт, закрепляемый шплинтом. Штифт фиксирует башмак в осевом направлении относительно тормозного щита.
Колесный цилиндр отлит из чугуна. Цилиндр посадочным фланцем крепится на щите тормозного механизма посредством двух болтов М6х10. Во фланце также предусмотрено отверстие под вентиль прокачки.
Внутрь цилиндра посажены два поршня, оборудованных резиновыми уплотнительными манжетами. Внутренняя пружина обеспечивает постоянный прижим толкателей поршней к башмакам тормозного механизма. Толкатели поршней имеют специальную форму и предусмотренным в наружном торце пазом надеваются на верхние края башмаков. Колесный цилиндр с обеих сторон защищен резиновыми пыльниками, предотвращающими попадание загрязнений внутрь сборки.
Тормозной барабан отлит из чугуна. В передней стенке барабана имеются десять отверстий (не считая центрального). Два отверстия предназначены для крепления барабана к фланцу ступичной сборки при помощи болтов М8х16, четыре - для крепления к сборке колесного диска, еще два являются вспомогательными и используются при снятии барабана и оставшиеся два обеспечивают доступ для проверки обратного хода рычага автоматического регулятора зазоров между башмаками и барабаном.
При выжимании педали ножного тормоза находящаяся внутри колесного цилиндра тормозная жидкость заставляет раздвигаться сборки поршней, чьи толкатели раздвигают верхние края башмаков, прижимая последние фрикционными накладками к рабочей поверхности барабана. После отпускания педали башмаки возвращаются в исходное положение благодаря усилию, развиваемому стяжными пружинами.
Чрезмерная величина зазора между башмаками и рабочей поверхностью барабана ведет к увеличению свободного хода педали ножного тормоза и, соответственно к задержке срабатывания тормозных механизмов. Ввиду сказанного, упомянутый зазор должен быть сведен к минимуму. Для этой цели тормозные механизмы оборудованы устройством автоматической корректировки зазора, благодаря которому подконтрольное расстояние постоянно поддерживается в пределах 0.4÷0.6 мм.
Разжимная планка является составной частью механизма автоматического регулятора зазоров. К числу прочих компонентов устройства относятся установленный в нижней части переднего башмака фиксатор со спиралевидной пружиной, а также пружина, натягиваемая между планкой и специальным отверстием в заднем башмаке.
Величина зазора между фрикционными накладками башмаков и рабочей поверхностью барабана зависит от величины зазора между зубьями на нижней части установочного рычага и зубьями на верхней части фиксатора.
