Оглавление: Блок цилиндров ⬇ Коленчатый и промежуточный валы ⬇ Шатунно-поршневая группа ⬇ Головка цилиндров ⬇ Водяной насос ⬇
Блок цилиндров с основными компонентами коленчатого вала
1 - Вкладыш первого коренного подшипника; 2 - Болты крепления крышки коренного подшипника; 3 - Крышки коренных подшипников; 4 - Вкладыши третьего (упорного) коренного подшипника; 5 - Нижние упорные полукольца; 6 - Коленчатый вал; 7 - Нижние упорные полукольца
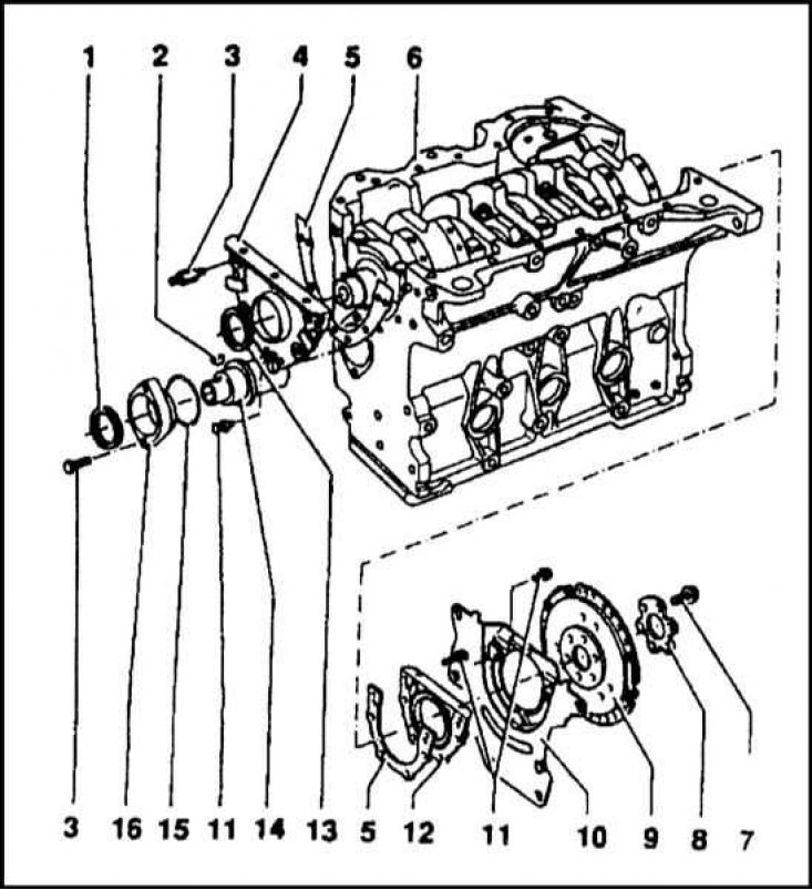
Блок цилиндров с компонентами установки коленчатого вала
1 - Сальник; 2 - Сегментная шпонка; 3 - Установочный штифт; 4 - Передняя крышка; 5 - Уплотнительная прокладка; 6 - Блок цилиндров; 7 - Болт; 8 - Фланец; 9 - Маховик; 10 - Задняя крышка; 11 - Болт; 12 - Держатель заднего сальника; 13 - Сальник; 14 - Промежуточный вал; 15 - Уплотнительное кольцо; 16 - Держатель сальника
Шатунно-поршневая сборка
1 - Поршневые кольца; 2 - Поршень; 3 - Поршневой палец; 4 - Стопорные кольца; 5 - Шатун; 6 - Вкладыши шатунного подшипника; 7 - Блок цилиндров; 8 - Крышка нижней головки шатуна; 9 - Установочный штифт; 10 - Масляный жиклер; 11 - Болт; 12 - Болт
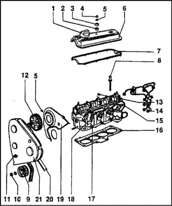
Головка цилиндров с компонентами клапанного механизма и привода ГРМ
1 - Пробка маслозаливной горловины; 2 - Уплотнение; 3 - Шайба; 4 - Гайка; 5 - Шайба; 6 - Крышка головки цилиндров; 7 - Уплотнительная прокладка крышки; 8 - Болт крепления головки; 9 - Натяжной ролик; 10 - Гайка; 11 - Планка; 12 - Зубчатое колесо распределительного вала; 13 - Нижнее уплотнение шпильки крепления головки цилиндров; 14 - Трубопроводы высокого давления; 15 - Головка цилиндров; 16 - Уплотнительная прокладка головки; 17 - Свеча накаливания; 18 - Форсунка впрыска топлива; 19 - Крышка; 20 - Зубчатый ремень привода ГРМ; 21 - Кожух зубчатого ремня
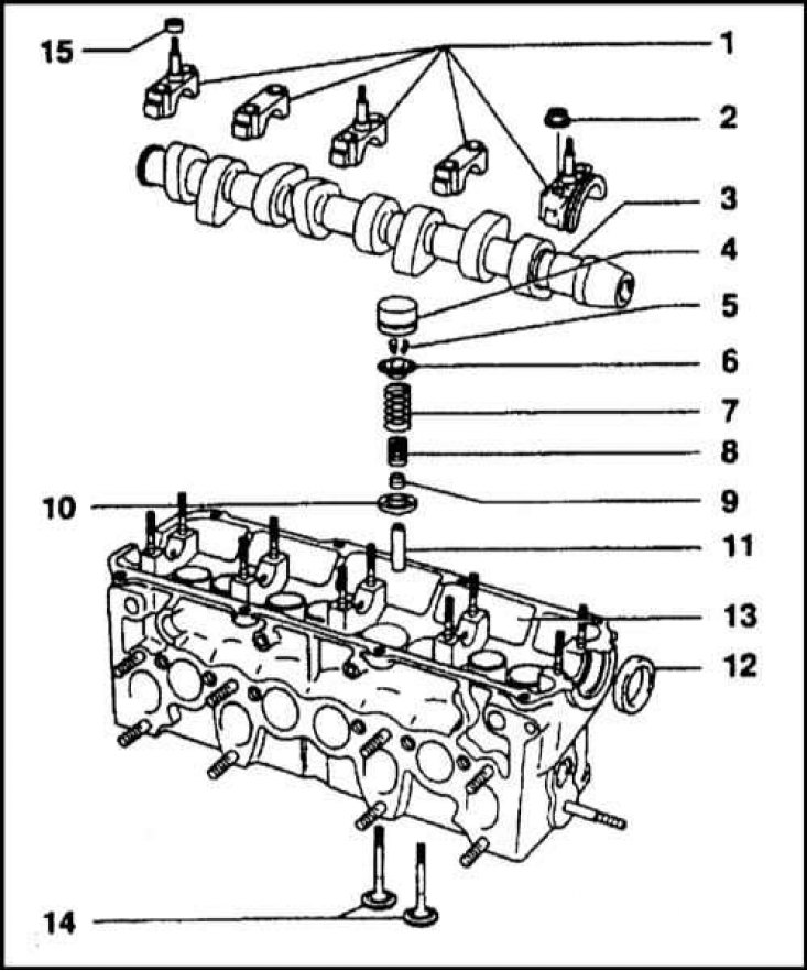
Компоненты установки распределительного вала и клапанного механизма
1 - Крышки подшипников распределительного вала; 2 - Гайка; 3 - Распределительный вал; 4 - Гидравлический толкатель; 5 - Сухари разрезного замка; 6 - Тарелка клапанных пружин; 7 - Наружная клапанная пружина; 8 - Внутренняя клапанная пружина; 9 - Маслоотражательный колпачок; 10 - Шайба; 11 - Направляющая втулка; 12 - Сальник; 13 - Головка цилиндров; 14 - Клапаны; 15 - Уплотнение
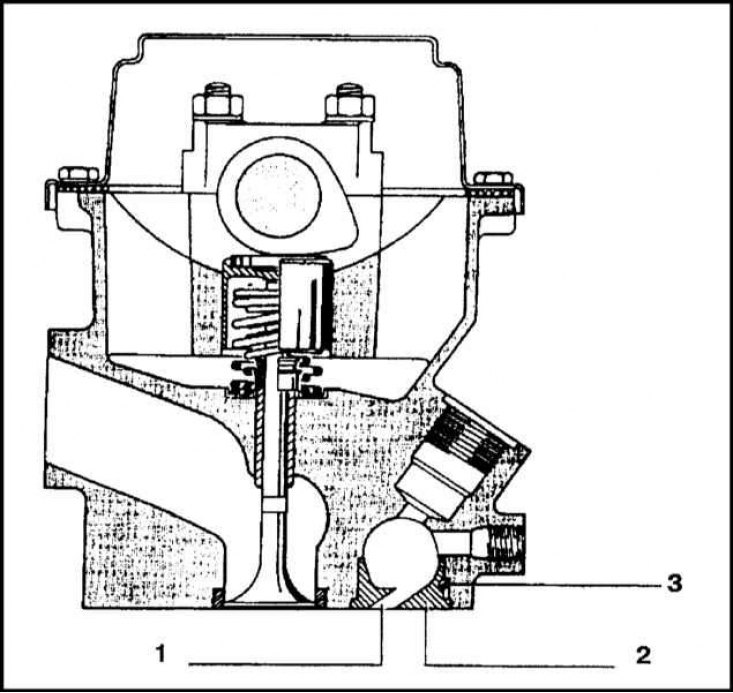
Боковой разрез головки цилиндров
1 - Канал вихревой камеры; 2 - Вихревая камера; 3 - Штифт фиксации положения вихревой камеры
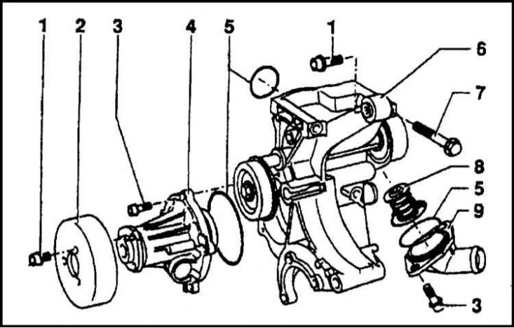
Водяной насос
1 - Болт; 2 - Шкив; 3 - Болт; 4 - Водяной насос; 5 - Уплотнительное кольцо; 6 - Кронштейн; 7 - Регулировочный болт; 8 - Термостат; 9 - Корпус термостата
(Статья размещена на веб-сайте: www.skodabook.ru)
Блок цилиндров
В чугунном литье блока проточены отверстия цилиндров и сформированы пять коренных опор коленчатого вала. Общий вид и порядок установки компонентов блока цилиндров представлены на иллюстрациях. Крышки коренных подшипников крепятся к телу блока специальными болтами М10. Третий (средний) коренной подшипник является упорным, воспринимает возникающие осевые нагрузки и ограничивает продольный люфт вала.
Коленчатый и промежуточный валы
Коленчатый вал откован из стали. Шейки коренных и шатунных подшипников подвергнуты тщательной полировке. На передней цапфе вала предусмотрены места под посадку зубчатого колеса ремня привода ГРМ и уплотнительного сальника первого коренного подшипника. Помимо коленчатого и распределительного в двигателе предусмотрен также промежуточный вал, передающий вращение от коленчатого вала к масляному и вакуумному насосам.
Шатунно-поршневая группа
Кованые шатуны имеют двутавровое сечение и прямой разрез нижней головки. В верхнюю головку запрессована бронзовая втулка. Нижняя головка разрезана посередине и укомплектована вкладышами шатунного подшипника. Правильное взаимное положение крышки шатуна и вкладышей шатунного подшипника обозначено накерненными метками (А). При установке на двигатель шатун должен разворачиваться метками (В) вперед. Крышка шатунного подшипника крепится к нижней головке болтами. В процессе выполнения капитального ремонта принято производить замену болтов крепления крышек шатунных подшипников.
Поршни отлиты из алюминиевого сплава и имеют плоское днище с выборкой под вихревой камерой. При установке новых шатунно-поршневых сборок следует проверить величину выступания поршней над поверхностью блока цилиндров с целью определения необходимой толщины прокладки. При величине выступания поршней от 0.66 до 0.86 мм устанавливается прокладка с одной меткой. При выступании 0.87÷0.90 мм - с двумя, и, наконец, при выступании 0.91÷1.02 - с тремя. При подборе прокладки должна проверяться величина выступания каждого из поршней. В качестве отправной точки берется максимальный результат.
Поршневой палец имеет плавающую посадку. Перед установкой пальца поршень следует разогреть до температуры 60°C. Фиксация пальца осуществляется посредством двух стопорных колец.
На стенке поршня выполнены три канавки под установку поршневых колец. В верхние канавки устанавливаются два компрессионных кольца, в нижнюю - маслосъемное. В процессе эксплуатации автомобиля допускается расширение зазоров в замках верхнего компрессионного и маслосъемного колец до величины 1.2 мм, нижнего компрессионного - 0.6 мм. Максимальный допустимый боковой люфт компрессионных колец составляет 0.25 мм, маслосъемного - 0.15 мм. При установке на поршень кольца разворачиваются замками под углом 120°, так чтобы ин один из замков не оказался на оси поршневого пальца.
Головка цилиндров
Общий вид головки цилиндров с компонентами клапанного механизма представлен на иллюстрации. Головка крепится к блоку десятью болтами с головками типа TORX. Порядок затягивания болтов аналогичен описанному для бензинового двигателя 1.6 л.
Крышка головки сажается на шпильки, ввернутые в опоры распределительного вала, и крепится тремя гайками.
Распределительный вал уложен в пяти опорах и располагается непосредственно над клапанами. Для привода клапанов используются оборудованные гидрокомпенсаторами клапанных зазоров толкатели.
Направляющие втулки и седла клапанов запрессованы в головку и относятся к числу сменных компонентов.
Клапаны установлены вертикально и имеют рядное расположение. Каждый клапан оснащен двумя пружинами, которые своими нижними торцами упираются в опорную шайбу, а верхними - в тарелку. Тарелка пружин фиксируется на клапане сухарями разрезного замка.
Кулачок распределительного вала упирается в толкатель не точно по центру, что заставляет клапан в процессе движения поворачиваться.
Клапаны подвергаются на заводе-изготовителе специальной обработке и в дополнительной притирке не нуждаются. В случае обнаружения дефектов клапаны (и их седла) подлежат замене.
Стальной распределительный вал вращается в пяти подшипниках скольжения, не оборудованных сменными вкладышами. Привод распределительного вала (и ТНВД) осуществляется зубчатоременной передачей. Усилие натяжения зубчатого ремня регулируется автоматически гидравлическим натяжителем. Замена ремня производится после снятия двигателя с автомобиля. При установке ремня необходимо добиться совмещения меток на зубчатом колесе коленчатого вала и блоке цилиндров/маховике и куполе сцепления, а также зубчатом колесе распределительного вала и крышке ремня, зубчатом колесе ТНВД и посадочном фланце.
В литой крышке головки цилиндров оборудована маслозаливная горловина, оснащенная герметично закрываемой резьбовой пробкой. Снизу отверстие заливной горловины закрыто маслоотражателем. Для крепления крышки к головки используются три гайки, закрытыми снаружи декоративными резиновыми или пластмассовыми пробками.
Водяной насос
Водяной насос по конструкции отличается от используемых на бензиновых двигателях. Насос устанавливается на кронштейне, к которому крепится корпус термостата с отводящим патрубком.
