Поперечный разрез двигателя
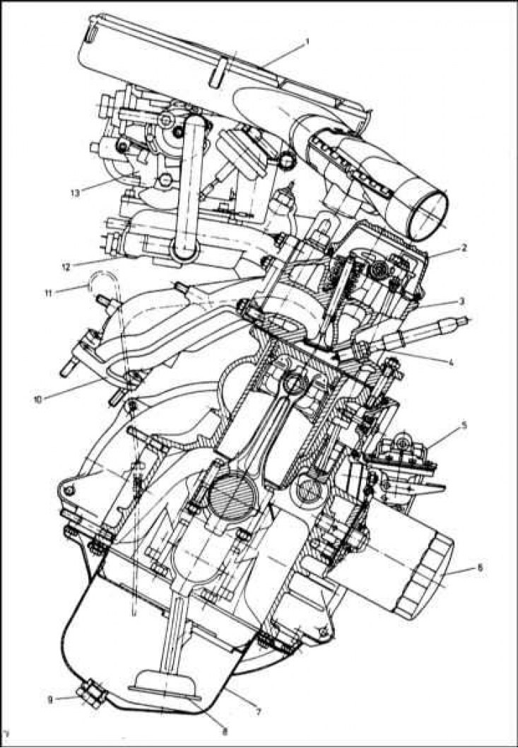
1 - Корпус воздушного фильтра; 2 - Крышка головки цилиндров; 3 - Головка цилиндров; 4 - Свеча зажигания; 5 - Топливный насос; 6 - Масляный фильтр; 7 - Поддон картера; 8 - Маслозаборник с сетчатым фильтром; 9 - Сливная пробка; 10 - Выпускной коллектор; 11 - Полнопоточный масляный фильтр; 12 - Впускной трубопровод; 13 - Карбюратор
Продольный разрез двигателя
1 - Крышка заливной горловины; 2 - Впускной клапан; 3 - Выпускной клапан; 4 - Корпус термостата; 5 - Головка цилиндров; 6 - Блок цилиндров; 7 - Распределительный вал; 8 - Сборка сцепления; 9 - Маховик; 10 - Коленчатый вал; 11 - Поддон картера; 12 - Масляный насос; 13 - Шкив коленчатого вала; 14 - Шкив водяного насоса; 15 - Распределитель зажигания
Правила пользования материалом Главы
Данная Часть Главы посвящена ремонту бензинового двигателя 1.3 л, не связанному с извлечением его из автомобиля (in situ).
Описание большей части рассматриваемых процедур составлено, исходя из предположения о том, что силовой агрегат остается на своем штатном месте в двигательном отсеке автомобиля. Ввиду сказанного, в случае если двигатель уже демонтирован и установлен на верстак или монтажный стенд, многие из описываемых шагов должны быть опущены.
Заметим, что несмотря на физическую возможность выполнения ремонта in situ таких компонентов, как шатунно-поршневые группы, подобного рода работы обычно производятся после разборки двигателя ввиду необходимости проведения некоторых вспомогательных процедур, не говоря уже о требованиях к соблюдению чистоты деталей и абсолютной проходимости маслотоков.
Общее описание двигателя
Рассматриваемый двигатель относится к семейству 4-цилиндровых бензиновых двигателей с рядным размещением цилиндров и верхним расположением клапанов (OHV). Поперечный и продольный разрезы двигателя представлены на иллюстрациях. Двигатель установлен поперечно в передней части автомобиля и наклонен вперед под углом 20°. Сборки трансмиссии и сцепления находятся в левой части силового агрегата.

Двигатели имеют две основных модификации: с низкой степенью сжатия (тип 135) и высокой степенью сжатия (тип 136), которые различаются также конструкцией поршней (на днищах поршней двигателей 135-го типа, в отличие от 136-го, предусмотрены выборки) и распределительных валов. В остальном двигатели идентичны. Визуально двигатели можно отличить один от другого по цвету эмблемы с логотипом компании Skoda, расположенной на передней стенке головки цилиндров. На двигателях 135-го типа применяется бесцветная эмблема, тогда как на двигателях типа 136 эмблема окрашена в желтый цвет.
Блок цилиндров, головка и крышка головки отлиты из алюминиевого сплава. Нижняя часть цилиндров гильзуется вкладышами чугунного литья. Основания гильз оборудованы уплотнительными прокладками во избежание проникновения охлаждающей жидкости в поддон картера.
Коленчатый вал установлен в трех коренных подшипниках. Маховик со сборкой сцепления крепятся к фланцу на левом торце вала. Передний конец коленчатого вала оборудован звездочкой для установки двухрядной цепи привода распределительного вала. Коренные и шатунные подшипники имеют разъемную конструкцию и оборудованы двумя вкладышами. В верхнюю головку шатуна запрессована бронзовая втулка, развернутая под посадку поршневого пальца.
Правый конец распределительного вала оборудован спиральной шестерней привода распределителя зажигания. Привод масляного насоса также производится от распределительного вала через ось распределителя.
Принудительная система смазки двигателя организована посредством шестеренчатого насоса, забирающего масло из поддона картера через оборудованный сетчатым фильтром маслозаборник и подающего его к внутренним компонентам двигателя, предварительно прогоняя через полнопоточный масляный фильтр сменного типа, устанавливаемый снаружи в передней части блока цилиндров.
Несмотря на то, что двигатель не является высокооборотным и не отличается большой мощностью, он обеспечивает автомобилю вполне приличные динамические характеристики.
Благодаря тому, что двигатель не перегружен, при условии использования высококачественных масла и топлива, он отличается повышенной надежностью и долговечностью.

На иллюстрации представлены кривые мощности и крутящего момента, а также расхода топлива в зависимости от частоты вращения коленчатого вала карбюраторного двигателя.
Список ремонтных процедур, выполнение которых не требует извлечения двигателя из автомобиля
Ниже перечислены процедуры ремонта и обслуживания двигателя, выполнение которых может производиться in situ:
- a) Снятие и установка ремня привода вспомогательных агрегатов;
- b) Снятие и установка крышки головки цилиндров;
- c) Снятие и установка сборки коромысел;
- d) Снятие и установка головки цилиндров;
- e) Снятие и установка крышки цепи привода ГРМ;
- f) Снятие и установка цепи привода ГРМ со звездочками;
- g) Снятие и установка маслоохладителя;
- h) Снятие и установка масляного насоса;
- i) Снятие и установка поддона картера;
- j) Декарбонизация головки цилиндров и поршней;
- k) Замена сальников коленчатого вала;
- l) Снятие, проверка состояния и установка маховика;
- m) Проверка состояния и замена опор подвески силового агрегата;
