Кодът на ръчната скоростна кутия е посочен на стикера с данни на автомобила (вижте Въведение). Обозначение (напр. "02Q", 2 в илюстрации 1.1 a, d, e), код и дата на издаване (вижте илюстрации 1.1 b-e) Ръчната трансмисия е допълнително обозначена на самата ръчна скоростна кутия. Кодът и датата на издаване е буквено-цифрова последователност, например "LHX 14099". В тази последователност "LHX" е идентификационният код, "14" е денят, "09" е месецът и "9" е годината (2009), на която е произведена трансмисията.
1.1a Местоположение на обозначението RKPP 0A4
1.1b Местоположение на кода и датите на производство на RCPP 0A4
1.1c Местоположение на кода и датата на производство на ръчната скоростна кутия OAJ
1.1d Код с дата на производство (1) и обозначение (2) РКПП 02Q
1.1e Код с дата на производство (1) и обозначение (2) РКПП 02S
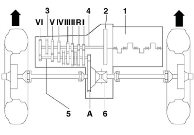
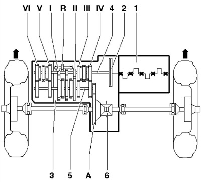
Скоростната кутия е разположена в лят картер, прикрепен към задния край на цилиндровия блок. Корпусът на ръчната скоростна кутия е оборудван с отвори за източване, проверка и регулиране на нивото на маслото, затворени с резбови тапи. Въртенето се предава на входящия (задвижващ) вал на ръчната трансмисия от коляновия вал на двигателя чрез съединителя. Задвижваният диск на съединителя е монтиран върху шлиците на първичния вал. Схематично представяне на организацията на предаване на въртящия момент е показано на фигури 1.2ad. Ръчната скоростна кутия 02Q използва две основни предавки: I - за предавки от 1-ва до 4-та, II - за предавки 5-та и 6-та, както и за задна предавка.
1.2a Схематично представяне на организацията на предаване на въртящия момент на ръчната скоростна кутия 0A4
Стрелки - Посока на движение
1 двигател
2 Съединител
3 ръчна скоростна кутия
4 Входящ вал
5 Изходящ вал
6 диференциал
I-VI 1-6 предавки
R Задна предавка
Основна предавка
1.2b Схематично представяне на организацията на предаване на въртящия момент на ръчната скоростна кутия OAJ
Стрелки - Посока на движение
1 двигател
2 Съединител
3 ръчна скоростна кутия
4 Входящ вал
5 Изходящ вал
6 диференциал
I-VI 1-6 предавки
R Задна предавка
Основна предавка
1.2c Схематично представяне на организацията на предаване на въртящия момент на моделите 02Q AWD
Стрелки - Посока на движение
1 двигател
2 Съединител
3 ръчна скоростна кутия
4 Входящ вал
5 Изходящ вал 5-та, 6-та предавка и задна предавка
6 Изходен вал 1-ва - 4-та предавка
7 Преден диференциал
8 Ъглово предаване
9 Кардан
10 Съединител Haldex
11 Задна основна предавка
12 Заден диференциал
I-VI 1-6 предавки
R Задна предавка
A Предна основна предавка
W1 Предна ъглова предавка
W2 Задна ъглова предавка
1.2d Код с дата на производство (1) и обозначение (2) РКПП 02S
Стрелки - Посока на движение
1 двигател
2 Съединител
3 ръчна скоростна кутия
4 Входящ вал
5 Изходящ вал
6 диференциал
I-VI 1-6 предавки
R Задна предавка
Основна предавка
Превключването на скоростите се извършва с помощта на лост за смяна на скоростите, разположен на централната конзола чрез кабелни задвижвания (вижте илюстрации 1.3a-c).
1.3a Организация на задвижването за превключване на скоростите при модели с ръчна трансмисия 02S (на 0A4 - подобно)
Стрелка A Премества избора на предавка
Стрелка B Премества избора на жлеб
Кабел за избор на скорости
Кабел за избор на Groove
С топлинен щит
1 Лост за избор на скорости (селектор)
2 Лост за избор на жлеб
1.3b Организация на задвижването за превключване на скоростите при модели с ръчна скоростна кутия 0A4
Стрелка A Премества избора на предавка
Стрелка B Премества избора на жлеб
Кабел за избор на скорости
B Кабел за избор на жлеб
C Топлинен щит
1 Лост за избор на скорости (селектор)
2 Лост за избор на жлеб
1.3c Организация на задвижването на предавките при модели с ръчна трансмисия 02Q
Стрелка A Премества избора на предавка
Стрелка B Премества избора на жлеб
Кабел за избор на скорости
Кабел за избор на Groove
С топлинен щит
1 Лост за избор на скорости (селектор)
2 Лост за избор на жлеб
