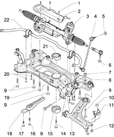
1.1a Предна подрама, стабилизатор и монтажни части на рамото на предното окачване (модели с алуминиева подрамка)
1, 27 Самозаключваща се гайка, сменяема, 65 Nm, държи се за шестоъгълника на пантата при затягане
2 Стабилизираща щанга 28, между стабилизатора и щангата на окачването
3 Конзолата, когато регулирате ъглите на подравняване на предните колела, трябва да се смени
4 Скоба със залепена гумена втулка
5 Болт M10x76, за смяна, 50 Nm, след това затегнете под ъгъл от 90°
6, 7 Болт M12x1.5x90, подлежи на смяна, 70 Nm, след това затегнете под ъгъл 180°
8 Преден ляв датчик за височина на окачването "G78", при модели с автоматично регулиране на фаровете от 11.2009 г.
9 Болт, 9 Nm, само за модели от 11/2009г.
10 Рамо за окачване, рамената, изработени от един и същ материал, трябва да бъдат монтирани от двете страни, ако са повредени, сферичната става трябва да се смени заедно с рамото
11 Самозаключваща се гайка, подлежи на смяна, 60 Nm
12 Сферичен шарнир, ако е повреден, лостът трябва да се смени заедно с опората
13 Самозаключваща се гайка, подлежи на смяна, 60 Nm
14 Гайка, 9 Nm, само за модели от 11/2009г.
15 Болт M12x1.5x100, подлежи на смяна, 70 Nm, след това затегнете под ъгъл 90°
16 Болт M8x75, подлежи на смяна, 20 Nm, след това затегнете под ъгъл 90°
17 Болт M12x1.5x75, подлежи на смяна, 70 Nm, след това затегнете под ъгъл 90°
18 Болт M14x1.5x70, за смяна, 100 Nm, след това затегнете под ъгъл от 90°, първо затегнете, когато опората на кобилицата е завинтена към трансмисията
19 Звукоизолиращ държач
20 Болт M 10x75, подлежи на смяна
21 Болт M 10x35, подлежи на смяна
22 Опора за люлеене, първо прикрепете към трансмисията, след това към подрамата
23 Долна гумено-метална втулка на люлеещата се опора
24 Подрамка
25 Горна гумено-метална втулка на люлеещата се опора
26 Болт M12x1.5x110, подлежи на смяна, 70 Nm, след това затегнете на ъгъл 180°, затегнати при ненатоварено окачване
28 Стабилизираща щанга
1.1b Предна подрама, стабилизатор и монтажни части на рамото на предното окачване (модели със стоманена подрамка)
1 болт, 6 Nm
2 Топлинен щит
3 Кормилен механизъм
4 Стабилизираща щанга 22, между стабилизатора и щангата на окачването
5 гайки, 65 Nm
6 Гайка, за смяна, 20 Nm, след това затегнете под ъгъл от 90°
7 Гайка, за смяна, 70 Nm, след това затегнете под ъгъл от 180°, задръжте, докато затегнете болта 9
8 Подрамка, заварена част от стомана
9 Болт, за смяна, 70 Nm, след това затегнете под ъгъл от 180°, докато затягате дръжте гайката 7
10 Самозаключваща се гайка, сменяема, 60 Nm
11 Сферичен шарнир, ако е повреден, сменете лоста заедно с опората
12 Самозаключваща се гайка, подлежи на смяна, 100 Nm
13 Рамо на окачването, рамената от един и същи материал трябва да бъдат монтирани от двете страни, ако са повредени, сферичната става трябва да се смени заедно с рамото
14 Болт M14x1.5x70, подлежи на смяна, 100 Nm, след това затегнете под ъгъл от 90°, първо затегнете, когато опората на кобилицата е завинтена към трансмисията
15 Долна гумено-метална втулка на люлеещата се опора
16 Болт M10x75, подлежи на смяна
17 Болт M10x35, подлежи на смяна
18 Люлееща се опора
19 Болт M 10x76, за смяна, 50 Nm, след това затегнете под ъгъл от 90°
20 Болт M8x75, подлежи на смяна, 20 Nm, след това затегнете под ъгъл от 90°
21 Горна гумено-метална втулка на люлеещата се опора
22 Стабилизираща щанга
Задно окачване - независимо, многораменно, с отделно монтирани амортисьори и пружини (вижте илюстрации 1.2a-c и 1.3). Монтажът на държача на модула на главината е показан на илюстрации 3.1a-b Глава 8.
1.2a Подрамка и рамена на задното окачване на моделите с предно задвижване
I Ексцентричен болт за регулиране на наклона, не завъртайте повече от 90° във всяка посока
2, 5 Самозаключваща се гайка, подлежи на смяна, 95 Nm, затегната при ненатоварено окачване
3, 6 Ексцентрична шайба, вътрешен отвор с издатина
4 Ексцентричен болт за регулиране на пръстите навътре, не завъртайте повече от 90° във всяка посока
7 Подрамка
8 Болт, за смяна, 90 Nm, след това затегнете под ъгъл от 90°
9 Долен носач
10 Болт, подлежи на смяна
11 Самозаключваща се гайка, подлежи на смяна, 90 Nm, след което се затяга на ъгъл от 90°, затяга се при ненатоварено окачване
12 Болт, подлежи на смяна, 130 Nm, след което се затяга на ъгъл 90°, затяга се при ненатоварено окачване
13 Горен носач
14 Самозаключваща се гайка, сменяема, затегната чрез завъртане на болт 12
15, 18 Шайба
16 Самозаключваща се гайка, подлежаща на смяна, затегната при ненатоварено окачване чрез завъртане на болт 19
17 Държач за монтаж на главина
19 Болт, подлежи на смяна, 130 Nm, след което се затяга на ъгъл 90°, затяга се при ненатоварено окачване
20 Водещ лост
21 Болт, подлежи на смяна
22 Самозаключваща се гайка, подлежи на смяна, 90 Nm, след което се затяга на ъгъл от 90°, затяга се при ненатоварено окачване
1.2b Подрамка и рамена на задно окачване за AWD модели
Стрелка - Посока на движение
1 ексцентричен болт за регулиране на наклона, не завъртайте повече от 90° във всяка посока
2, 5 Самозаключваща се гайка, подлежи на смяна, 95 Nm, затегната при ненатоварено окачване
3, 6 Ексцентрична шайба, вътрешен отвор с издатина
4 Ексцентричен болт за регулиране на пръстите навътре, не завъртайте повече от 90° във всяка посока
7 Подрамка
8 Болт, за смяна, 90 Nm, след това затегнете под ъгъл от 90°
9 Долен носач
10 Самозаключваща се гайка, подлежи на смяна, 90 Nm, след това затегнете до ъгъл от 90°, затегнати при ненатоварено окачване чрез завъртане на болта 11
11 Болт, подлежи на смяна
12 Втулки с резба M6
13 Дистанционна втулка
14 Защита от камъни
15 болта, 8 Nm
16 Самозаключваща се гайка, подлежи на смяна, 130 Nm, след това затегнете до ъгъл от 90°, затегнато при ненатоварено окачване
17 Болт, подлежи на смяна, 130 Nm, след което се затяга на ъгъл 90°, затяга се при ненатоварено окачване
18, 27 Кръгла шайба
19 Горен носач
20, 24 Фигурна шайба
21 Самозаключваща се гайка, подлежаща на смяна, затегната при ненатоварено окачване чрез завъртане на болт 17
22 Държач за окабеляване на ABS сензор, фиксиран към лост 19
23 Държач за монтаж на главина
25 Болт, подлежащ на смяна, затегнат при ненатоварено окачване
26 Водещ лост
28 Самозаключваща се гайка, сменяема, 90 Nm, след това затегнете до 90°
29 Болт, подлежащ на смяна, затегнат при ненатоварено окачване
1.2c Подрамка и крайно задвижване AWD модели
Стрелка - Посока на движение
1 подрамка
2/4 Задна/предна лепена гумено-метална втулка
3 Болт, за смяна, 90 Nm, след това затегнете под ъгъл от 90°
5 Задна основна предавка
6, 9 болт, за смяна, 60 Nm, след това затегнете под ъгъл от 90°
7, 8 Шайба
1.3a Задно окачване пружина и амортисьор (използвайки AWD модели като пример)
1 Горна пружинна седалка
2 Пролет
3 Долна пружинна седалка
4 болта: на AWD модели - 180 Nm; при модели с FWD - затегнете с ненатоварено окачване (130 Nm, след това затегнете до ъгъл 90°)
5 Болт, за смяна, 50 Nm, след това затегнете под ъгъл от 45°
6 Амортисьор
7 Шайба (само при AWD модели)
8 Долен носач
9 Държач на главината
Модификацията на окачването може да бъде идентифицирана по PR номера върху стикера с данни на автомобила (виж илюстрация 1.4), намира се на пода на багажното отделение и в сервизната книжка (вижте Въведение).
1.4 Идентификация на окачването
1 пружини
2 амортисьора
3 Шаси
Кормилната система се състои от кормилно колело, кормилен вал, кормилен механизъм с рейка и зъбно колело и кормилно задвижване. Воланът с вградена предна въздушна възглавница за водача е монтиран на вал, който предава контролни движения към кормилния механизъм. Превключвателят на кормилната колона е монтиран зад волана. За поддържане на контакт между въздушната възглавница и блока за управление на SRS при завъртане на волана се използва спирална пружина, която може да се върти и развива. Спиралната пружина се състои от лента с вътрешни проводими пътеки. Кормилната колона може да се регулира както за обхват, така и за наклон.
За по-лесно шофиране автомобилът е оборудван с 3-то поколение електромеханично кормилно управление с две водещи предавки. Към простия кормилен механизъм е добавена отделна трансмисия, действаща върху кормилната рейка и задвижвана от електрически мотор. Сензорът за въртящ момент на кормилния вал, действащ върху волана със сензора за ъгъл на завиване, се намира в кормилната предавка. Комуникацията се осъществява чрез CAN шина за данни. Предимствата на този дизайн включват:
- ниска консумация на енергия (бустерът използва енергия само когато действително работи, когато воланът се завърти);
- хидравличните компоненти падат (помпа, линии и резервоар за кормилно управление);
- минимално предаване на удари към волана (например при шофиране по неравен път);
- ниско ниво на шум при предаване на автомобила;
- функцията "активно връщане" помага за връщането на колелата в права позиция.
При извършване на ремонт или обслужване на компоненти на окачването и кормилното управление често възникват проблеми с разхлабване на "заклещени" болтове и гайки. Закрепващите елементи, разположени под дъното на автомобила, са постоянно изложени на външни влияния и с времето корозират и частично се повреждат. Използването на груба сила за разхлабване на такава "заклещена" закопчалка крие риск от повреда. Първо намокрете неподвижния елемент с малко количество специална проникваща течност (например WD-40), позволявайки му да попие добре в слоя ръжда. Използвайте телена четка, за да отстраните външните отлагания от достъпните зони на повърхностите с резба. Понякога рязък удар с чук върху гайката през дрейфа помага да се унищожи ръждата, запълваща празнините между резбите на резбовото съединение - опитайте се да не повредите резбите в резултат на излизането на дрейфа. Използването на дълга дръжка при разхлабване на "заседнала" закопчалка може значително да увеличи приложения въртящ момент, но трябва да се помни, че използването на удължители в комбинация с храпови задвижвания е свързано с риск от повреда на механизма за връщане, както и възможността от нараняване. Самозаключващите се гайки и крепежни елементи, повредени от корозия или отстранени по време на ремонт, трябва да се сменят безпроблемно. Заваряването и изправянето не са разрешени на лагери, които носят товари, и на компоненти на окачването, които направляват колелото.
Тъй като повечето от описаните в тази глава процедури се извършват на превозно средство, повдигнато над земята, трябва предварително да се погрижите за възможностите за надеждно фиксиране в повдигнато положение - подгответе здрави опори. За да повдигнете превозното средство с крик, използвайте хидравличен крик - не забравяйте, че стандартният бордов крик е предназначен само за временно повдигане на автомобила при смяна на счупено колело. Хидравличен крик може също да се използва за повдигане на някои компоненти на окачването, докато се извършва определена процедура. Преди извършване на каквато и да е работа, закрепете автомобила към повдигащите крака с помощта на предпазни колани.
Внимание: Не се разрешава работа под автомобил, който се държи в повдигнато положение само с крикове!
Вижте оригинала на уебсайта [SkodaBook.ru]
