Съдържание: Премахване и монтиране на дръжката…⬇ Премахване и монтиране на модула на…⬇ Проверка на механизма за избор ⬇ Проверка на кабела на селектора ⬇ Регулиране на селекторния кабел ⬇ Проверка на ключалката на контактния…⬇ Аварийно освобождаване на лоста от…⬇
1. Частите на задвижването на скоростния лост са показани на контакта. илюстрации. При модели до 06.2009 кабелът на селектора може да се смени отделно, но от 06.2009 кабелът е фиксиран към блока на селектора и може да се смени само заедно с него (отделянето на кабела от селектора не е разрешено). По-долу е дадено описание на примера на модели от 06.2009 г. Превключвателят "F189" на ръчния режим, електромагнитният клапан "N110" на блокировката на скоростния лост, DV "F319" на блокировката на скоростния лост в положение "P" и модулът "J587" на сензора за управление на скоростния лост са вградени в модула на скоростния лост и не се сменят отделно от него.
7.1a Части за задвижване на скоростите (до 05.2009г)
1 Дръжка на скоростния лост, с капак против прах и капак с осветена позиция на лоста
2 Скоба, подлежи на смяна
3 Комплект скоростен лост, с електромагнитен клапан "N110" за заключване на скоростния лост
4 болта с пружина, 3 Nm
5 Болт, не смазвайте
6 Заключваща шайба, трябва да се смени
7, 13 гайки, 4 бр., 9 Nm
8 Корпус на скоростния лост, с уплътнение
9 Кабел за избор, не смазвайте
10 Лост на механизма за избор
11 Държач за кабел 9
12 Кабелен държач 9 в държач 11, подлежи на смяна
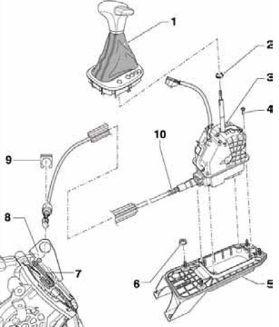
7.1b Компоненти на задвижването на скоростния лост (От 05.2009г)
1 Дръжка на скоростния лост, с капак против прах и капак с осветена позиция на лоста
2 Скоба, подлежи на смяна
3 Монтаж на скоростния лост, с кабел 10 и електромагнитен клапан "N110" на ключалката на скоростния лост
4 Монтажни болтове на монтажа 3
5 Корпус на скоростния лост, с уплътнение
6 гайки, 4 бр., 25 Nm
7 Лост на скоростния механизъм
8 Държач за кабел 10
9 Кабелен държач 10 в държач 8, подлежи на смяна
10 Жило за избор, не смазвайте
Премахване и монтиране на дръжката на скоростния лост и багажника
2. Поставете скоростния лост в положение "N" и изключете запалването.
3. Отворете пепелника в централната конзола, повдигнете тапицерията с клинове T30098 отзад вляво и отзад вдясно и след това отделете тапицерията от централната конзола (виж прил. илюстрация).
7.3 Отделяне на тапицерията от централната конзола
4. Издърпайте бутона от дръжката през съпротивителната точка и го закрепете със скоба или тел (виж прил. илюстрация). Това ще предотврати случайно натискане на бутона в дръжката.
7.4 Фиксиране на бутона
5. Изключете конектора (С на сопр. илюстрации) индикаторни лампи за подсветка.
7.5 Конектори за монтаж на селектора
1 Електромагнитен клапан "N110" заключване на скоростния лост
10-пинов конектор за комуникационни линии от селектор към DSG, с CAN шина
B 4-пинов конектор на електромагнитен клапан 1, контролен блок "J587" сензор на скоростния лост и сензор "F319" на ключалката на лоста в позиция "P"
C 10-пинов конектор за лампа "L101" за осветяване на индикатора за положение на скоростния лост
Забележка: Моля, игнорирайте позициите (A, B и 1), показани на илюстрацията. От 06.2009 г. съединителят (B) и електромагнитният клапан (1) се намират вътре в селектора.
6. Отворете скобата (виж прил. илюстрация) под дръжката и свалете дръжката от лоста.
7.6 Монтажна скоба на дръжката
7. Монтажът се извършва в обратен ред. Преди да монтирате дръжката, нейният бутон трябва да бъде издърпан. Ако бутонът не е бил издърпан и заключен, когато е изваден, той може да бъде преместен в изтеглено положение само чрез подаване на сгъстен въздух от долната част на дръжката. Бутонът трябва да е обърнат към водача. Използвайте нова скоба, за да закрепите дръжката към лоста.
Премахване и монтиране на модула на скоростния лост
Забележка: Селекторният механизъм и селекторният кабел не трябва да се отделят един от друг. Селекторният механизъм с кабела се отстранява в посока нагоре.
8. Отстранете дръжката (виж подраздел по-горе), поставете скоростния лост в положение "P" и изключете запалването.
9. Изключете отрицателния кабел от акумулатора.
10. Отстранете пепелника/отделението за съхранение в долната част на централната конзола, след това отстранете централната конзола и въздуховода (виж глава 11).
11. Издърпайте корпуса на конектора (И в илюстрация 7.5) продължете и изключете този конектор. Забележка: Игнорирайте позициите (B, C и 1), показани на илюстрацията. От 06.2009 г. съединителят (B) и електромагнитният клапан (1) се намират вътре в селектора.
12. Отстранете въздушния филтър (вижте глава 4).
13. Използвайки инструмента MP8-602/1, отделете кабела на селектора от DSG (И в илюстрация 4.4).
14. Отстранете заключващата шайба от кабела на селектора по посока на стрелката (вижте илюстрация 4.5), - кабелът трябва да остане в позиция за монтаж.
Забележка: Повторната употреба на заключващата шайба не е разрешена. Не огъвайте кабела на селектора и не го изтръгвайте от опората в посока назад - кабелът се изважда от държача при отстраняване на механизма на селектора.
15. Повдигнете колата с крик и я поставете на надеждни опори.
16. Отстранете гърба (1 на съпротивлението. илюстрации) и предните (2) напречни елементи на централния тунел (ако е наличен), отделете скобата на изпускателната система (3) от подрамката и разхлабете двойната скоба (4). С помощта на помощник отстранете задната част на изпускателната система (5) от двойната скоба, като се уверите, че гъвкавата част не е огъната на повече от 10°. Разхлабете крепежните елементи на долните панели отляво и отдясно (6 и 7) и отделете ламбда сондата от топлинния щит.
7.16 Монтажни части на изпускателната система
17. Разхлабете скобите (виж прил. илюстрация) и отстранете топлинния щит под селектора към задната част.
7.17 Закрепване на топлинния щит
18. Накарайте помощник да държи селектора изпод автомобила. Дай ми ядките (1 и 2 на съпротивление. илюстрации) и свалете селекторния механизъм заедно с кабела, като премахнете кабела от селекторния механизъм на DSG. Не позволявайте кабелът да се прегъва. Ако е необходимо, отстранете 4 болта (4 в илюстрация 7.1b) и отделете селектора заедно с кабела от корпуса му.
7.18 Монтажни елементи на скоростния лост
19. Монтажът се извършва в обратен ред. Първо затегнете гайките (1 в илюстрация 7.18) на ръка монтирайте стойката на централната конзола (3) върху селектора и едва след това окончателно затегнете гайките (1 и 2). Конектор (И в илюстрация 7.5) свързва само когато не е закрепен към селектора.
20. Накрая проверете правилното функциониране на ключалката за запалване, регулирайте кабела на селектора и проверете механизма на селектора (вижте съответните подраздели по-долу).
Проверка на механизма за избор
21. Във всички позиции на лоста, с изключение на "P" и "N", стартерът не трябва да бъде включен.
22. В режим "N" при скорост над 5 km/h електромагнитният блокиращ клапан на скоростния лост не трябва да блокира лоста и трябва да има възможност за преместване на лоста обратно в положение за задвижване.
23. При скорости под 5 km/h електромагнитният клапан за заключване на скоростния лост трябва да блокира лоста само 1 секунда след включване на режим "N" и не трябва да е възможно лостът да се премести обратно в положение за задвижване, докато педалът на спирачката не бъде натиснат.
24. Когато скоростният лост е в положение "N" или "P", включено запалване и отпуснат педал на спирачката, лостът трябва да е заключен и не трябва да се измества от положение "N" или "P" при натиснат бутон за заключване (соленоидният клапан трябва да блокира лоста). Когато педалът на спирачката е натиснат, електромагнитният клапан трябва да освободи ключалката - бавно преместете лоста от "P" на "S", като същевременно наблюдавате правилността на показанията на индикатора в инструменталната група. При натиснат педал на спирачката, натискането на бутона за заключване, за да преместите лоста от положение "N", е необходимо само за преместване на лоста в положение "R".
25. Когато лостът се премести в положение на ръчен режим, вместо осветлението "D" на капака на скоростния лост трябва да светне осветлението на позиция "+", а вместо "PRNDS" в инструменталния блок трябва да се появи индикация "7654321". Лостът трябва да може да се премества от "D" в ръчен режим само когато бутонът за заключване е натиснат.
26. При включено запалване и осветление на капака на скоростния лост трябва да свети съответният режим.
Проверка на кабела на селектора
27. Селекторният механизъм трябва да е в изправност (виж подраздел по-горе).
28. Натиснете бутона за освобождаване на лоста и преместете лоста от "P" около 5 mm назад, без да премествате лоста в "R", след което отпуснете лоста - той трябва сам да се върне в "P". В противен случай регулирайте кабела (вижте подраздела по-долу).
29. Поставете скоростния лост в положение "N", натиснете бутона за освобождаване на ключалката и преместете лоста от "N" приблизително 5 mm назад, без да премествате лоста в положение "D", след което отпуснете лоста - той трябва сам да се върне в положение "N". В противен случай регулирайте кабела (вижте подраздела по-долу).
30. Поставете скоростния лост в положение "N", натиснете бутона за освобождаване на ключалката и преместете лоста от "N" приблизително 5 мм напред, без да премествате лоста в положение "R", след което отпуснете лоста - той трябва сам да се върне в положение "N". В противен случай регулирайте кабела (вижте подраздела по-долу).
Регулиране на селекторния кабел
31. Необходима е настройка на кабела, ако:
- премахнат е от DSG;
- dSG/двигател е премахнат;
- самият кабел или механизмът за избор е отстранен;
- позицията на двигателя или DSG се е променила, например при настройка без напрежение.
32. Отстранете въздушния филтър (вижте глава 4).
33. Уверете се, че заключващата шайба е поставена и заключена правилно (вижте илюстрация 4.5).
34. Преместете скоростния лост от "P" на "S" и проверете дали предният защитен капак на жилото на механизма за избор не е повреден. Ако откриете повреда, сменете кабела.
35. Селекторният лост и кабелът трябва да се движат плавно в целия диапазон. В противен случай сменете кабела или поправете механизма за избор.
36. Поставете скоростния лост в положение "P", изключете запалването и разхлабете регулиращия болт (виж прил. илюстрация). Забележка: Ако регулиращият болт е разхлабен, скоростният лост и механизмът трябва да останат в положение "P", в противен случай настройката ще бъде неправилна.
7.36 Регулиращ болт
37. Поставете скоростния лост на DSG в положение "P", като го преместите докрай към държача на кабела, както е показано на илюстрация 6.6. Уверете се, че DSG е заключен (избрана позиция "P"). За да направите това, повдигнете колата и едновременно завъртете двете предни колела в една посока - те трябва да блокират.
38. Преместете скоростния лост леко напред и назад, без да превключвате DSG в друг режим и затегнете регулиращия болт до 12 Nm.
Проверка на ключалката на контактния ключ
39. Включете запалването и завъртете ключа още малко, без да включвате стартера.
40. Натиснете и задръжте педала на спирачката.
41. Селекторният лост трябва да се премести от положение "P" с натиснат бутон за освобождаване на ключалката без заклинване.
42. Изключете запалването - изваждането на ключа от контактния ключ трябва да е възможно само ако скоростният лост е в положение "P".
43. Извадете ключа - след това не трябва да е възможно да преместите лоста от положение "P" дори при натиснат педал на спирачката и натиснат бутон за освобождаване на ключалката.
44. Ако горните проверки не са извършени, регулирайте кабела за избор (виж подраздел по-горе).
Аварийно освобождаване на лоста от положение "P"
45. Електромагнитният клапан за заключване на скоростния лост заключва лоста в положение "P", ако следните условия не са изпълнени едновременно: педалът на спирачката е натиснат, запалването е включено и бутонът за освобождаване на ключалката на дръжката на скоростния лост е натиснат.
46. Ако електромагнитният клапан е повреден или няма напрежение за преместване на скоростния лост от позиция "P", изпълнете следните стъпки.
47. Отворете пепелника в централната конзола, повдигнете тапицерията с клинове T30098 отзад вляво и отзад вдясно и след това отделете тапицерията от централната конзола (виж прил. илюстрация). Не сваляйте дръжката от лоста.
48. Натиснете педала на съединителя или дръпнете ръчната спирачка.
49. При модели преди 05.2009 г. натиснете жълтия пластмасов клин отляво надясно (виж прил. илюстрация), натиснете бутона на дръжката на лоста и го преместете от позиция "P".
7.49 Аварийно освобождаване на лоста от "P" (до 05.2009г)
50. При модели преди 06.2009 г. натиснете жълтия пластмасов клин (И точно обратното. илюстрации) по посока на стрелката (1), натиснете бутона на дръжката на лоста (B) и я преместете от позиция "P" по посока на стрелката (2).
7.50 Аварийно освобождаване на лоста от "P" (от 06.2009г)
51. Ако лостът отново се постави в положение "P" при липса на напрежение или ако електромагнитният клапан е повреден, той отново ще се блокира.
